ARF 2001
Documentation Project

CBTricks.com

TIPS:
You need to have Acrobat Reader version 5 or newer installed to view the files with icon.

If the files with or icon will not display see the Site FAQ for help on printing, viewing and using this information.



Owner's Manual
     Cover Page 1
     Cover Page 2
     Cover Page 3
     Cover Page 4
     Cover Page 5
     Page 1
     Page 2
     Page 3
     Page 4
     Page 5
     Page 6
     Page 7
     Page 8
     Page 9
     Page 10
     Page 11
     Page 12
     Page 13
     Page 14
     Page 15
     Page 16
     Page 17
     Page 18
     Page 19
     Page 20
     Page 21
     Page 22
     Page 23
     Page 24
     Page 25
     Page 26
     Page 27
     Page 28
     Page 29
     Page 30
     Page 31
     Page 32
     Page 33
     Page 34
     Page 35
     Page 36

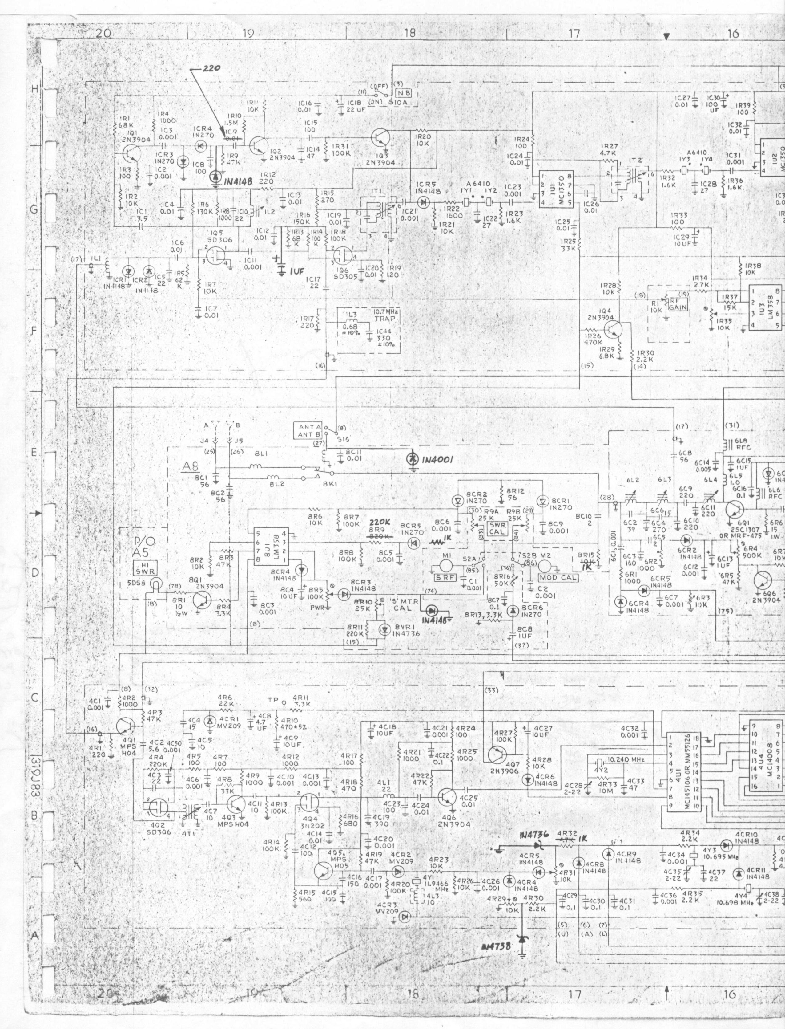
Diagrams
    Schematic Page 1
    Schematic Page 2
    Schematic Page 3
    Schematic Page 4
    Schematic Page 5
    Schematic Page 6

 



Copyright © 1998, 1999, 2000, 2001, 2002, 2003, 2004 CBTricks.com

Disclaimer: Although the greatest care has been taken while compiling these documents,

we cannot guarantee that the instructions will work on every radio presented.