Browning Lab's Golden Eagle Mark IV
Documentation Project
CBTricks.com

TIPS:
You need to have Acrobat Reader version 5 or newer installed to view the files with icon.

If the files with or icon will not display see the Site FAQ for help on printing, viewing and using this information.



Owner's Manual (Courtesy of Joe P.)

Factory Service Manual
      Cover Page
      Page 1 to 20
      Page 21 to 40
      Page 41 to 60
      Page 61 to 70
      Page 71 to 80

DIAGRAMS
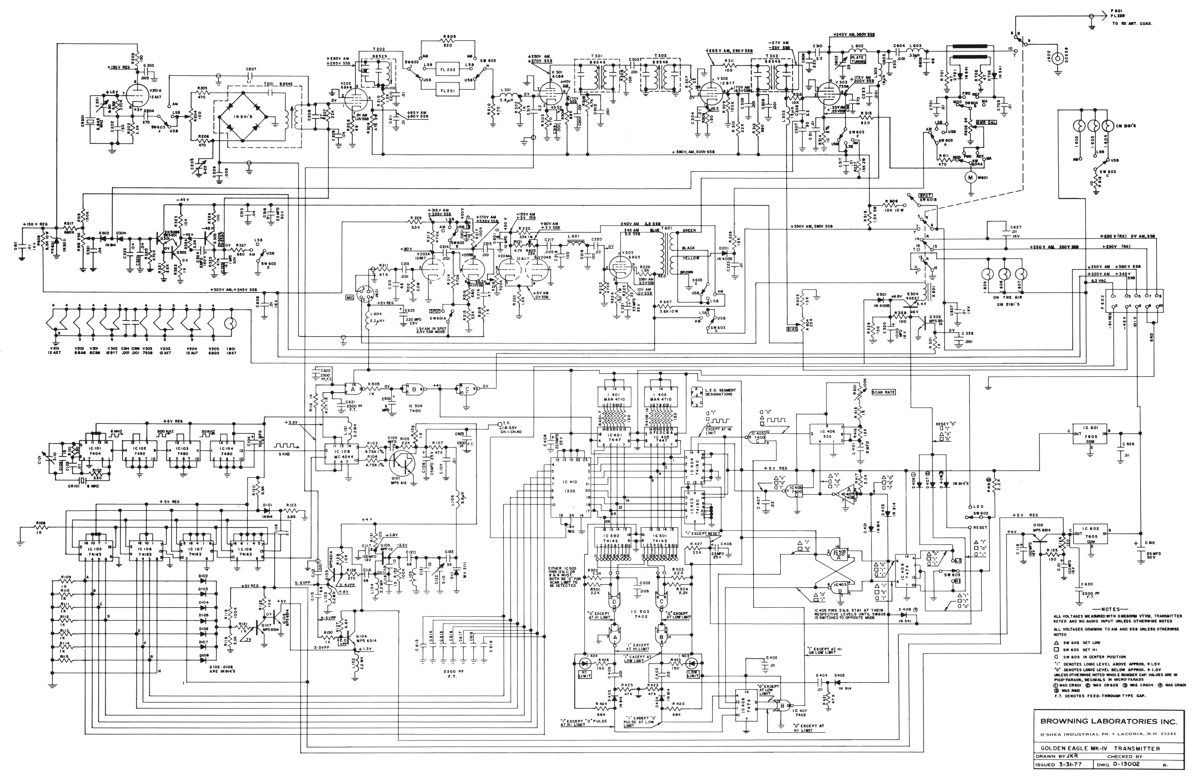
      Transmitter Schematic Diagram (11x17)
      Transmitter Schematic Diagram

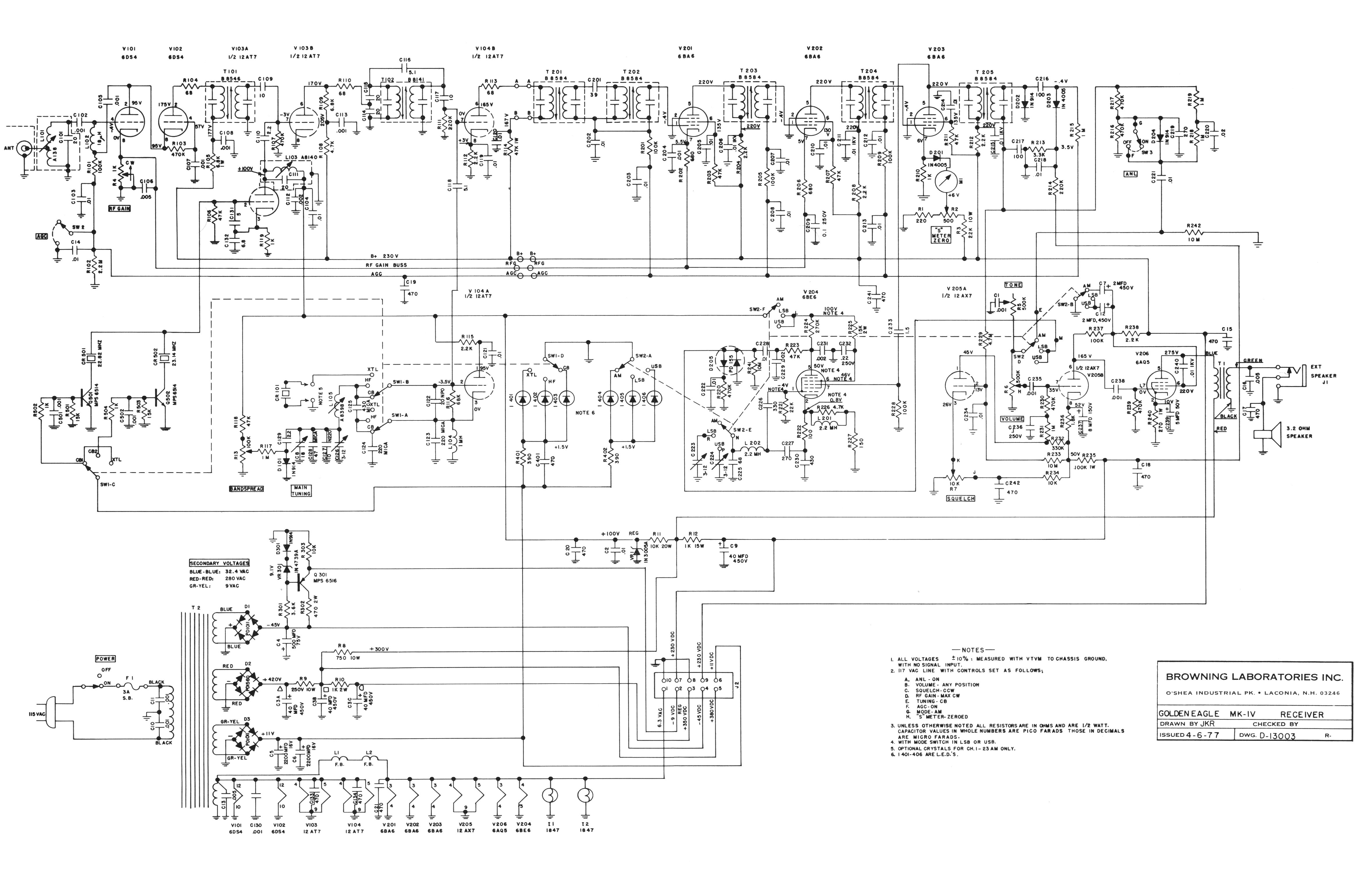
      Receiver Schematic Diagram (11x17)
      Receiver Schematic Diagram


Browning Service Notes
      SN7121
      SN7122
      SN8131
      SN80412

Thanks to Joe P for scanning this.



 




Copyright © 1998-2009 CBTricks.com

Disclaimer: CBTricks.com does not warrant the accuracy of the information contained herein nor is it responsible
for any errors or omissions and assumes no liability for the content on this site.
While the CBTricks.com uses reasonable efforts to include accurate and up to date information, CBTricks.com makes no warranties or representations as to its accuracy
or timeliness and assumes no liability or responsibility for any errors or omissions in the Content of this site.

http://www.cbtricks.com