Browning Lab's Golden Eagle Mark IV A
Documentation Project
CBTricks.com

TIPS:
You need to have Acrobat Reader version 5 or newer installed to view the files with icon.

If the files with or icon will not display see the Site FAQ for help on printing, viewing and using this information.



Factory Service Manual
      Cover Page
      Page 1 to 20
      Page 21 to 39
      Page 40 to 56

DIAGRAMS Note the following schenatics are the best I have I tired to find a better looking set.
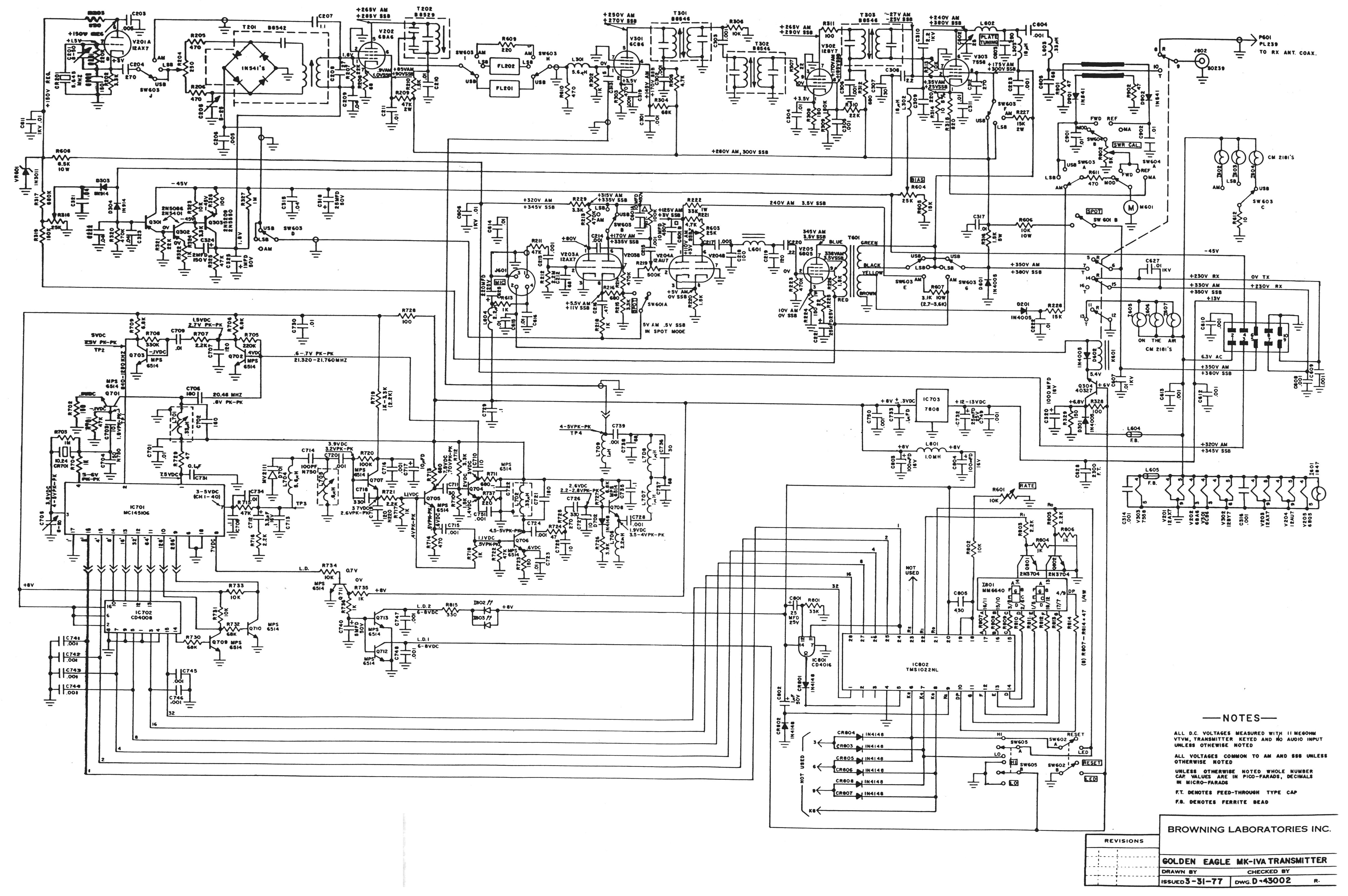
      Transmitter Schematic Diagram (11x17)
      Transmitter Schematic Diagram

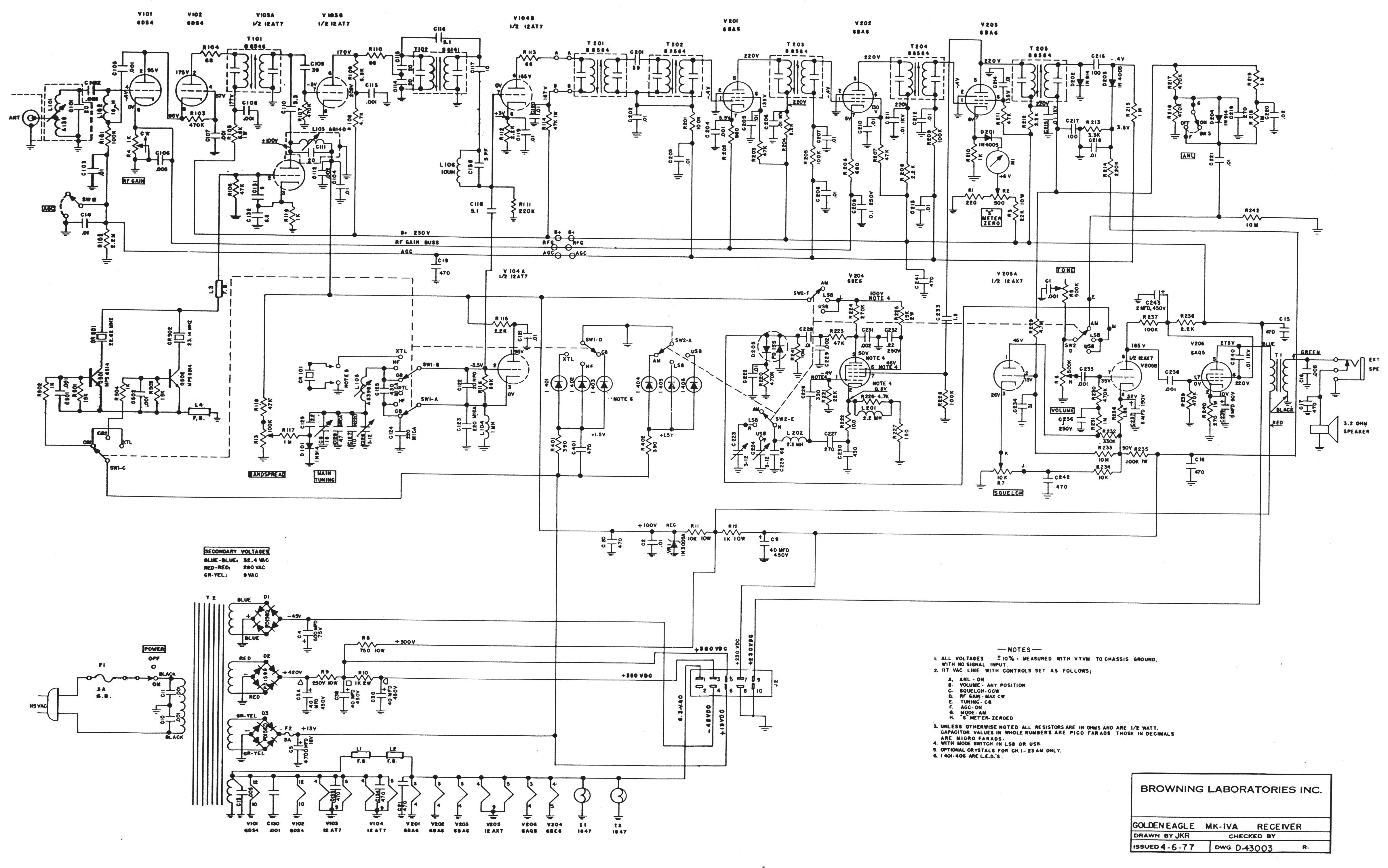
      Receiver Schematic Diagram (11x17)
      Receiver Schematic Diagram




 




Copyright © 1998-2009 CBTricks.com

Disclaimer: CBTricks.com does not warrant the accuracy of the information contained herein nor is it responsible
for any errors or omissions and assumes no liability for the content on this site.
While the CBTricks.com uses reasonable efforts to include accurate and up to date information, CBTricks.com makes no warranties or representations as to its accuracy
or timeliness and assumes no liability or responsibility for any errors or omissions in the Content of this site.

http://www.cbtricks.com