Cherokee Radios CBS2100
Documentation Project
CBTricks.com

TIPS:
You need to have Acrobat Reader version 5 or newer installed to view the files with icon.

If the files with or icon will not display see the Site FAQ for help on printing, viewing and using this information.


SPECIFICATIONS



ALIGNMENT PROCEDURES
     PLL Alignment
     Transmitter Alignment
     Receiver Alignment
     Alignment Points Description

CIRCUIT DESCRIPTIONS
    
Frequency Generation
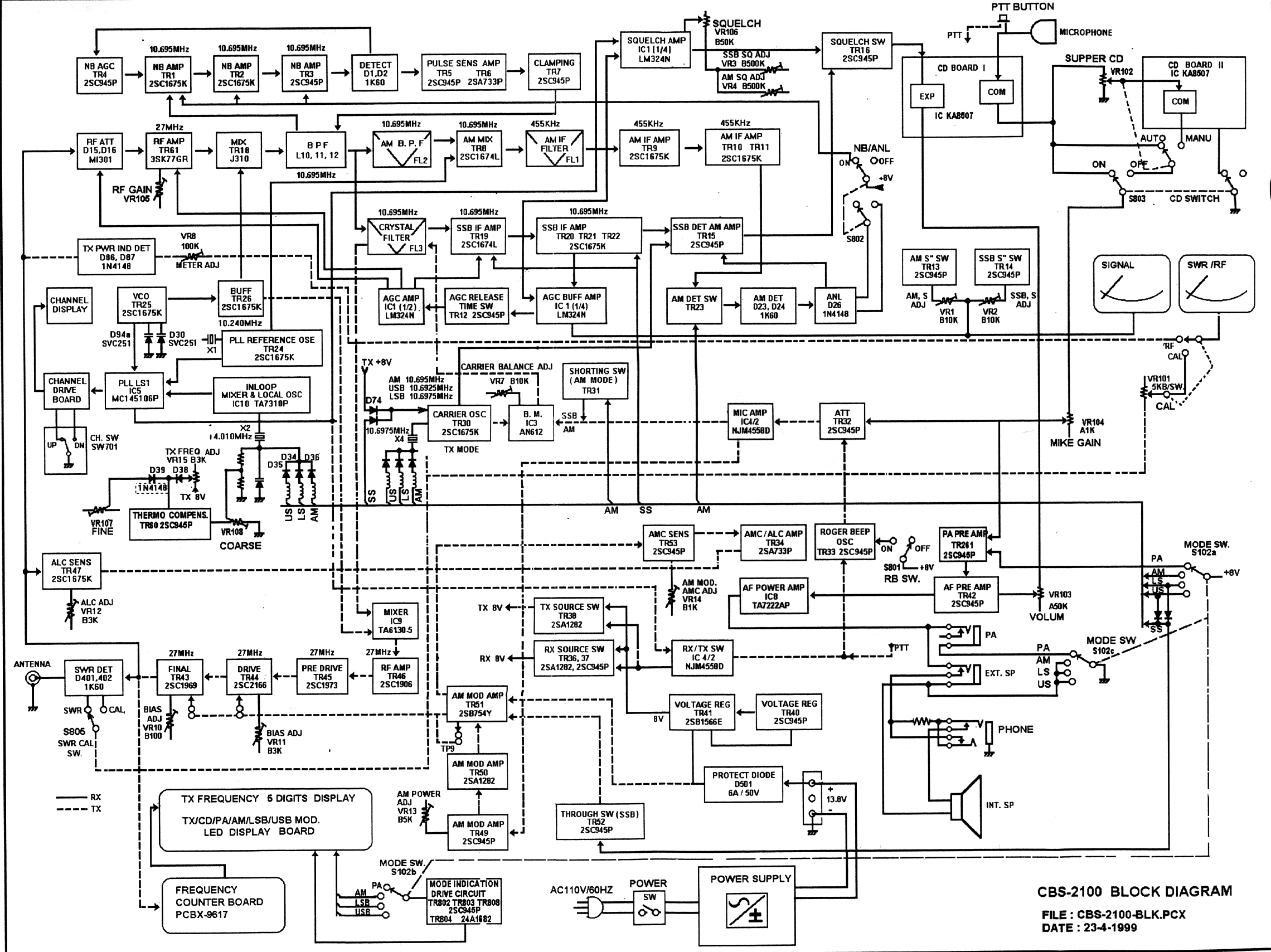
    Over all Circuit Descriptions
    CBS-2100 Block Diagram

Functional Descriptions Of Componemts and Part Numbers
    Diodes
    Transistors
    Integrated Circuits
    Filters and Crystals

DIAGRAMS
    Main PCB Layout (Note: some of the components are not installed in a CBS-2100)
    Main PCB Schematic Diagram
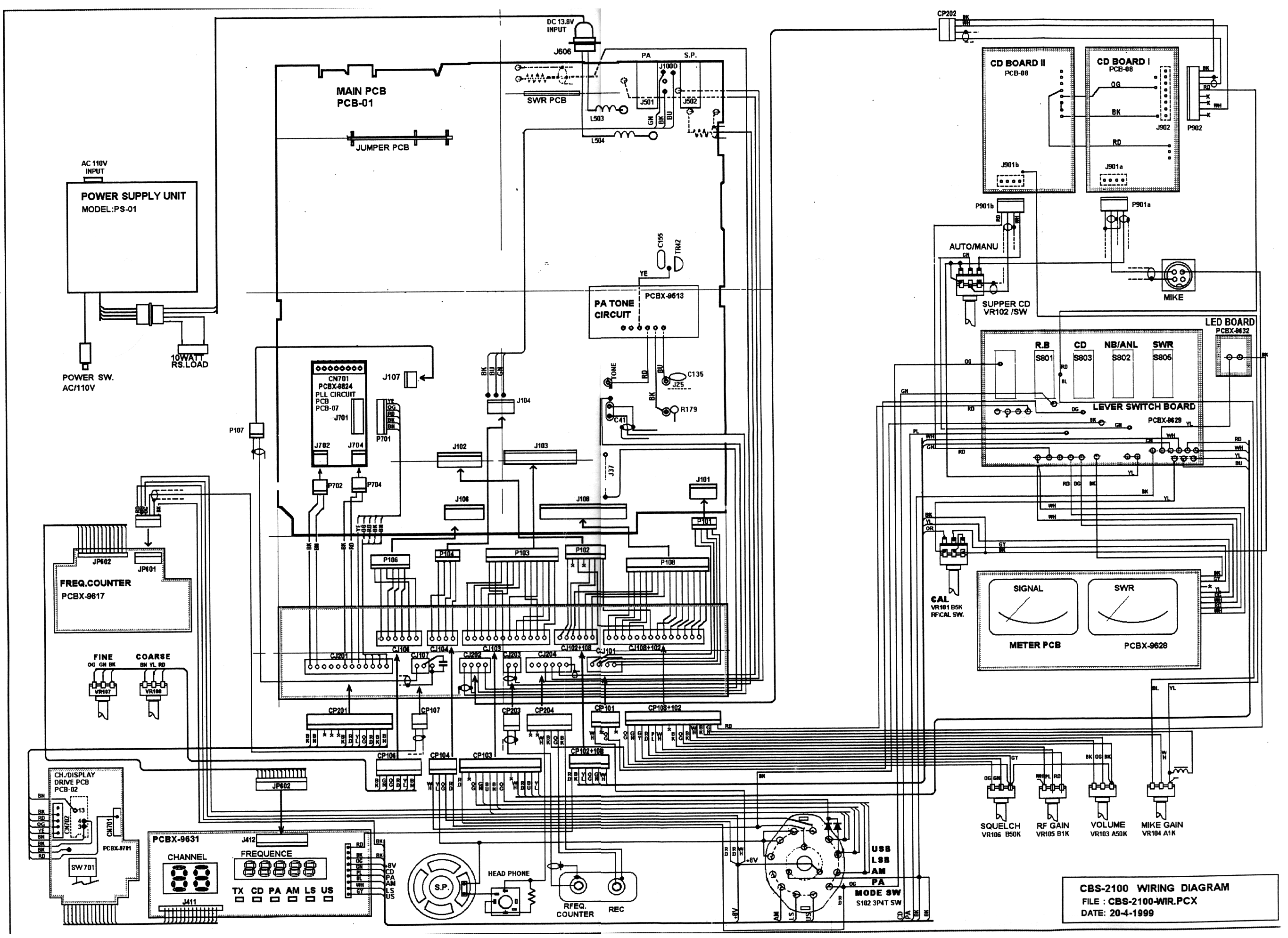
    Radio Wiring Diagram
    Channel Display PCB Layout and Parts
    Channel Display PCB Schematic Diagram
    Channel Switch PCB Layout and Parts
    Channel Switch PCB Schematic Diagram
    Lever Switch PCB Layout and Parts
    Lever Switch PCB Schematic Diagram
    Connector PCB Layout and Parts
    CPU/PLL PCB Layout and Parts
    CPU/PLL PCB Schematic Diagram
    Frequency Counter PCB Layout and Parts
    Frequency Counter PCB Schematic Diagram
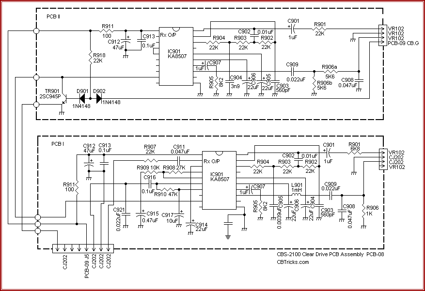
    Clear Drive PCB Layout and Parts
    Clear Drive PCB Schematic Diagram
    LM324 ADD-ON PCB Layout and Parts
    LM324 ADD-ON PCB Schematic Diagram
    PA PRE-AMP PCB Layout and Parts
    PA PRE-AMP PCB Schematic Diagram
    SWR PCB Schematic Diagram
   


 



Copyright © 1998, 1999, 2000, 2001, 2002, 2003, 2004 CBTricks.com

Disclaimer: Although the greatest care has been taken while compiling these documents,

we cannot guarantee that the instructions will work on every radio presented.