Clear Channel Ranger AR3300
Documentation Project
CBTricks.com

TIPS:
You need to have Acrobat Reader version 5 or newer installed to view the files with icon.

If the files with or icon will not display see the Site FAQ for help on printing, viewing and using this information.



Service Manual

DIAGRAMS
    AR3300 Block Diagram
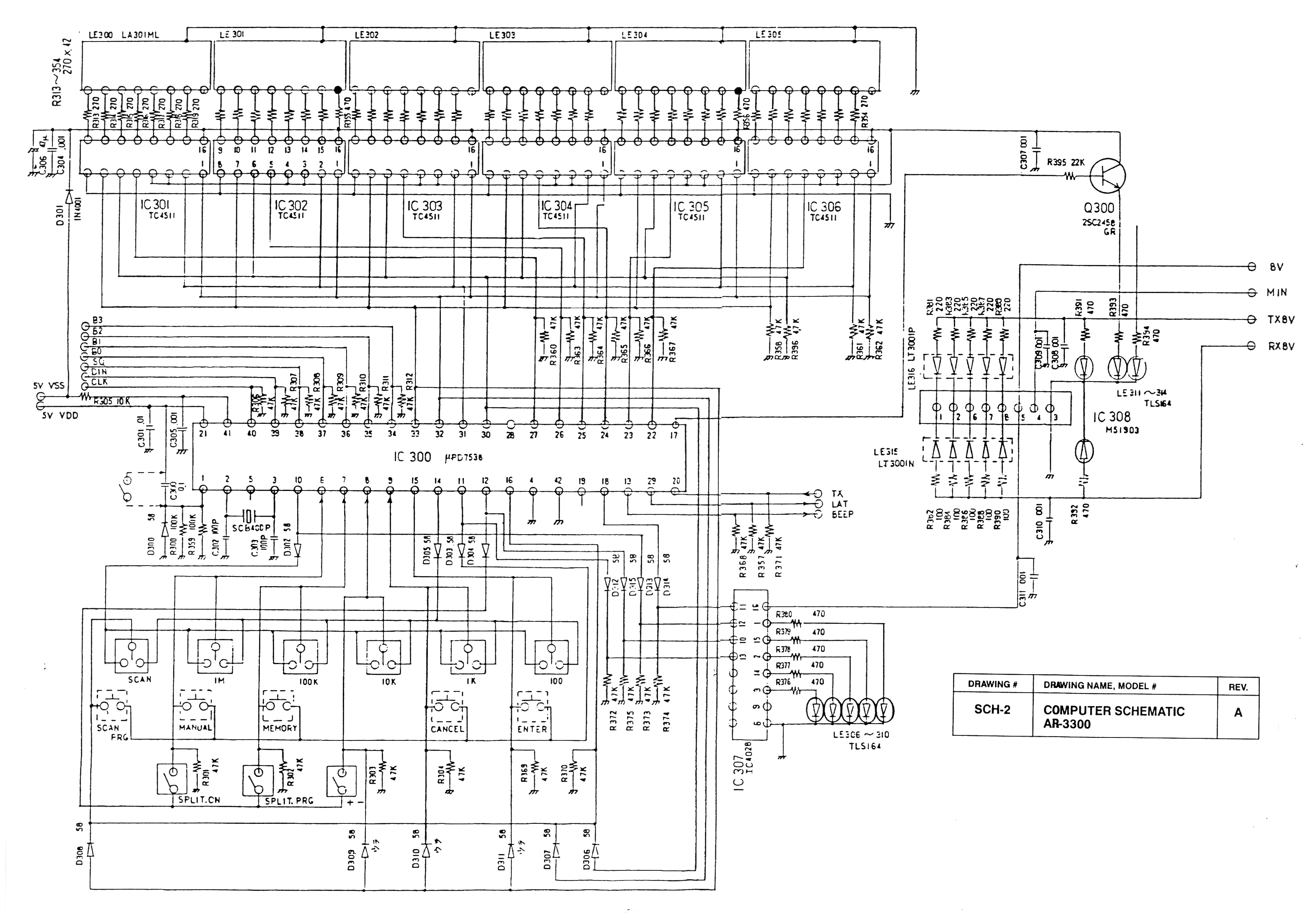
    AR3300 Schematic Diagram
    AR3300 CPU Schematic Diagram

PCB Layouts
    Main PCB Layout
    Wiring Diagram Sheet 1
    Wiring Diagram Sheet 2
    CPU Board Layout
    CPU Board Trace Layout

 


 



Copyright © 1998, 1999, 2000, 2001, 2002, 2003, 2004 CBTricks.com

Disclaimer: Although the greatest care has been taken while compiling these documents,

we cannot guarantee that the instructions will work on every radio presented.