Communications Power Inc. CP2000 Base
Documentation Project

CBTricks.com

Table of Contents

I RECOMMENDED TEST EQUIPMENT LIST

II DETAILED CIRCUIT DESCRIPTION
     1. Method of Frequency Selection
     2. BFO Inhibit Control
     3. Crystal Oscillators
     4. General Theory of Digital Synthesizer
     5. Detailed Synthesizer Operation
     6. BFO
     7. Reference Oscillators
     8. Basic Theory of R/T Operation
     9. Detailed Receiver Operation
   10. Noise Blanker Operation
   11. Detailed Transmitter Operation
   12. Detailed Power Supply Operation
 

III TUNING PROCEDURE
     A. General
     B. Power Supply Adjustment (7H046)
     C. Interface Board Adjustment (7H043)
     D. SMO Board Alignment (7H042)
     E. RXTX Board Alignment (7H016)
     F. Noise Blanker Board Alignment (7H044)

IV TEST POINT AND TUNING ADJUSTMENT LOCATIONS
     A. Power Supply (7H046 Board)
     B. Interface (7H043 Board)
     C. SMO (7H042 Board)
     D. RX-TX (7H016 Board)
     E. Noise Blanker (7H044 Board)

V SCHEMATIC DIAGRAMS
     A. 26C002 Block Diagram
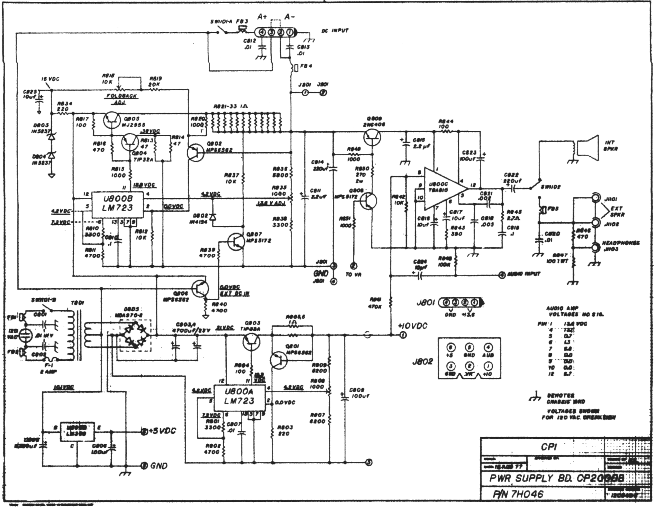
     B. 12C046 Power Supply
     C. 12C043 Interface
     D. 12D014 SMO
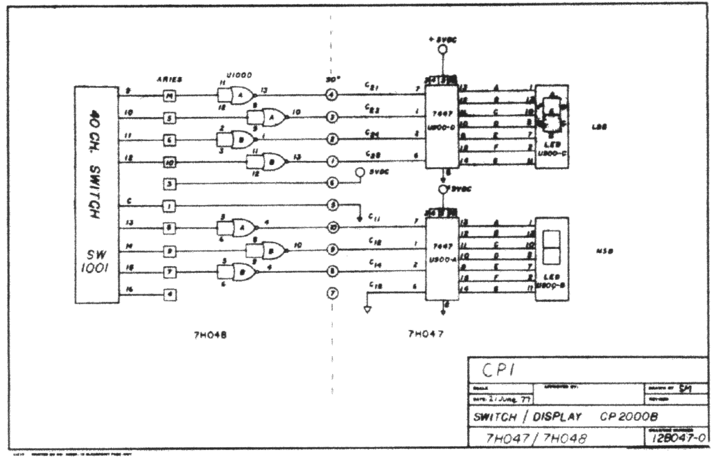
     E. 12B047 Switch/Display
     F. 12D016 R/T
     G. 12B045 RF PA
     H. 12B044 Noise Blanker

PDF of the schematics and layouts (Courtesy of WR-0220 (TwentyTwo-Zero) )