dak Mark X
Documentation Project
CBTricks.com

TIPS:
You need to have Acrobat Reader version 5 or newer installed to view the files with icon.

If the files with or icon will not display see the Site FAQ for help on printing, viewing and using this information.



Owner's Manual (This may be a little hard to read due to all I had to scan was a copy of a copy.)

RADIO MODIFICATIONS
Power Modification

Diagrams
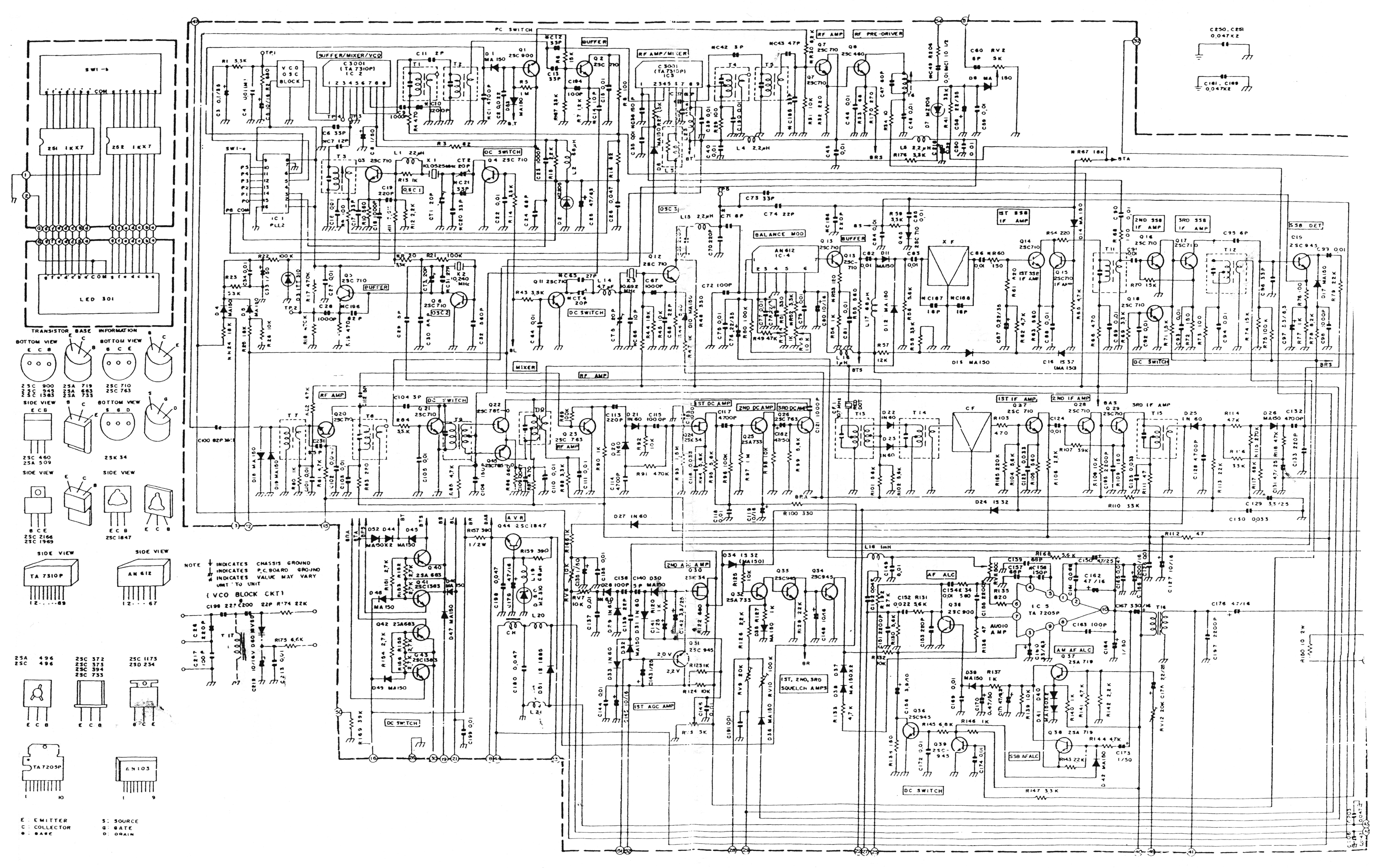
     Schematic Diagram
     Schematic Diagram
     PCB Layouts Page 1
     PCB Layouts Page 2

Mic Wiring

Stock
1- Audio
2- Shield
3- Relay
4- Transmit

Astatic (4 wire)
1- White
2- Shield
3- Black
4- Red

Astatic (6 wire)
1- White
2- Shield
3- Blue
4- Red
Black- N/C
Yellow- N/C

Daiwa EM-500
Cobra CA Series

1- Red
2- Shield
3- Black
4- White
Blue - N/C

Galaxy DC-521S (4 wire)
1- Yellow
2- Shield
3- Black
4- Red

Galaxy CB-660EI
1- White
2- Shield
3- Black
4- Red
Black - N/C

Sadelta
1- White
2- Shield
3- Green
4- Brown

Turner
1- White
2- Shield
3- Red
4- Blue
Black - N/C
Yellow - N/C



Copyright © 1998, 1999, 2000, 2001, 2002, 2003, 2004 CBTricks.com

Disclaimer: Although the greatest care has been taken while compiling these documents,

we cannot guarantee that the instructions will work on every radio presented.