E. F. Johnson Messenger 100, 110
Documentation Project

CBTricks.com

TIPS:
You need to have Acrobat Reader version 5 or newer installed to view the files with icon.

If the files with or icon will not display see the Site FAQ for help on printing, viewing and using this information.



Factory Service Manual
Third Printing August, 1975
      Page 1 to 10
      Page 11 to 20
      Page 21 to 30
      Page 31 to 38
      Page 39 to 40
      Page 41 (PCB Layout)
      Page 41 (PCB Layout)
      Cover Page Front
      Cover Page Rear


DIAGRAMS
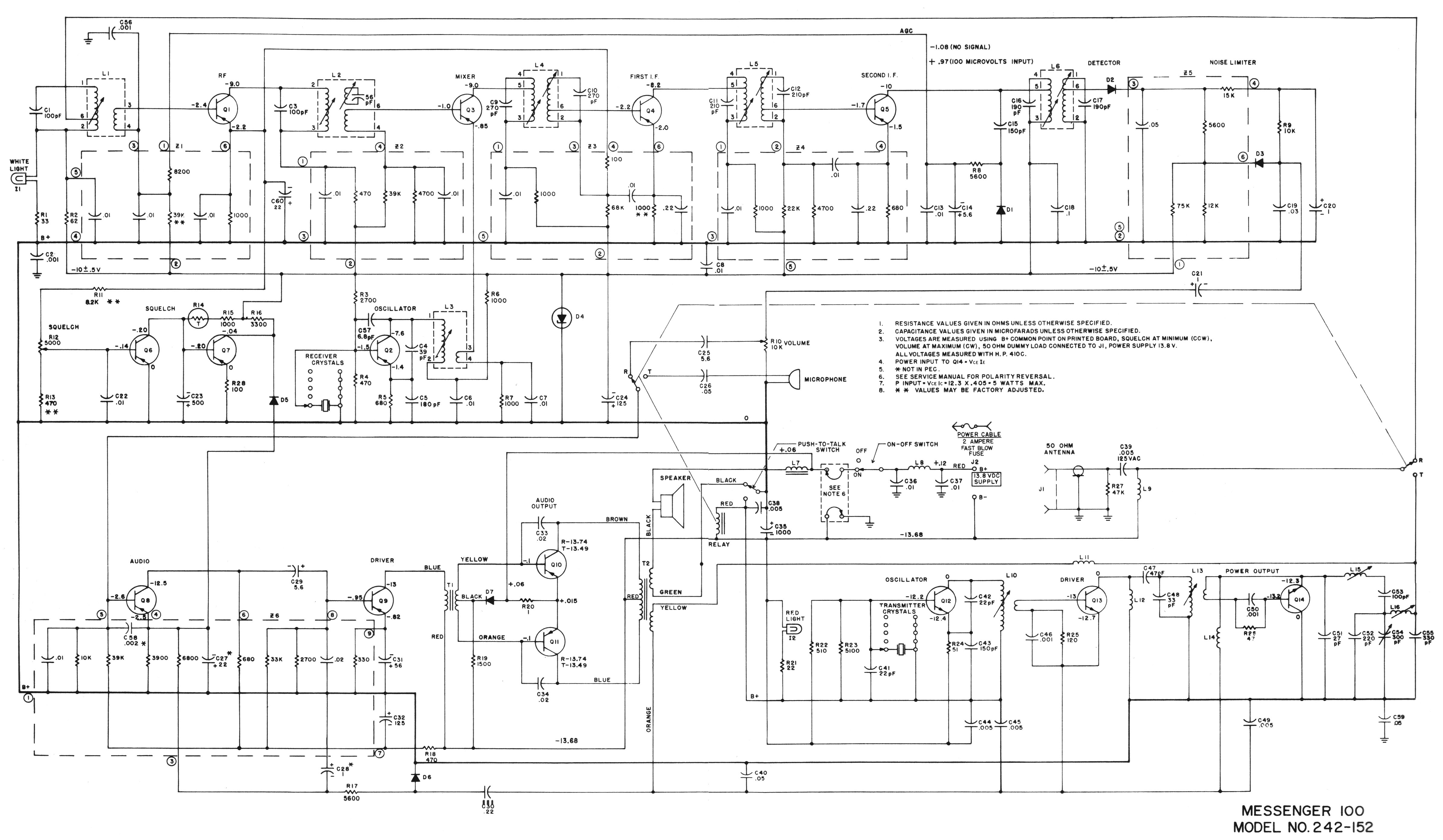
      Schematic Diagram 100, (242-152) (11x17)
      Schematic Diagram 100, (242-152)
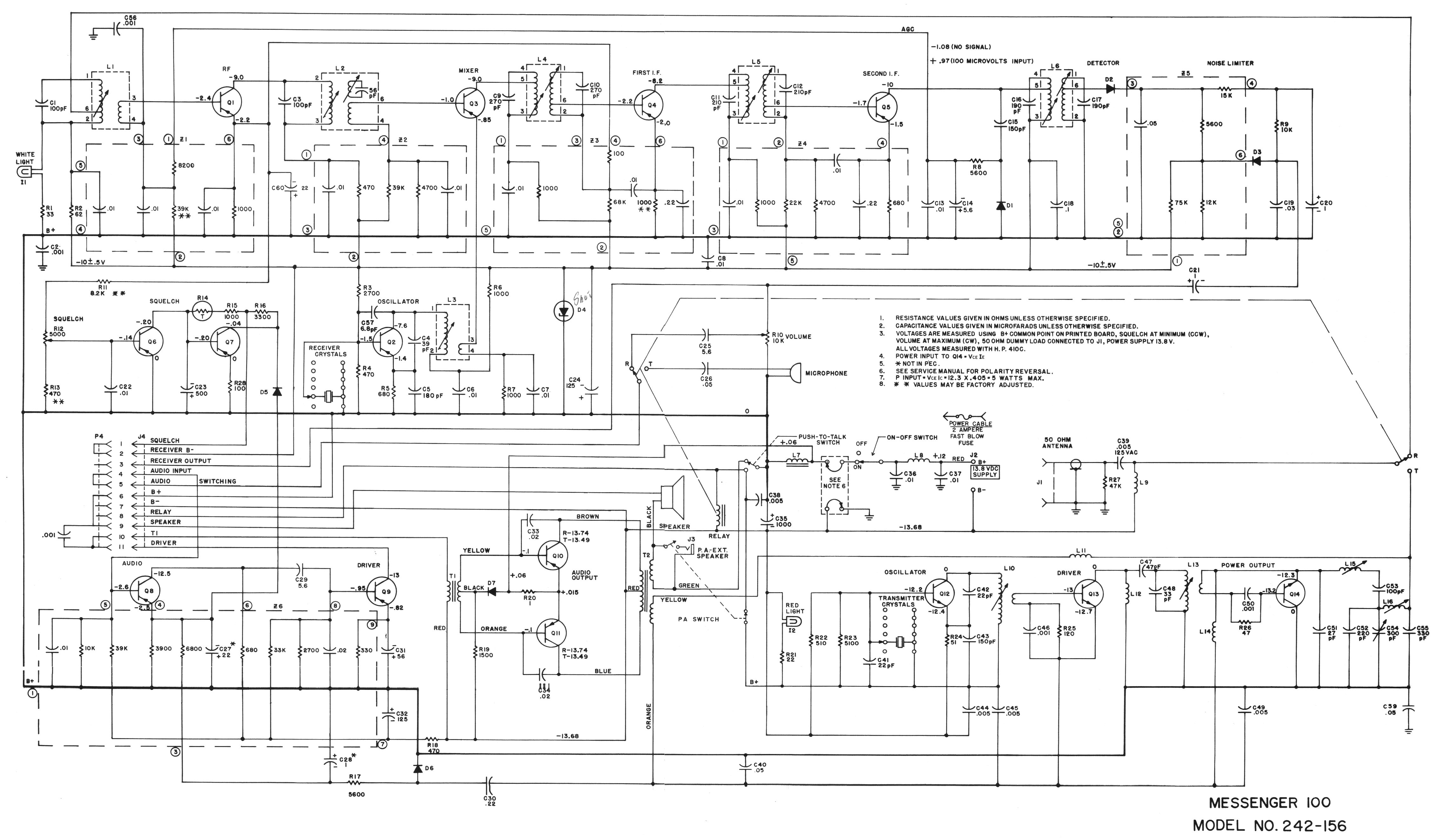
      Schematic Diagram 100, (242-156) (11x17)
      Schematic Diagram 100, (242-156)
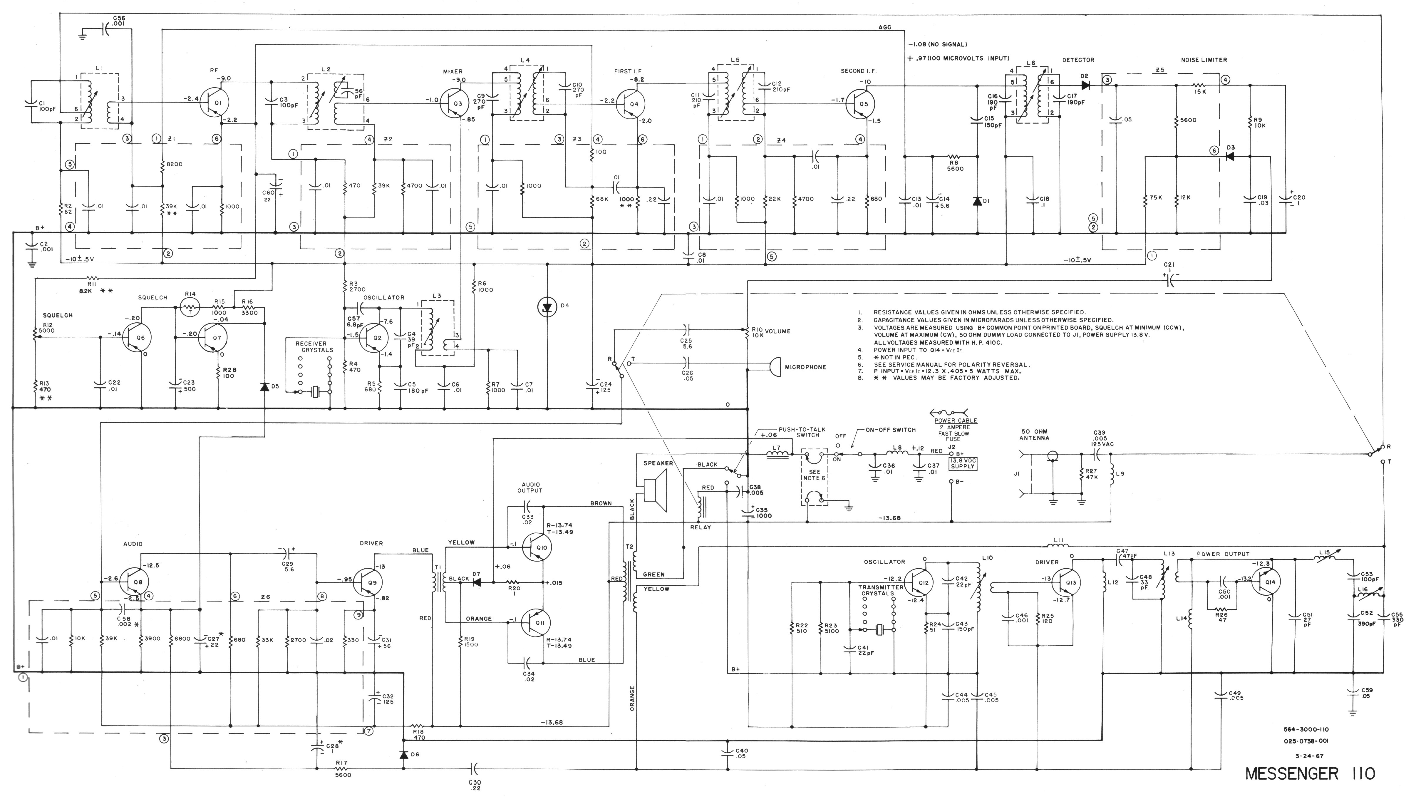
      Schematic Diagram 110, (242-110) (11x17)
      Schematic Diagram 110, (242-110)

Also See
     Factory Service Bulletins

 




Copyright © 1998-2009 CBTricks.com

Disclaimer: CBTricks.com does not warrant the accuracy of the information contained herein nor is it responsible
for any errors or omissions and assumes no liability for the content on this site.
While the CBTricks.com uses reasonable efforts to include accurate and up to date information, CBTricks.com makes no warranties or representations as to its accuracy
or timeliness and assumes no liability or responsibility for any errors or omissions in the Content of this site.

http://www.cbtricks.com