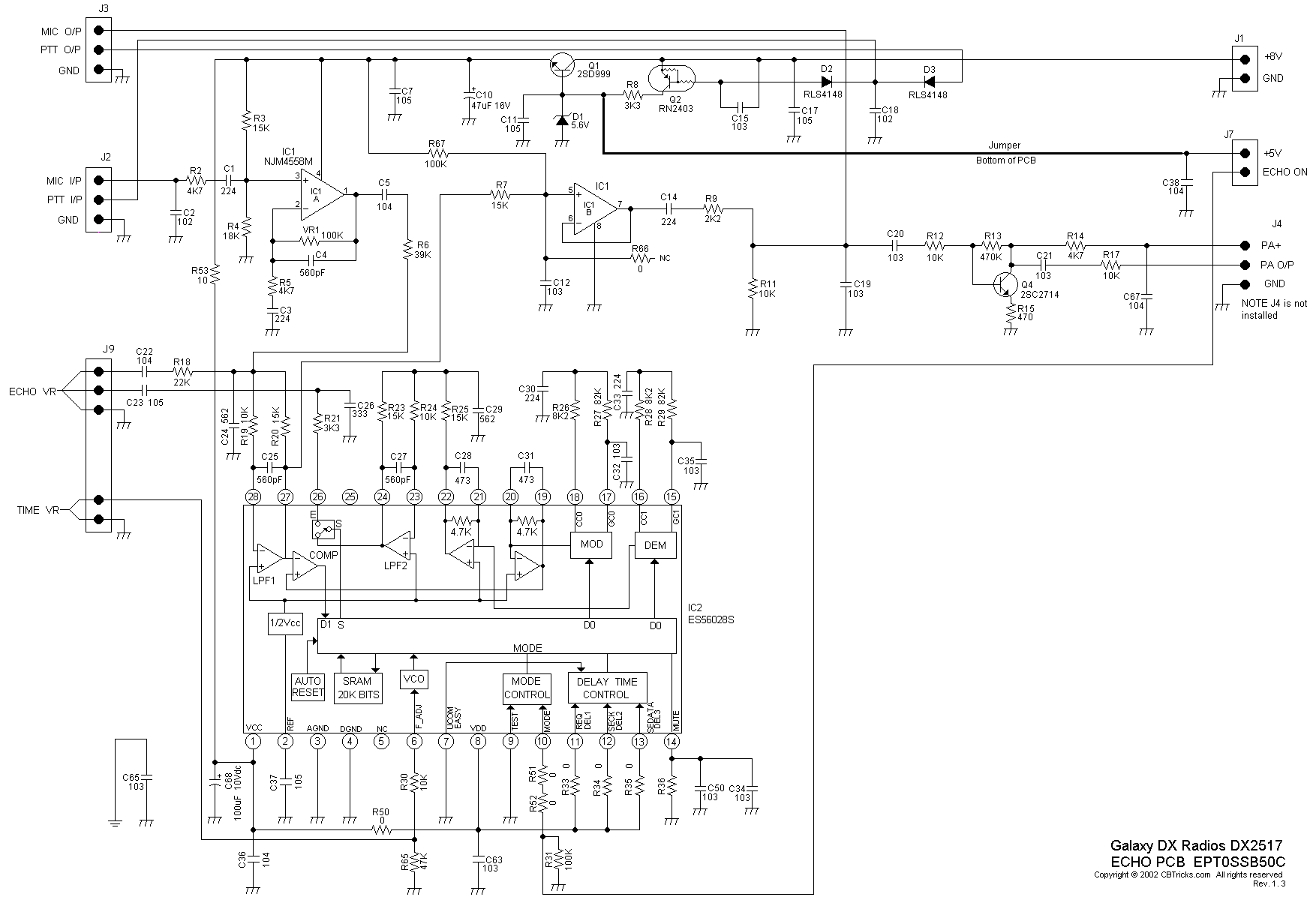
Galaxy
DX Radios DX2517
Documentation Project
CBTricks.com
Echo
PCB ( EPTOSSB50C ) (Early Version for DX2517)
Schematic
Diagram ![]()
Schematic Diagram ![]()


Disclaimer: Although the greatest care has been taken while compiling these documents,
we cannot guarantee that the instructions will work on every radio presented.