Galaxy
DX Radios DX48T
Documentation Project
CBTricks.com
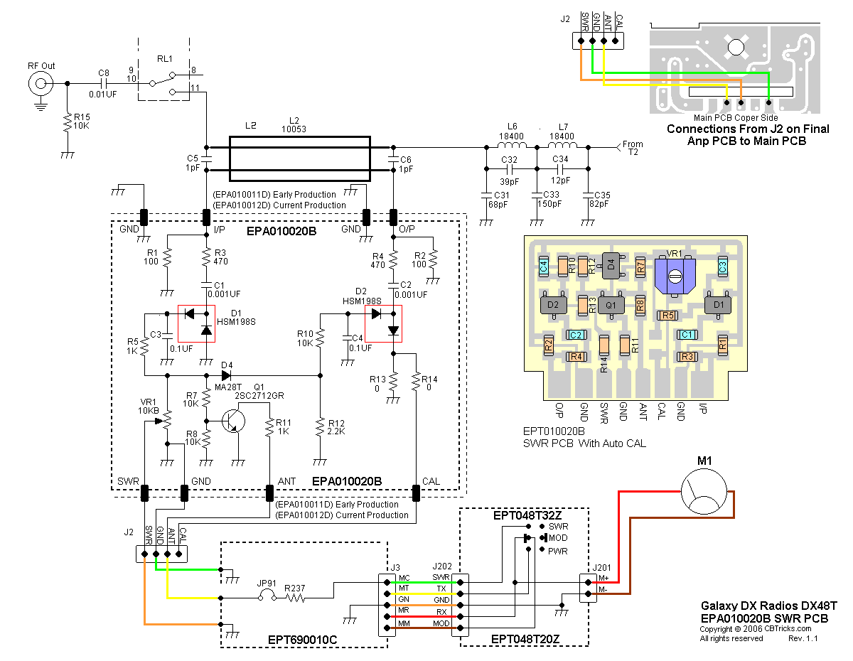
SWR
PCB (EPA010020B)
Schematic
Diagram ![]()
Schematic
Diagram

|
Ref#
|
Description |
MFR.
Part No.
|
|
|
SWR PCB (AUTO/SWR) EPA010020B Complete with Components. |
#T-144D-1 |
|
|
SWR PCB 13x17x1.0tmm(S) |
EPA010020B |
Capacitors
|
Ref#
|
Description |
MFR.
Part No.
|
|
C1 |
CHIP/C (SMD)(K X7R) 0.001UF 50WV Z SL |
CK1102AB7L |
|
C2 |
CHIP/C (SMD)(K X7R) 0.001UF 50WV Z SL |
CK1102AB7L |
|
C3 |
CHIP/C (SMD) 0.1UF 25WV Z Y5V |
CK2104AB7R |
|
C4 |
CHIP/C (SMD) 0.1UF 25WV Z Y5V |
CK2104AB7R |
Resistors
|
Ref#
|
Description |
MFR.
Part No.
|
|
R1 |
CHIP/F/R (SMD) 100 OHM 0.1W |
RCY011014Z |
|
R2 |
CHIP/F/R (SMD) 100 OHM 0.1W |
RCY011014Z |
|
R3 |
CHIP/F/R (SMD) 470 OHM 0.1W |
RCY014714Z |
|
R4 |
CHIP/F/R (SMD) 470 OHM 0.1W |
RCY014714Z |
|
R5 |
CHIP/F/R (SMD) 1K OHM 0.1W |
RCY011024Z |
|
R7 |
CHIP/F/R (SMD) 10K OHM 0.1W |
RCY011034Z |
|
R8 |
CHIP/F/R (SMD) 10K OHM 0.1W |
RCY011034Z |
|
R10 |
CHIP/F/R (SMD) 10K OHM 0.1W |
RCY011034Z |
|
R11 |
CHIP/F/R (SMD) 1K OHM 0.1W |
RCY011024Z |
|
R12 |
CHIP/F/R (SMD) 2.2K OHM 0.1W |
RCY012224Z |
|
R13 |
CHIP/F/R (SMD) 0.0 OHM 0.1W |
RCY010004Z |
|
R14 |
CHIP/F/R (SMD) 0.0 OHM 0.1W |
RCY010004Z |
Diodes
|
Ref#
|
Description |
MFR.
Part No.
|
|
D1 |
DIODE (SMD) HSM198S |
EDHM0198SY |
|
D2 |
DIODE (SMD) HSM198S |
EDHM0198SY |
|
D4 |
DIODE (SMD) MA28T |
EDMA0028TY |
Transistors
|
Ref#
|
Description |
MFR.
Part No.
|
|
Q1 |
TRANSISTOR(SMD) 2SC2712GR-TE85L |
TY2SC2712G |
Pots
|
Ref#
|
Description |
MFR.
Part No.
|
|
VR1 |
S/F/R (SMD) 10KB 3L(TMC4K) |
RE103Y0125 |
Disclaimer: Although the greatest care has been taken while compiling these documents,
we cannot guarantee that the instructions will work on every radio presented.