|
RADIO
MODIFICATIONS
DX55V
Frequency Conversion
Channel
Chart (After Modification)
Extended
10-Meter Frequency Conversion (28.000 - 29.655MHz)
Roger
Beep Tone Mod
Adding
Talkback Mod
ALIGNMENT
PROCEDURES
PLL Alignment
Transmitter
Alignment
Receiver Alignment
Alignment Locations
VCO Frequency Generation Chart Bands
A-C and Bands D-F
SEMICONDUCTOR
INFORMATION
Transistor
Voltage Chart
Semiconductor
Datasheets
DIAGRAMS
DX55V
Schematic Diagram (EPT360014B)
(July 11, 2006)
DX55V
Schematic Diagram (EPT360014C)
(Dec. 06, 2005)
Active
Device Location Diagram (Main Board)
DX55V
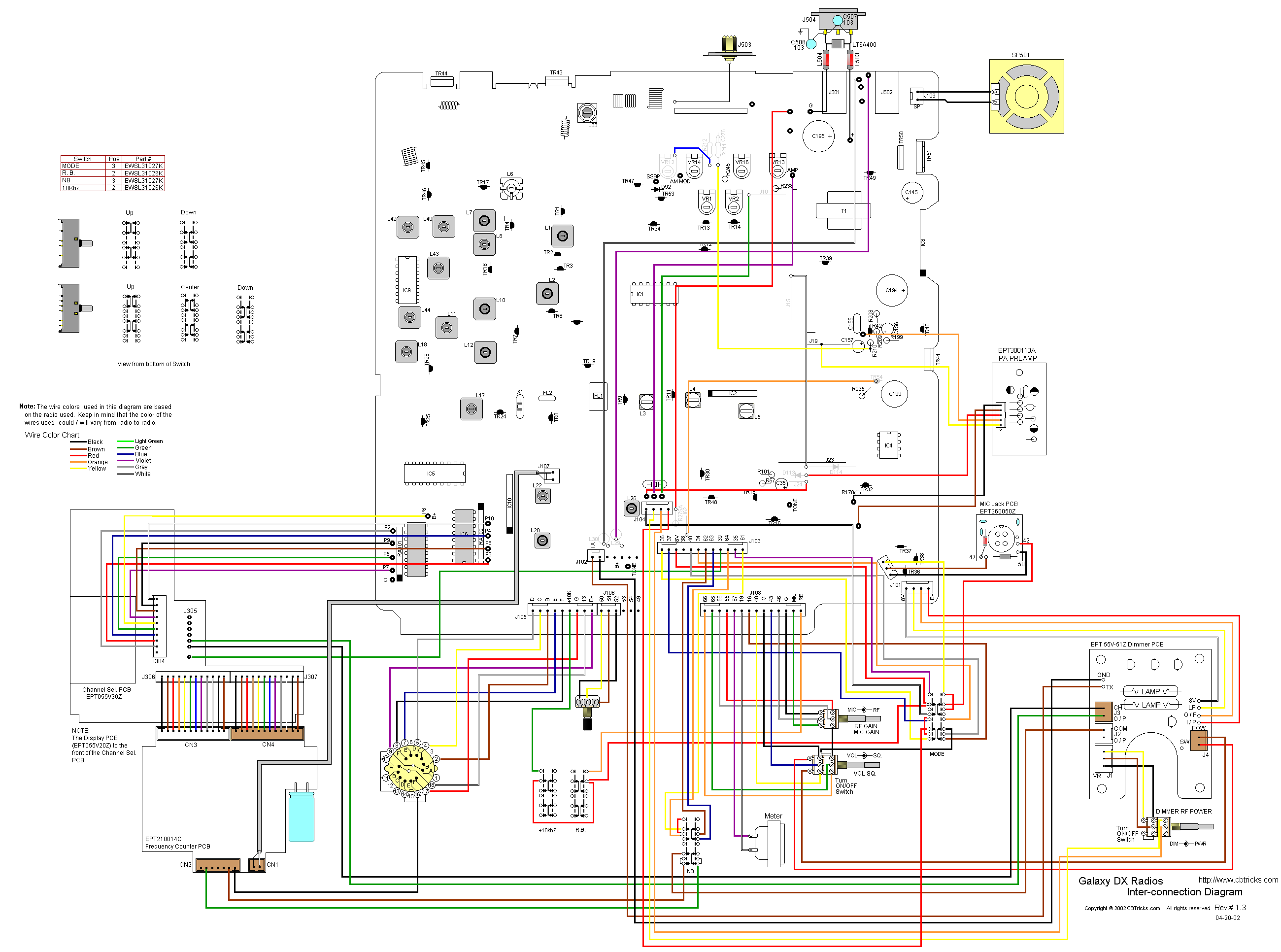
Inter-connection Diagram 
DX55V
Inter-connection Diagram 
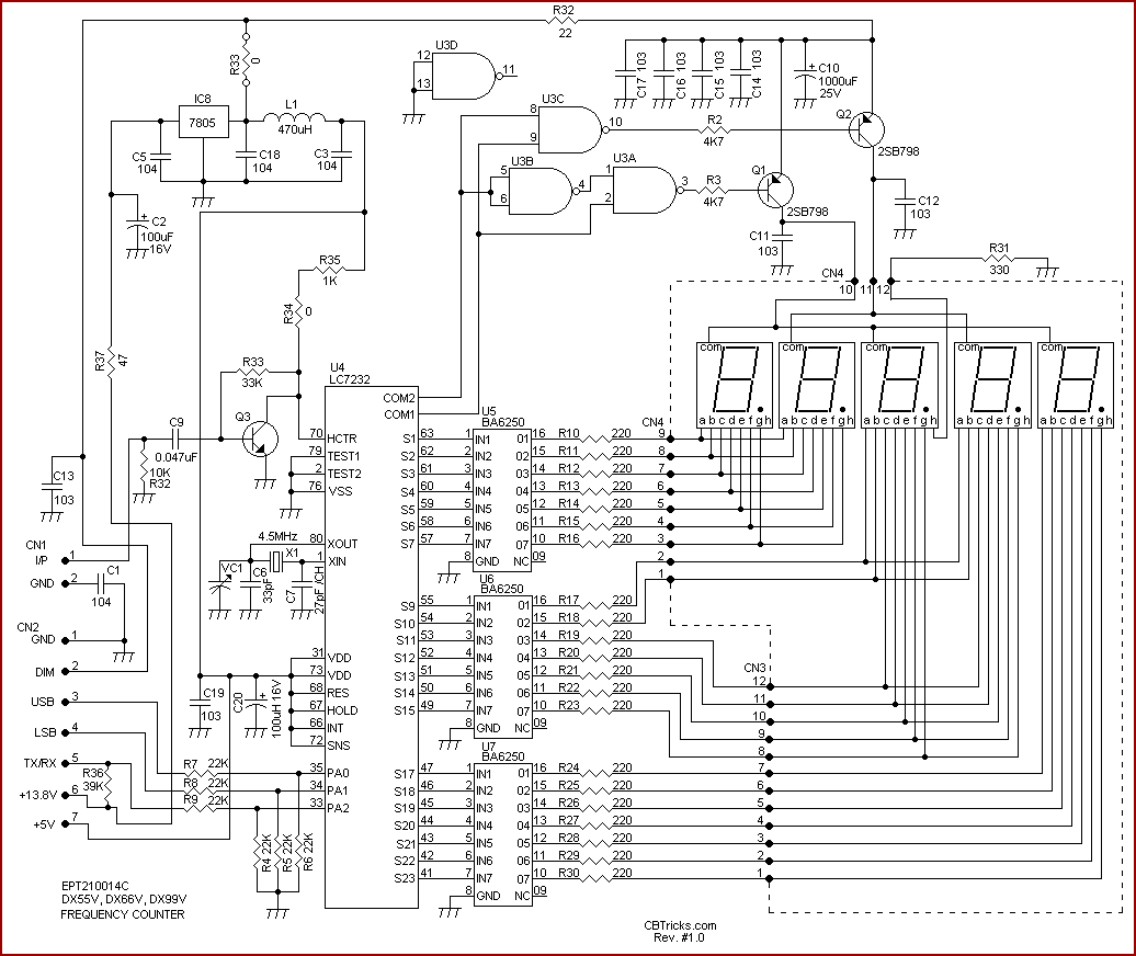
Frequency
Counter PCB Schematic Diagram
(EPT210014C)
Frequency
Counter PCB Schematic Diagram
(EPT210014D)
PCB Layouts and
Parts
Main PCB (EPT360014B
or EPT360014C)
Mic Jack PCB
(EPT360050Z)
Dimmer
PCB (EPT55V-51Z)
Frequency Counter
PCB (EPT210014C)
Frequency
Counter PCB (EPT210014D) (Started with later 2005 Production)
Channel
Selector PCB (EPT055V30Z)
Display
PCB (EPT055V20Z)
PA Preamp PCB
(EPT300110A)
Slide Switch
PCB (EPT055V40Z)
Chassis, Miscellaneous
& Mechanical Parts
Front
View Chassis Parts 
Front
View Chassis Parts 
Rear
View Chassis Parts 
Rear
View Chassis Parts 
Miscellaneous
& Mechanical Parts
Mic Wiring Diagram

|
Stock
1- Shield
(Ground)
2- Yellow (Audio)
3- Red (Transmit)
4- White (Receive)
Astatic (4
wire)
1- Shield
2- White
3- Red
4- Black
Astatic (6
wire)
1- Shield & Blue
2- White
3- Red
4- Black
Yellow NC
Daiwa EM-500
Cobra CA Series
1- Shield & Black
2- Red
3- White
4- Blue
Galaxy DC-521S
(4 wire)
1- Shield
2- Yellow
3- Red
4- Black
Galaxy CB-660EI
1- Shield & Black
2- White
3- Red
4- Blue
Sadelta
1- Shield
2- White
3- Brown
4- Green
Turner
1- Shield & Red
2- White
3- Blue
4- Black
Yellow NC
|