Galaxy
DX Radios DX66V
Documentation Project
CBTricks.com
Echo
PCB (EPT0SSB51J) Board Layout
Trace Layout
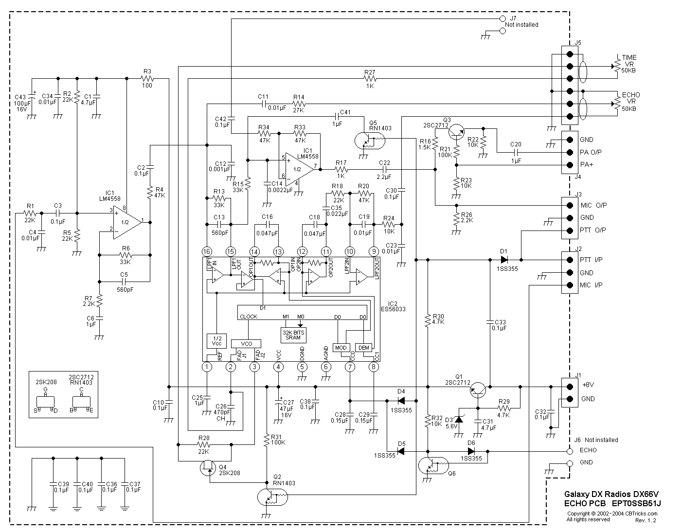
Schematic Diagram ![]()
Schematic Diagram ![]()


|
Ref. No. |
Description |
MFR. Part No. |
|
|
EB-2000B EPT0SSB51J Complete with Components |
#T-140H-P13
|
|
|
EB-2000B P.C.B. 62x46x1.6tmm(d) |
EPT0SSB51J
|
Resistors
|
Ref#
|
Description |
MFR.
Part No.
|
|
R1 |
CHIP/F/R (SMD) 22K OHM 0.1W |
RCY012234Z |
|
R2 |
CHIP/F/R (SMD) 22K OHM 0.1W |
RCY012234Z |
|
R3 |
CHIP/F/R (SMD) 100 OHM 0.1W |
RCY011014Z |
|
R4 |
CHIP/F/R (SMD) 47K OHM 0.1W |
RCY014734Z |
|
R5 |
CHIP/F/R (SMD) 22K OHM 0.1W |
RCY012234Z |
|
R6 |
CHIP/F/R (SMD) 33K OHM 0.1W |
RCY013334Z |
|
R7 |
CHIP/F/R (SMD) 2.2K OHM 0.1W |
RCY012224Z |
|
R13 |
CHIP/F/R (SMD) 33K OHM 0.1W |
RCY013334Z |
|
R14 |
CHIP/F/R (SMD) 27K OHM 0.1W 5% |
RCY012734Z |
|
R15 |
CHIP/F/R (SMD) 33K OHM 0.1W |
RCY013334Z |
|
R16 |
CHIP/F/R (SMD) 1.5K OHM 0.1W |
RCY011524Z |
|
R17 |
CHIP/F/R (SMD) 1K OHM 0.1W |
RCY011024Z |
|
R18 |
CHIP/F/R (SMD) 27K OHM 0.1W 5% |
RCY012734Z |
|
R20 |
CHIP/F/R (SMD) 47K OHM 0.1W |
RCY014734Z |
|
R21 |
CHIP/F/R (SMD) 100K OHM 0.1W |
RCY011044Z |
|
R22 |
CHIP/F/R (SMD) 10K OHM 0.1W |
RCY011034Z |
|
R23 |
CHIP/F/R (SMD) 10K OHM 0.1W |
RCY011034Z |
|
R24 |
CHIP/F/R (SMD) 10K OHM 0.1W |
RCY011034Z |
|
R26 |
CHIP/F/R (SMD) 2.2K OHM 0.1W |
RCY012224Z |
|
R27 |
CHIP/F/R (SMD) 1K OHM 0.1W |
RCY011024Z |
|
R28 |
CHIP/F/R (SMD) 22K OHM 0.1W |
RCY012234Z |
|
R29 |
CHIP/F/R (SMD) 4.7K OHM 0.1W |
RCY014724Z |
|
R30 |
CHIP/F/R (SMD) 4.7K OHM 0.1W |
RCY014724Z |
|
R31 |
CHIP/F/R (SMD) 100K OHM 0.1W |
RCY011044Z |
|
R32 |
CHIP/F/R (SMD) 10K OHM 0.1W |
RCY011034Z |
|
R33 |
CHIP/F/R (SMD) 47K OHM 0.1W |
RCY014734Z |
|
R34 |
CHIP/F/R (SMD) 47K OHM 0.1W |
RCY014734Z |
Capacitors
|
Ref#
|
Description |
MFR.
Part No.
|
|
C1 |
CHIP/C (SMD) 4.7UF 16WV Z Y5V |
CK5475AA7R |
|
C2 |
CHIP/C (SMD) 0.1UF 25WV Z Y5V |
CK2104AB7R |
|
C3 |
CHIP/C (SMD) 0.1UF 25WV Z Y5V |
CK2104AB7R |
|
C4 |
CHIP/C (SMD) 0.01UF 25WV Z Y5V |
CK2103AB7R |
|
C5 |
CHIP/C (SMD) 560PF 50WV K CH |
CK1561AB5A |
|
C6 |
CHIP/C (SMD) 1UF 16WV Z Y5V |
CK5105AB7R |
|
C10 |
CHIP/C (SMD) 0.1UF 25WV Z Y5V |
CK2104AB7R |
|
C11 |
CHIP/C (SMD) 0.01UF 25WV Z Y5V |
CK2103AB7R |
|
C12 |
CHIP/C (SMD) 0.001UF 50WV Z SL |
CK1102AB7L |
|
C13 |
CHIP/C (SMD) 560PF 50WV K CH |
CK1561AB5A |
|
C14 |
CHIP/C (SMD) 0.0022UF 50WV Y5V |
CK1222AB7R |
|
C16 |
CHIP/C (SMD) 0.047UF 50WV Z Y5V |
CK1473AB7R |
|
C18 |
CHIP/C (SMD) 0.047UF 50WV Z Y5V |
CK1473AB7R |
|
C19 |
CHIP/C (SMD) 0.01UF 25WV Z Y5V |
CK2103AB7R |
|
C20 |
CHIP/C (SMD) 1UF 16WV Z Y5V |
CK5105AB7R |
|
C22 |
CHIP/C (SMD) 2.2UF 16WV Z Y5V |
CK5225AB7R |
|
C23 |
CHIP/C (SMD) 0.01UF 25WV Z Y5V |
CK2103AB7R |
|
C25 |
CHIP/C (SMD) 1UF 16WV Z Y5V |
CK5105AB7R |
|
C26 |
CHIP/C (SMD) 470PF 50WV K CH |
CK1471AB5A |
|
C27 |
E/C 47UF 16WV Z |
CE0164767Z |
|
C28 |
CHIP/C (SMD) 0.15UF 50WV Z Y5V |
CK1154AB7R |
|
C29 |
CHIP/C (SMD) 0.15UF 50WV Z Y5V |
CK1154AB7R |
|
C30 |
CHIP/C (SMD) 0.1UF 25WV Z Y5V |
CK2104AB7R |
|
C31 |
CHIP/C (SMD) 4.7UF 16WV Z Y5V |
CK5475AA7R |
|
C32 |
CHIP/C (SMD) 0.1UF 25WV Z Y5V |
CK2104AB7R |
|
C33 |
CHIP/C (SMD) 0.1UF 25WV Z Y5V |
CK2104AB7R |
|
C34 |
CHIP/C (SMD) 0.01UF 25WV Z Y5V |
CK2103AB7R |
|
C35 |
CHIP/C (SMD) 0.022UF 50WV M Z5U |
CK1223AB6U |
|
C36 |
CHIP/C (SMD) 0.1UF 25WV Z Y5V |
CK2104AB7R |
|
C37 |
CHIP/C (SMD) 0.1UF 25WV Z Y5V |
CK2104AB7R |
|
C38 |
CHIP/C (SMD) 0.1UF 25WV Z Y5V |
CK2104AB7R |
|
C39 |
CHIP/C (SMD) 0.1UF 25WV Z Y5V |
CK2104AB7R |
|
C40 |
CHIP/C (SMD) 0.1UF 25WV Z Y5V |
CK2104AB7R |
|
C41 |
CHIP/C (SMD) 1UF 16WV Z Y5V |
CK5105AB7R |
|
C42 |
CHIP/C (SMD) 0.1UF 25WV Z Y5V |
CK2104AB7R |
|
C43 |
E/C 100UF 16WV Z |
CE0161077Z |
Integrated Circuits
|
Ref. No. |
Description |
MFR. Part No. |
|
IC1 |
I.C. (SMD) NJM4558M 8PIN |
YNJR04558M |
|
IC2 |
I.C. (SMD) ES56033S 16PIN |
YNES56033S |
Transistors
|
Ref. No. |
Description |
MFR. Part No. |
|
Q1 |
T/R (SMD) 2SC2712GR-TE85L |
TY2SC2712G |
|
Q2 |
T/R (SMD) RN1403 -TE85L |
TYZRN1403Z |
|
Q3 |
T/R (SMD) 2SC2712GR-TE85L |
TY2SC2712G |
|
Q4 |
F.E.T. (SMD) 2SK208 |
FY2SK0208Z |
|
Q5 |
T/R (SMD) RN1403 -TE85L |
TYZRN1403Z |
|
Q6 |
T/R (SMD) RN1403 -TE85L |
TYZRN1403Z |
Diodes
|
Ref. No. |
Description |
MFR. Part No. |
|
D1 |
DIODE (SMD) 1SS355 |
EDSS00355Y |
|
D3 |
ZENER DIODE (SMD) RLZ 5.6V |
EDZD05569Y |
|
D4 |
DIODE (SMD) 1SS355 |
EDSS00355Y |
|
D5 |
DIODE (SMD) 1SS355 |
EDSS00355Y |
|
D6 |
DIODE (SMD) 1SS355 |
EDSS00355Y |
Connectors
|
Ref. No. |
Description |
MFR. Part No. |
|
J1 |
PCB CONNECTOR/S 2P PH=2MM |
EX07N48223 |
|
J1 |
WIRE CONNECTOR/H 2P L=180MM PH=2MM |
EX07N48888 |
|
J2 |
PCB CONNECTOR/S 3P T PH=2.5(WHITE) |
EX07N41227 |
|
J3 |
PCB CONNECTOR/S 3P T PH=2.5 |
EX07N41216 |
|
J3-MAIN(J12) |
WIRE CONNECTOR/H 3P-3P L=130MM |
EX07N48902 |
|
J4 |
PCB CONNECTOR/S 3P PH=2MM |
EX07N48350 |
|
J4 |
WIRE CONNECTOR/H 3P L=240mm PH=2mm |
EX07N49013 |
|
J5 |
PCB CONNECTOR/S 6P PH=2 |
EX07N48331 |
|
J5 |
WIRE CONNECTOR/H 6P L=280MM PH=2 |
EX07N49116 |
Hardware
|
Ref. No. |
Description |
MFR. Part No. |
|
ECHO COVER |
MT2100061X |
|
|
ECHO BOX |
MT2100070X |
|
|
BRACKET OF ECHO BOX |
MT2100081X |
|
|
SET SCREW M3x0.5Px6 |
JS053006MN |
|
|
FIBER BOARD |
XZZZ90376Z |
|
|
SET SCREW M3x0.5x4 |
JS013004MY |
Disclaimer: Although the greatest care has been taken while compiling these documents,
we cannot guarantee that the instructions will work on every radio presented.