Galaxy
DX Radios DX88HL
Documentation Project
CBTricks.com
Frequency Counter Board
Layout (EPT210010A) Very Early Production
Alignment Info
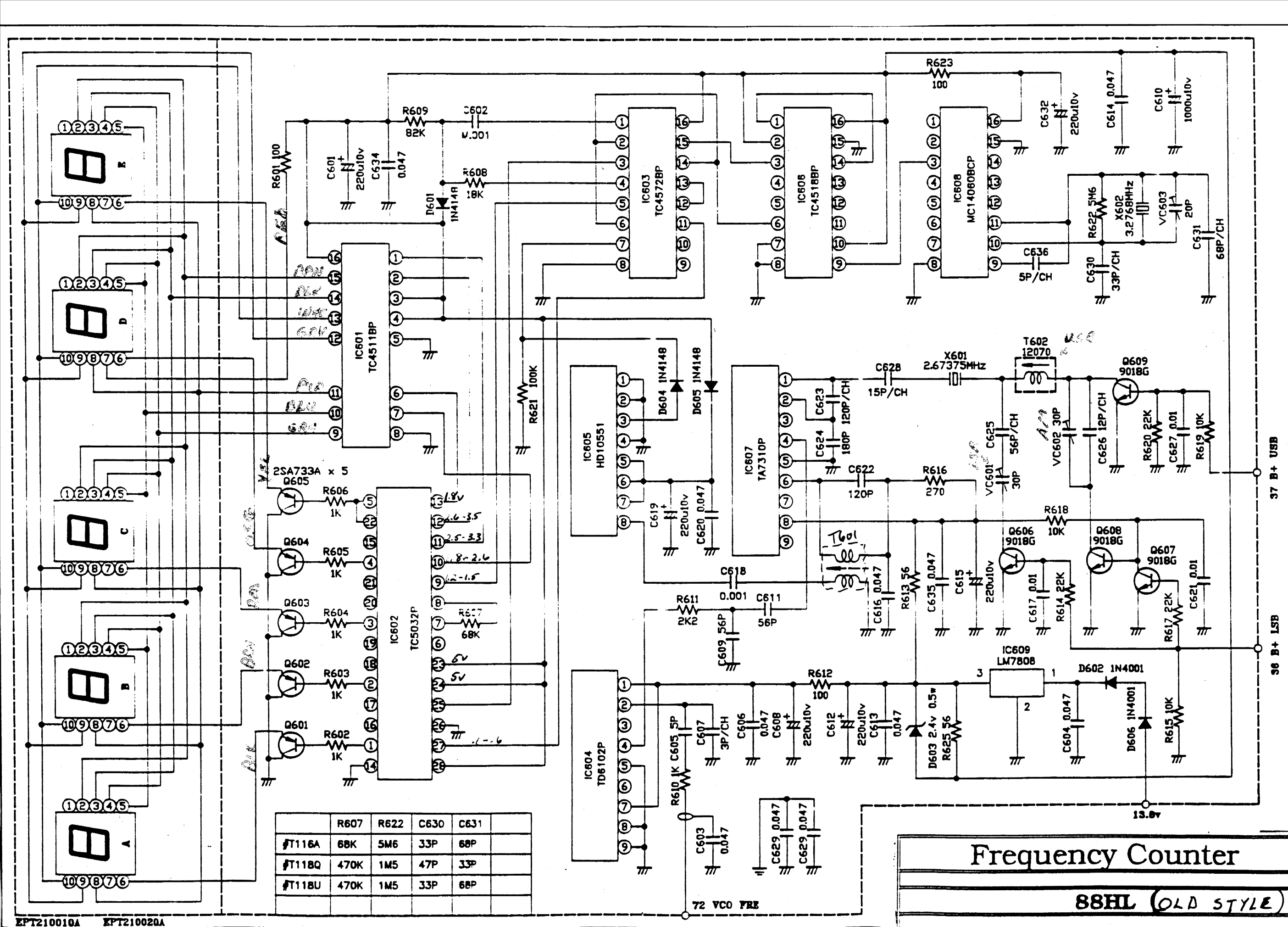
Schematic Diagram
(gif)
EPT210010A Trace Layout


|
Ref#
|
Description |
MFR.
Part No.
|
|
|
COUNTER P.C.B EPT210010A |
T-118U-P02 |
|
|
P.C.B.135X47.5X1.6 |
EPT210010A |
Resistors
|
Ref#
|
Description |
MFR.
Part No.
|
|
R601 |
C/F/R F-TYPE 100 OHM 1/4W U |
RCU141014Z |
|
R602 |
C/F/R F-TYPE 1K OHM 1/4W U |
RCU141024Z |
|
R603 |
C/F/R F-TYPE 1K OHM 1/4W U |
RCU141024Z |
|
R604 |
C/F/R F-TYPE 1K OHM 1/4W U |
RCU141024Z |
|
R605 |
C/F/R F-TYPE 1K OHM 1/4W U |
RCU141024Z |
|
R606 |
C/F/R F-TYPE 1K OHM 1/4W U |
RCU141024Z |
|
R607 |
C/F/R 470K OHM 1/4W U |
RCU144744Z |
|
R608 |
C/F/R 18K OHM 1/4W U |
RCU141834Z |
|
R609 |
C/F/R 82K OHM 1/4W U |
RCU148234Z |
|
R610 |
C/F/R F-TYPE 1K OHM 1/4W U |
RCU141024Z |
|
R612 |
C/F/R F-TYPE 100 OHM 1/4W U |
RCU141014Z |
|
R613 |
C/F/R 56 OHM 1/4W U |
RCU145604Z |
|
R614 |
C/F/R F-TYPE 22K OHM 1/4W U |
RCU142234Z |
|
R615 |
C/F/R F-TYPE 10K OHM 1/4W U |
RCU141034Z |
|
R616 |
C/F/R 270 OHM 1/4W U |
RCU142714Z |
|
R617 |
C/F/R F-TYPE 22K OHM 1/4W U |
RCU142234Z |
|
R618 |
C/F/R F-TYPE 10K OHM 1/4W U |
RCU141034Z |
|
R619 |
C/F/R F-TYPE 10K OHM 1/4W U |
RCU141034Z |
|
R620 |
C/F/R F-TYPE 22K OHM 1/4W U |
RCU142234Z |
|
R621 |
C/F/R F-TYPE 100K OHM 1/4W U |
RCU141044Z |
|
R622 |
C/F/R 1.5M OHM 1/4W U |
RCU141554Z |
|
R623 |
C/F/R F-TYPE 100 OHM 1/4W U |
RCU141014Z |
|
R625 |
C/F/R 56 OHM 1/4W P |
RCP145604Z |
|
R626
|
C/F/R 560 OHM 1/4W U (copper side) |
RCU145614Z |
Trimmer Capacitors
|
Ref#
|
Description |
MFR.
Part No.
|
|
VC601 |
TRIMMER/C CV05E3001 30PF 5Q |
CV050300AZ |
|
VC602 |
TRIMMER/C CV05E3001 30PF 5Q |
CV050300AZ |
|
VC603 |
TRIMMER/C CV05D2001 20PF 5Q |
CV050200AZ |
Capacitors
|
Ref#
|
Description |
MFR.
Part No.
|
|
C601 |
E/C 220UF 10WV Z |
CE0102277Z |
|
C602 |
M/C 0.001UF 50WV K |
CM0501025Z |
|
C603 |
C/C 0.047UF 50WV SL Z |
CC0504737L |
|
C604 |
C/C 0.047UF 50WV SL Z |
CC0504737L |
|
C605 |
C/C 5PF 50WV SL C |
CC0500501L |
|
C606 |
C/C 0.047UF 50WV SL Z |
CC0504737L |
|
C607 |
C/C 3PF 50WV CH C |
CC0500301A |
|
C608 |
E/C 220UF 10WV Z |
CE0102277Z |
|
C609 |
C/C 56PF 50WV SL J |
CC0505604L |
|
C610 |
E/C 1000UF 10WV Z |
CE0101087Z |
|
C611 |
C/C 56PF 50WV SL J |
CC0505604L |
|
C612 |
E/C 220UF 10WV Z |
CE0102277Z |
|
C613 |
C/C 0.047UF 50WV SL Z |
CC0504737L |
|
C614 |
C/C 0.047UF 50WV SL Z |
CC0504737L |
|
C615 |
E/C 220UF 10WV Z |
CE0102277Z |
|
C616 |
C/C 0.047UF 50WV SL Z |
CC0504737L |
|
C617 |
C/C 0.01UF 50WV SL Z |
CC0501037L |
|
C618 |
C/C 0.001UF 50WV SL Z |
CC0501027L |
|
C619 |
E/C 220UF 10WV Z |
CE0102277Z |
|
C620 |
C/C 0.047UF 50WV SL Z |
CC0504737L |
|
C621 |
C/C 0.01UF 50WV SL Z |
CC0501037L |
|
C622 |
C/C 120PF 50WV SL K |
CC0501215L |
|
C623 |
C/C 120PF 50WV CH K |
CC0501215A |
|
C624 |
C/C 560PF 50WV UJ K |
CC0505615G |
|
C625 |
C/C 56PF 50WV CH J |
CC0505604A |
|
C626 |
C/C 12PF 50WV CH J |
CC0501204A |
|
C627 |
C/C 0.01UF 50WV SL Z |
CC0501037L |
|
C628 |
C/C 15PF 50WV CH J |
CC0501504A |
|
C629 |
C/C 0.047UF 50WV SL Z |
CC0504737L |
|
C630 |
C/C 33PF 50WV CH J |
CC0503304A |
|
C631 |
C/C 68PF 50WV CH J |
CC0506804A |
|
C632 |
E/C 220UF 10WV Z |
CE0102277Z |
|
C633 |
C/C 0.047UF 50WV SL Z |
CC0504737L |
|
C634 |
C/C 0.047UF 50WV SL Z |
CC0504737L |
|
C635 |
C/C 0.047UF 50WV SL Z |
CC0504737L |
|
C636
|
C/C 5PF 50WV CH C (copper side) |
CC0500501A |
Integrated Circuits
|
Ref#
|
Description |
MFR.
Part No.
|
|
IC601 |
I.C.(TOSHIBA) TC4511BP 16PIN |
ENTA04511B |
|
IC602 |
I.C.(TOSHIBA) TC5032P 28PIN |
ENTA05032P |
|
IC603 |
I.C.(TOSHIBA) TC4572BP 16PIN |
ENTA04572B |
|
IC604
|
I.C.(TOSHIBA) TD6102P 9PIN |
ENTA06102P |
|
IC605 |
I.C.(HITACHI) HD10551 8PIN |
ENHI10551Z |
|
IC606 |
I.C.(TOSHIBA) TC4518BP 16PIN |
ENTA04518B |
|
IC607 |
I.C.(TOSHIBA) TA7310P 9PIN |
ENTA07310P |
|
IC608 |
I.C.(MOTOROLA) MC14060BCP 16PIN |
ENMC14060B |
|
IC609 |
I.C.(MOTOROLA) LM7808 3PIN |
ENMC07808Z |
Transistors
|
Ref#
|
Description |
MFR.
Part No.
|
|
TR601 |
T/R 2SA733P |
T2SA00733P |
|
TR602 |
T/R 2SA733P |
T2SA00733P |
|
TR603 |
T/R 2SA733P |
T2SA00733P |
|
TR604 |
T/R 2SA733P |
T2SA00733P |
|
TR605 |
T/R 2SA733P |
T2SA00733P |
|
TR606 |
T/R 9018G |
TZZZ09018G |
|
TR607 |
T/R 9018G |
TZZZ09018G |
|
TR608 |
T/R 9018G |
TZZZ09018G |
|
TR609 |
T/R 9018G |
TZZZ09018G |
Crystals
|
Ref#
|
Description |
MFR.
Part No.
|
|
X601 |
CRYSTAL HC-49U 2.67375MHZ 20PPM |
EYCAD02673 |
|
X602 |
CRYSTAL HC-49U 3.2768MHZ 20PPM |
EYCAD03276 |
Inductors
|
Ref#
|
Description |
MFR.
Part No.
|
|
T601 |
I.F.T. |
ECIFT12012 |
|
T602 |
I.F.T. |
ECIFT12070 |
Diodes
|
Ref#
|
Description |
MFR.
Part No.
|
|
D601 |
DIODE 1N4148 |
ED1N04148Z |
|
D602 |
DIODE 1N4001 |
ED1N04001Z |
|
D603 |
ZENER DIODE 2.4V 0.5W |
EDZD05249Z |
|
D604 |
DIODE 1N4148 |
ED1N04148Z |
|
D605 |
DIODE 1N4148 |
ED1N04148Z |
|
D606 |
DIODE 1N4001 |
ED1N04001Z |
Connectors
|
Ref#
|
Description |
MFR.
Part No.
|
|
J10 |
PCB CONNECTOR/S 4P L TYPE |
EX07N41283 |
|
J11 |
PCB CONNECTOR/S 16P L |
EX07N41277 |
Jumper Wire
|
Ref#
|
Description |
MFR.
Part No.
|
|
J1 |
JUMPER WIRE 7x10x7mm |
WX01070710 |
|
J2 |
JUMPER WIRE 7x12x7mm |
WX01070712 |
|
J3 |
JUMPER WIRE 7x10x7mm |
WX01070710 |
|
J4 |
JUMPER WIRE 7x10x7mm |
WX01070710 |
|
J5 |
TUMPER WIRE 7x9x7mm |
WX01070709 |
|
J6 |
JUMPER WIRE 7x7x7mm |
WX01070707 |
|
J7 |
JUMPER WIRE 7x6x7mm |
WX01070706 |
|
J8 |
JUMPER WIRE 7x7x7mm |
WX01070707 |
|
J9 |
JUMPER WIRE 7x14x7mm |
WX01070714 |
Disclaimer: Although the greatest care has been taken while compiling these documents,
we cannot guarantee that the instructions will work on every radio presented.