Galaxy
DX Radios DX919
Documentation Project
CBTricks.com
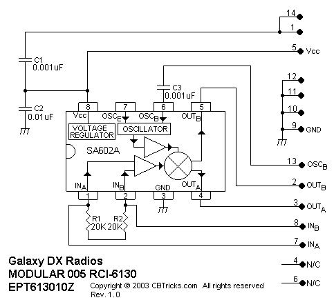
MODULAR 005 RCI-6130 Schematic Diagram

Disclaimer: Although the greatest care has been taken while compiling these documents,
we cannot guarantee that the instructions will work on every radio presented.