Galaxy DX Radios DX919
Documentation Project

CBTricks.com

TIPS:
You need to have Acrobat Reader version 5 or newer installed to view the files with icon.

If the files with or icon will not display see the Site FAQ for help on printing, viewing and using this information.

SPECIFICATIONS
      Owner's Manual
      Factory Service Manual (6 meg file size) 


Click to see full size


RADIO MODIFICATIONS
      Frequency Conversion
      Channel Chart (After Modification)

ALIGNMENT PROCEDURES 
     PLL Alignment
     Transmitter Alignment
     Receiver Alignment
     Alignment Locations

SEMICONDUCTOR INFORMATION
      Semiconductor Datasheets

DIAGRAMS
    DX919 Schematic Diagram (EPT092912Z) (July 10, 2003)
    DX919 Schematic Diagram (EPT092913Z) (June 30, 2004)
    Control Schematic Diagram (July 10, 2003)
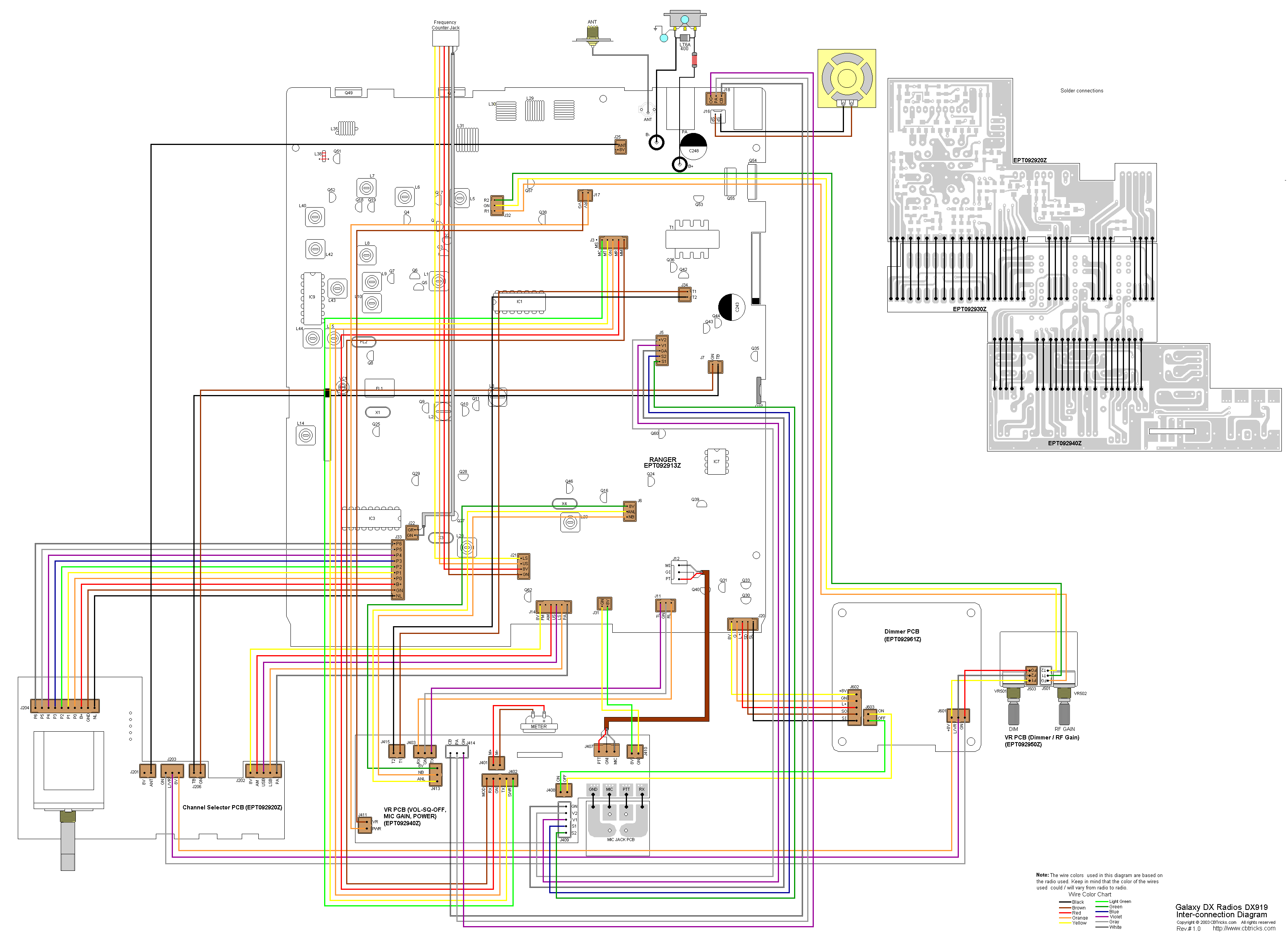
    DX919 Inter-connection Diagram
    DX919 Inter-connection Diagram

PCB Layouts and Parts
    Main PCB Layout (EPT092912Z, EPT092913Z)
    Channel Selector PCB (EPT092920Z)
    Display / Switch PCB (EPT092930Z)
    VR PCB (VOL-SQ-OFF, MIC GAIN, POWER) (EPT092940Z)
    VR PCB (Dimmer / RF Gain) (EPT092950Z)
    Dimmer PCB (EPT092961Z)
    Modular VCO PCB (EPF000210Z)
    Modular 005 RCI-6130 (EPT613010Z)
    SWR PCB (EPT360042Z)

Chassis, Miscellaneous & Mechanical Parts
    Miscellaneous & Mechanical Parts
    Chassis Exploded View Drawing

Mic Wiring Diagram

Stock
1- Shield  (Ground)
2- Yellow  (Audio)
3- Red      (Transmit)
4- White   (Receive)

Astatic (4 wire)
1- Shield
2- White
3- Red
4- Black

Astatic (6 wire)
1- Shield & Blue
2- White
3- Red
4- Black
Yellow NC

Daiwa EM-500
Cobra CA Series

1- Shield & Black
2- Red
3- White
4- Blue

Galaxy DC-521S (4 wire)
1- Shield
2- Yellow
3- Red
4- Black

Galaxy CB-660EI
1- Shield & Black
2- White
3- Red
4- Blue

Sadelta
1- Shield
2- White
3- Brown
4- Green

Turner
1- Shield & Red
2- White
3- Blue
4- Black
Yellow NC


Copyright © 2003 CBTricks.com

Disclaimer: Although the greatest care has been taken while compiling these documents,

we cannot guarantee that the instructions will work on every radio presented.