|
RADIO MODIFICATIONS
DX949
(P5 P6) Switch Frequency Conversion
Channel
Chart (After Modification)
Viagra Board
Frequency Modification
10kc
Mod
Clarifier
Mod
Increase
Clarifier Range Update
Roger
Beep Tone Mod
FC347
Wiring Diagram for a DX949
ALIGNMENT
PLL Alignment
Transmitter Alignment
Receiver Alignment
Alignment Locations
SEMICONDUCTOR INFORMATION
Semiconductor
Datasheets
DIAGRAMS
Schematic
Diagram (Main)
(Aug. 22, 1997)
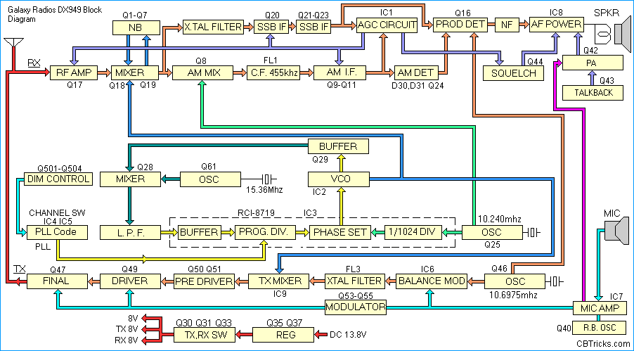
Block Diagram
DX949
Inter-connection Diagram 
DX949
Inter-connection Diagram 
PCB Layouts and
Parts
Main PCB (EPT069610Z)
Modular
VCO PCB (EPF000210Z)
Talkback
/ Clarifier Control VR PCB (EPT095950Z)
SWR PCB
(EPT360042Z)
Channel
Selector PCB (EPT094920Z)
Mic Jack
PCB (EPT690050Z)
Dimmer
PCB (EPT055V51Z)
Front Panel
Controls PCB (EPT095940Z (Early Production)
Front Panel
Controls PCB (EPT095941Z (Current Production)
Display
PCB (EPT094930Z)
ANF/GNF
PCB (EPT009830Z)
Chassis, Miscellaneous
& Mechanical Parts
Miscellaneous & Mechanical
Parts

|
Stock
1- Shield
(Ground)
2- Yellow (Audio)
3- Red (Transmit)
4- White (Receive)
Astatic (4
wire)
1- Shield
2- White
3- Red
4- Black
Astatic (6
wire)
1- Shield & Blue
2- White
3- Red
4- Black
Yellow NC
Daiwa EM-500
Cobra CA Series
1- Shield & Black
2- Red
3- White
4- Blue
Galaxy DC-521S
(4 wire)
1- Shield
2- Yellow
3- Red
4- Black
Galaxy CB-660EI
1- Shield & Black
2- White
3- Red
4- Blue
Sadelta
1- Shield
2- White
3- Brown
4- Green
Turner
1- Shield & Red
2- White
3- Blue
4- Black
Yellow NC
|