 |
RADIO MODIFICATIONS
DX949
(P5 P6) Switch Frequency Conversion
Channel
Chart (After Modification)
Viagra Board
Frequency Modification
10kc
Mod
Clarifier
Mod
Increase
Clarifier Range Update
Roger
Beep Tone Mod
FC347
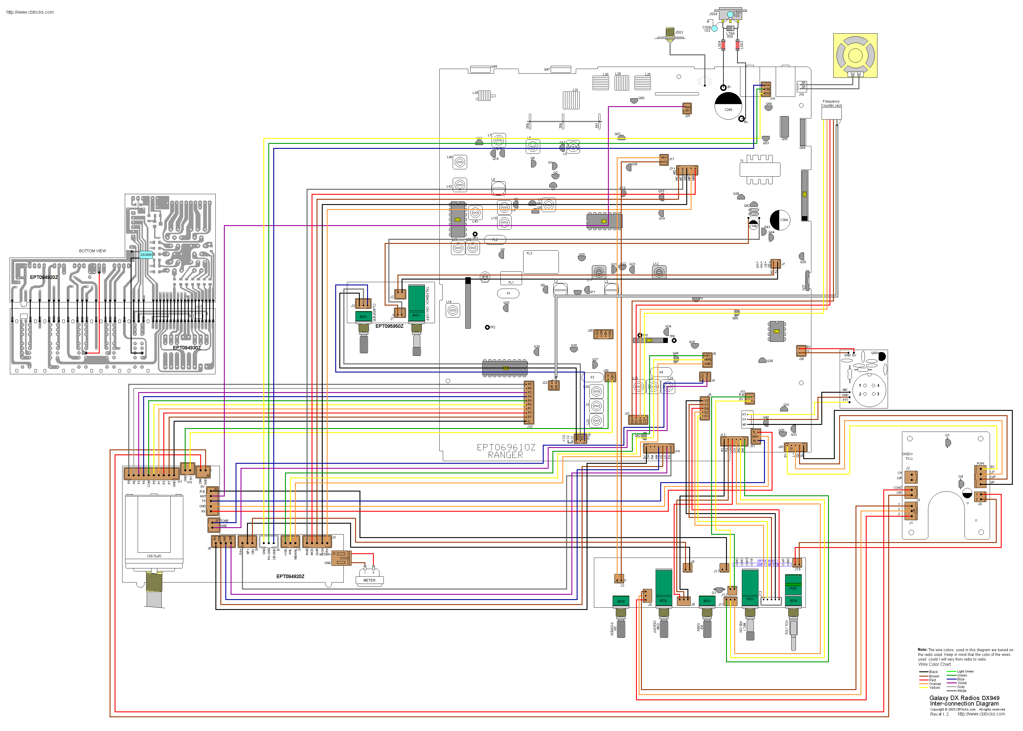
Wiring Diagram for a DX949
SEMICONDUCTOR INFORMATION
Semiconductor
Datasheets
DIAGRAMS
Schematic
Diagram
(April 01, 2008)
DX949
Inter-connection Diagram
PCB Layouts and
Parts
Main PCB (EPT069610Z)
Modular
VCO PCB (EPF000210Z)
Talkback
/ Clarifier Control VR PCB (EPT095950Z)
SWR PCB (EPT360042Z)
Channel Selector PCB (EPT094920Z)
Mic Jack PCB (EPT690050Z)
Dimmer PCB (EPT055V51Z)
Front Panel Controls PCB (EPT095940Z (Early Production)
Front Panel Controls PCB (EPT095941Z (Current
Production)
Display PCB (EPT094930Z)
ANF/GNF PCB (EPT009830Z)
Chassis, Miscellaneous
& Mechanical Parts
Miscellaneous & Mechanical
Parts

|
Stock
1- Shield
(Ground)
2- Yellow (Audio)
3- Red (Transmit)
4- White (Receive)
Astatic (4
wire)
1- Shield
2- White
3- Red
4- Black
Astatic (6
wire)
1- Shield & Blue
2- White
3- Red
4- Black
Yellow NC
Daiwa EM-500
Cobra CA Series
1- Shield & Black
2- Red
3- White
4- Blue
Galaxy DC-521S
(4 wire)
1- Shield
2- Yellow
3- Red
4- Black
Galaxy CB-660EI
1- Shield & Black
2- White
3- Red
4- Blue
Sadelta
1- Shield
2- White
3- Brown
4- Green
Turner
1- Shield & Red
2- White
3- Blue
4- Black
Yellow NC
|