Hygain 2 (2702) 3 (2703)
Documentation Project

CBTricks.com

TIPS:
You need to have Acrobat Reader version 5 or newer installed to view the files with icon.

If the files with or icon will not display see the Site FAQ for help on printing, viewing and using this information.



Factory Service Manual
       Page 1 to 29
       Page 31 to 59

 

Diagrams
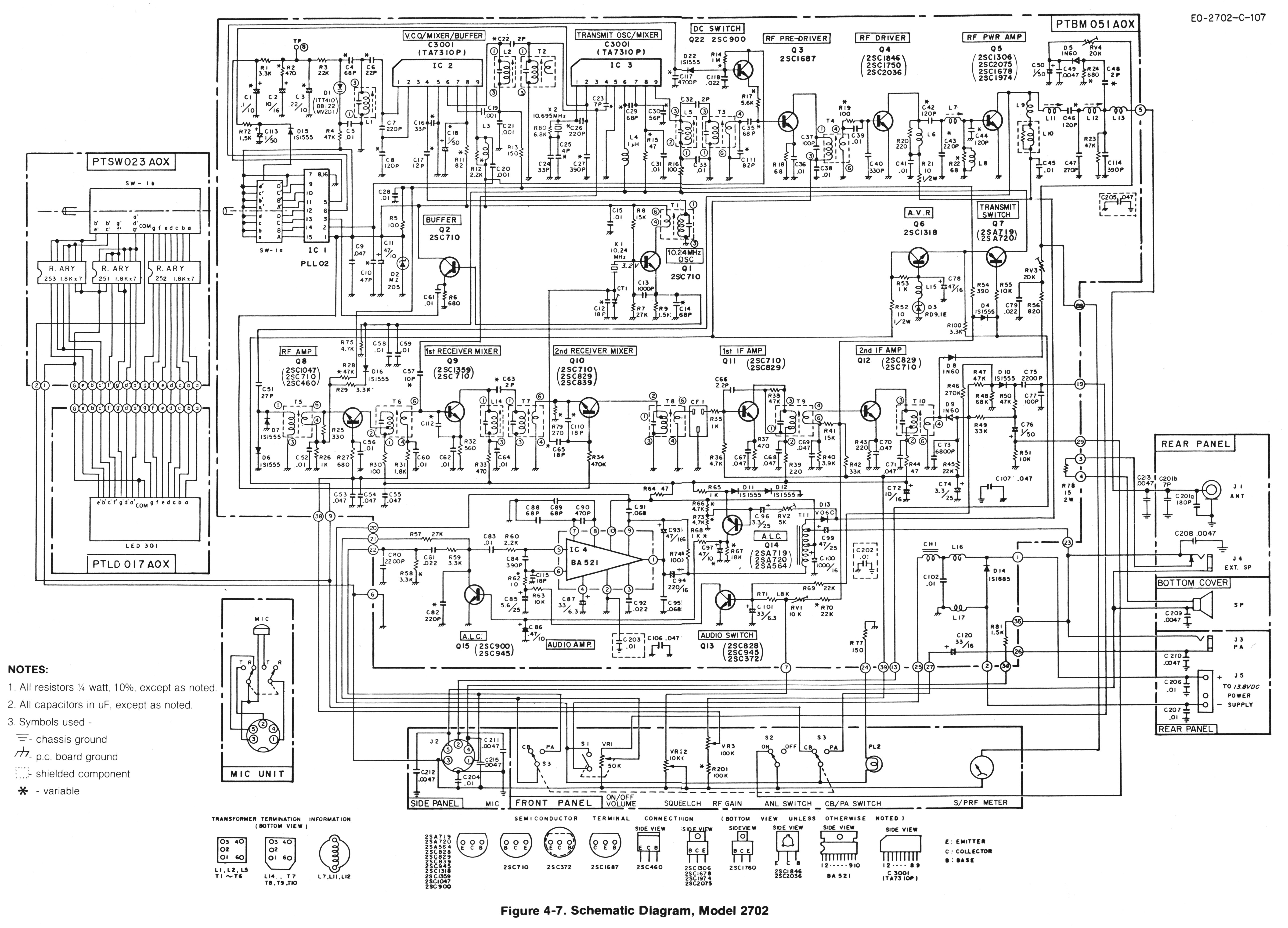
       Model 2702
       Block Diagram
       2702 Schematic
       2702 Schematic

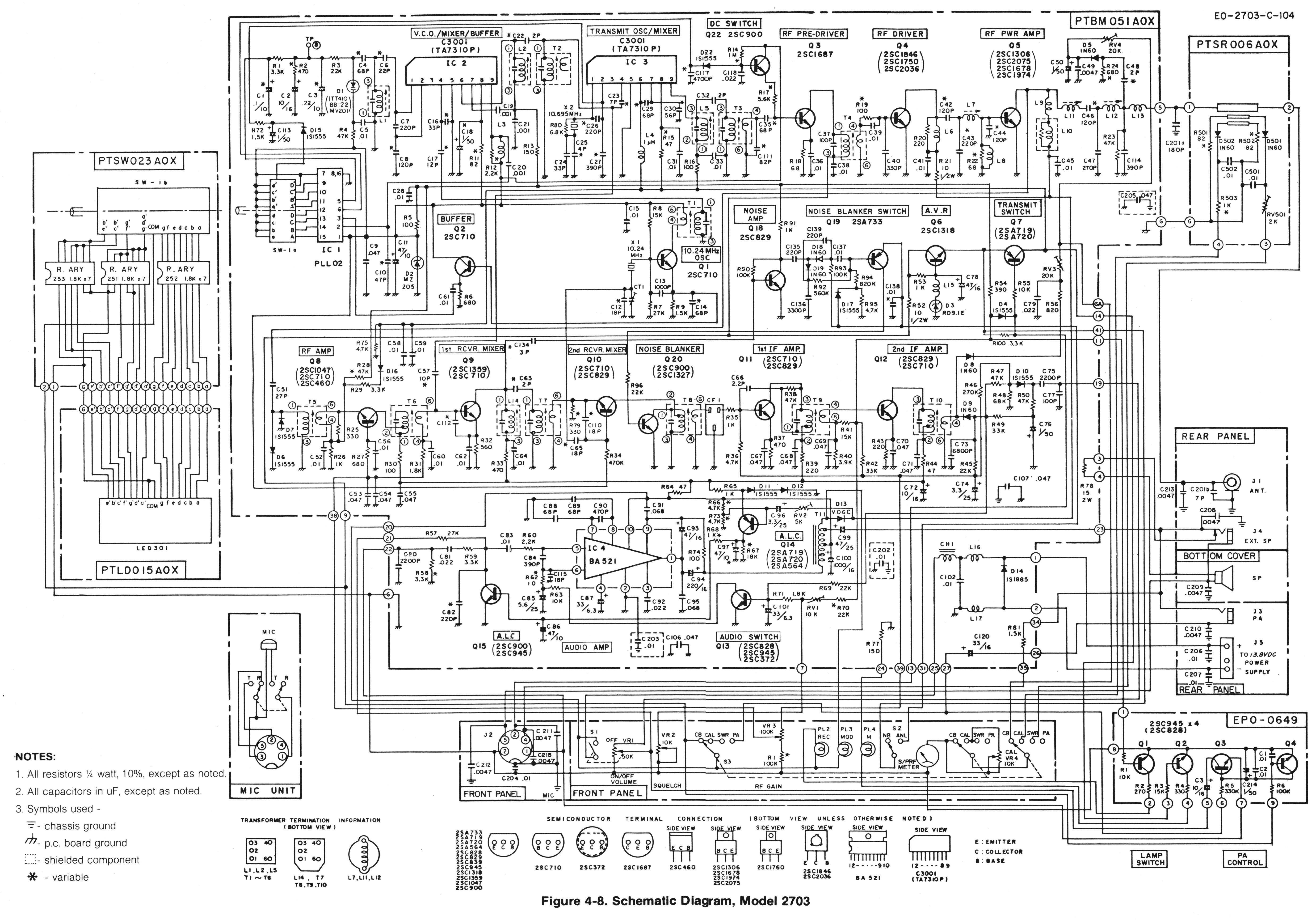
       Model 2703
       Block Diagram

       2703 Schematic

       2703 Schematic

 

Mic Wiring

Stock

1 - Audio In (mic)
2 - Transmit
3 - Shield  (ground)
4 - Audio Out
5 - Receive

Astatic
1 - White
2 - Red
3 - Shield & Blue
4 - NC
5 - Black
     Yellow NC



Copyright © 1998, 1999, 2000, 2001, 2002, 2003, 2004, 2005 CBTricks.com

Disclaimer: Although the greatest care has been taken while compiling these documents,

we cannot guarantee that the instructions will work on every radio presented.