Hygain 9 (2679)
Documentation Project

CBTricks.com

TIPS:
You need to have Acrobat Reader version 5 or newer installed to view the files with icon.

If the files with or icon will not display see the Site FAQ for help on printing, viewing and using this information.



Factory Service Manual
       Page 1 to 23
       Page 25 to 35
       Page 37 to 47
       Addendum

Diagrams
       Block Diagram
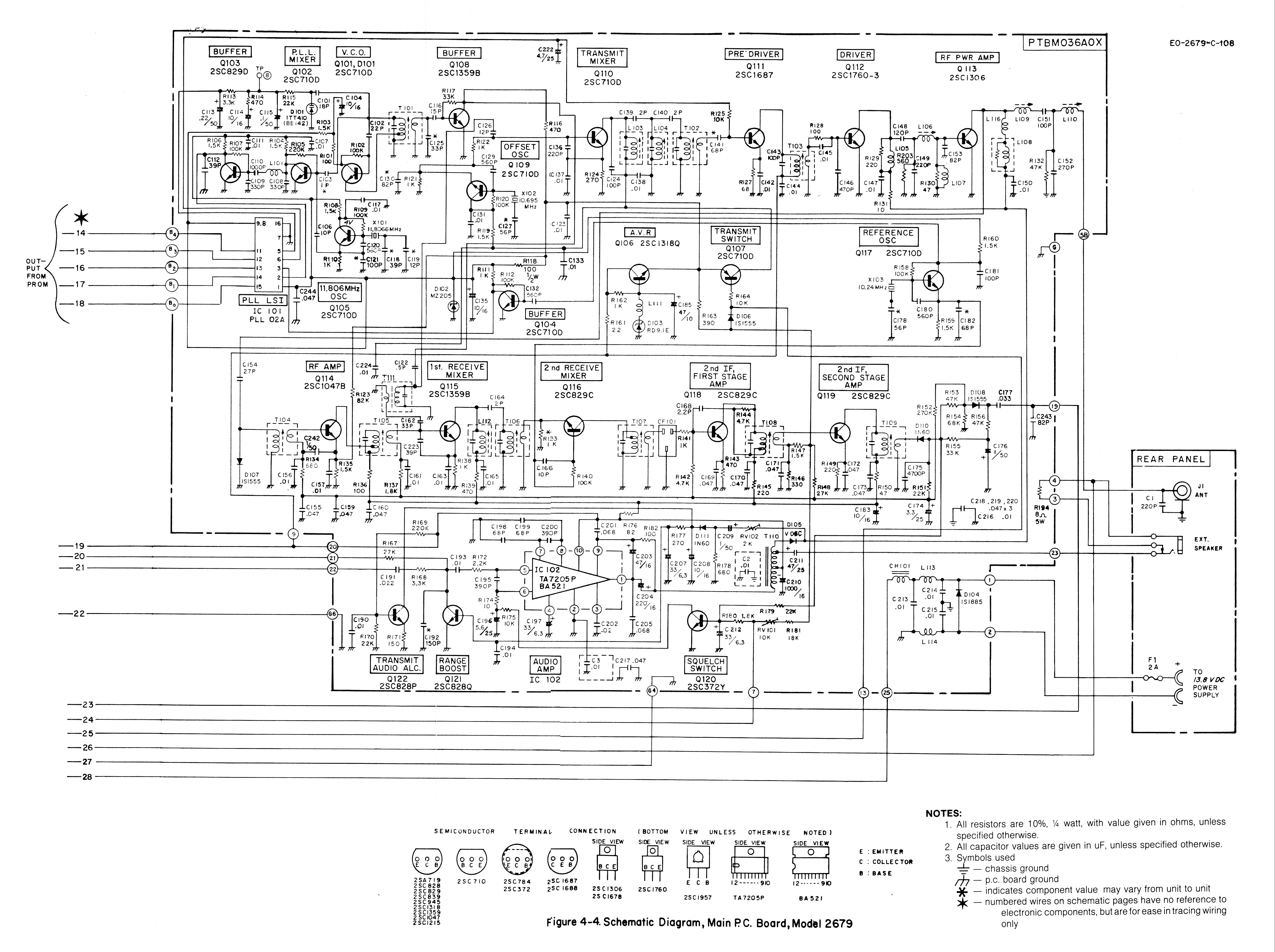
       Main Schematic
       Main Schematic
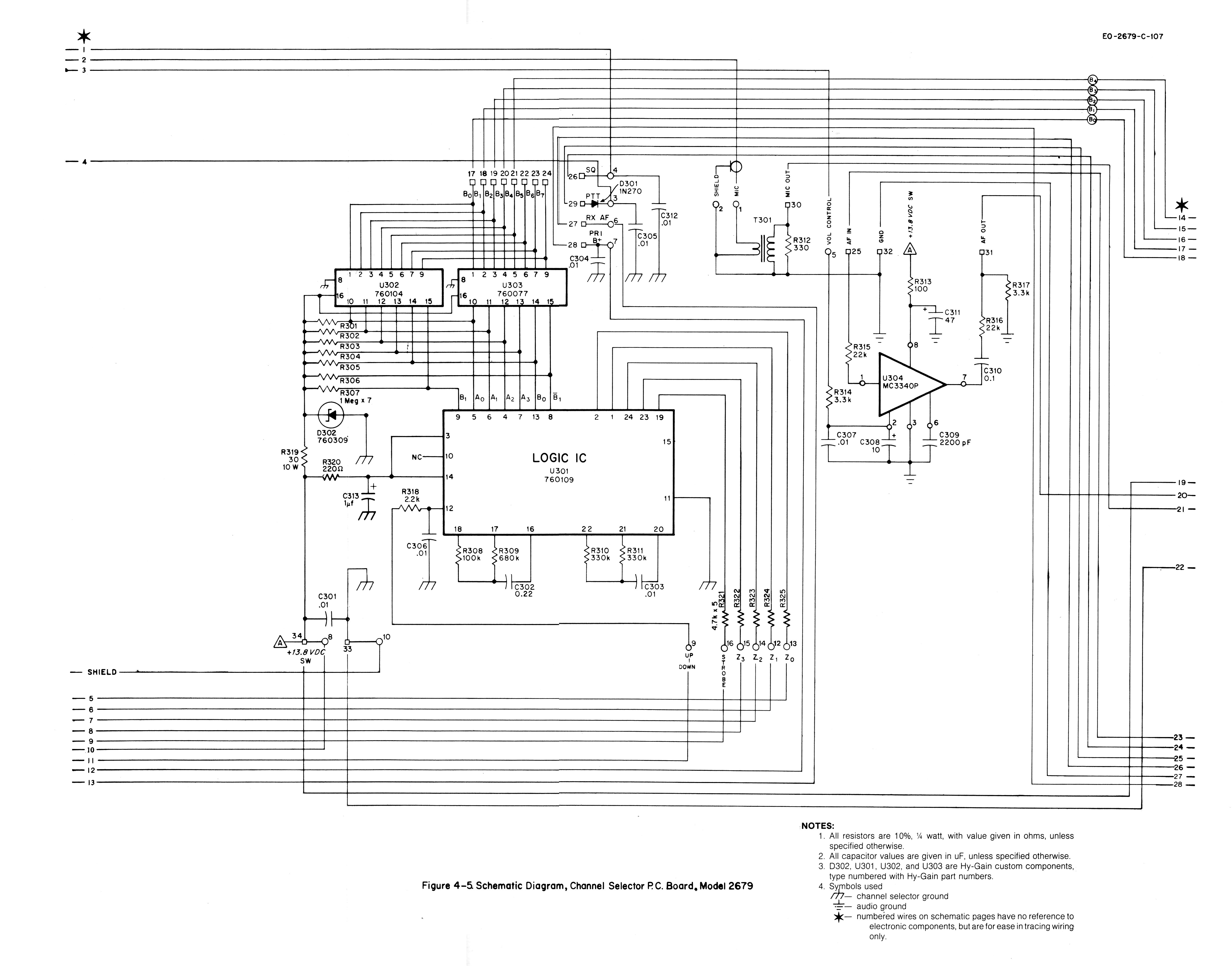
       Channel Sel. Schematic
       Channel Sel. Schematic
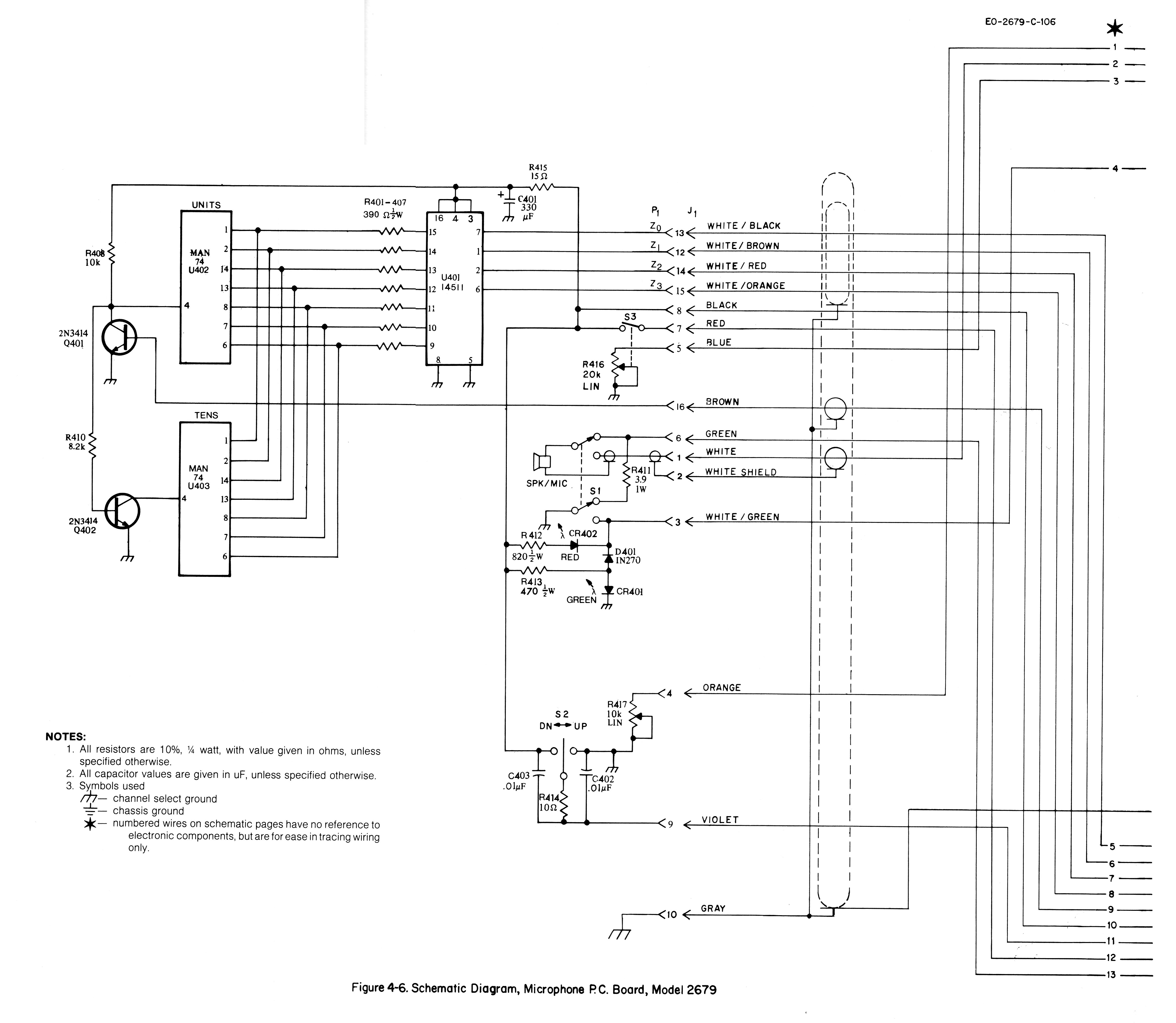
       Microphone Schematic
       Microphone Schematic

Service Bulletin
      Microphone Cord

 



Copyright © 1998, 1999, 2000, 2001, 2002, 2003, 2004, 2005 CBTricks.com

Disclaimer: Although the greatest care has been taken while compiling these documents,

we cannot guarantee that the instructions will work on every radio presented.