Lafayette HB-640
Documentation Project

CBTricks.com

TIPS:
You need to have Acrobat Reader version 5 or newer installed to view the files with icon.

If the files with or icon will not display see the Site FAQ for help on printing, viewing and using this information.



Click picture to see close-up

DIAGRAMS
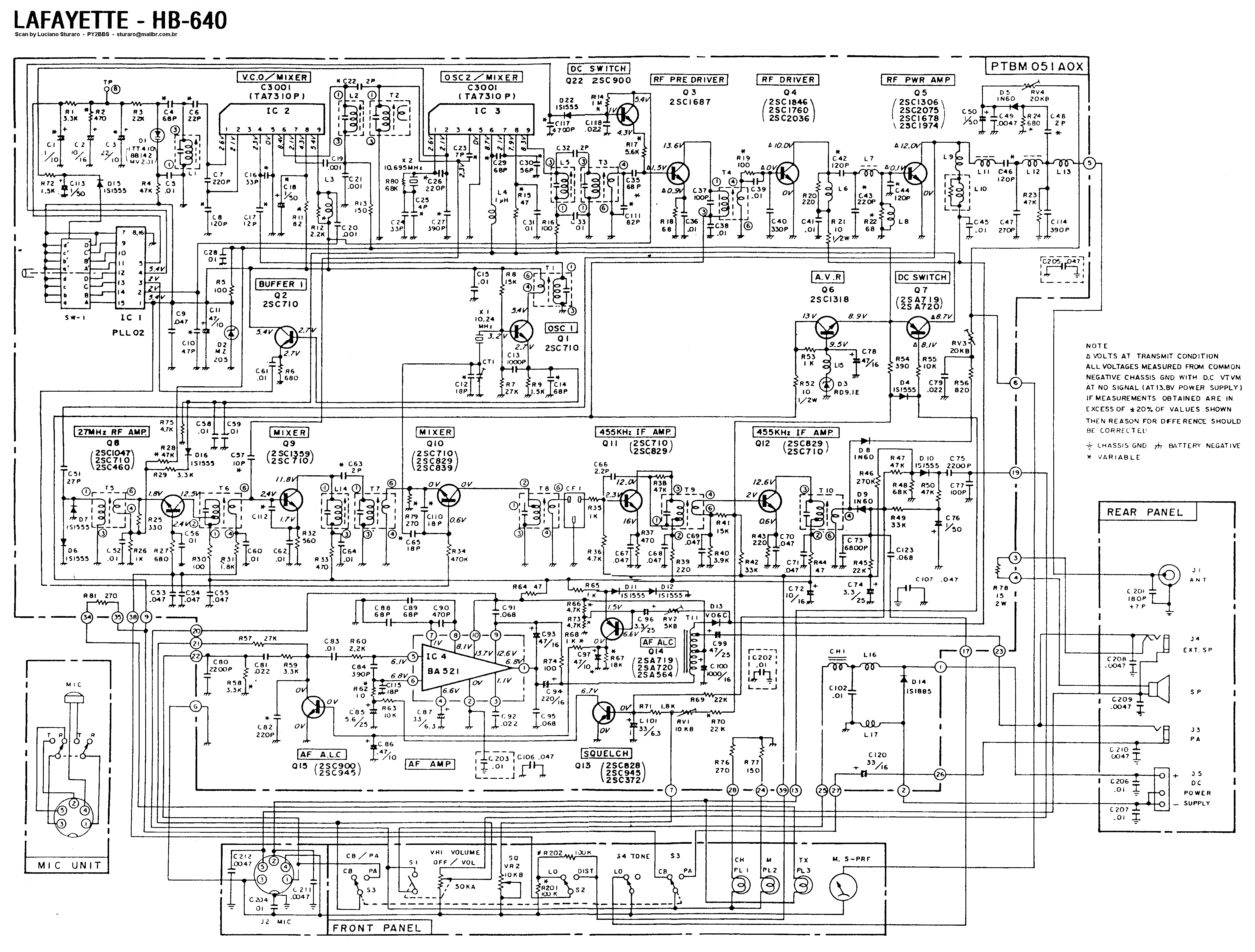
      Schematic Diagram
      Schematic Diagram

Please Note: The gif file is too large to display in the Browser.
You will need to view the graphic in some type of graphics
viewing program. Right click and save it to you hard drive
Or veiw the pdf.

Thanks to Luciano Sturaro for scanning this schematic diagram.


 




Copyright © 1998-2009 CBTricks.com

Disclaimer: CBTricks.com does not warrant the accuracy of the information contained herein nor is it responsible
for any errors or omissions and assumes no liability for the content on this site.
While the CBTricks.com uses reasonable efforts to include accurate and up to date information, CBTricks.com makes no warranties or representations as to its accuracy
or timeliness and assumes no liability or responsibility for any errors or omissions in the Content of this site.

http://www.cbtricks.com