Midland 13-862
Documentation Project

CBTricks.com

TIPS:
You need to have Acrobat Reader version 5 or newer installed to view the files with icon.

If the files with or icon will not display see the Site FAQ for help on printing and using this information.



Owner's Manual
     
Cover Page
     Owner's Manual

DIAGRAMS
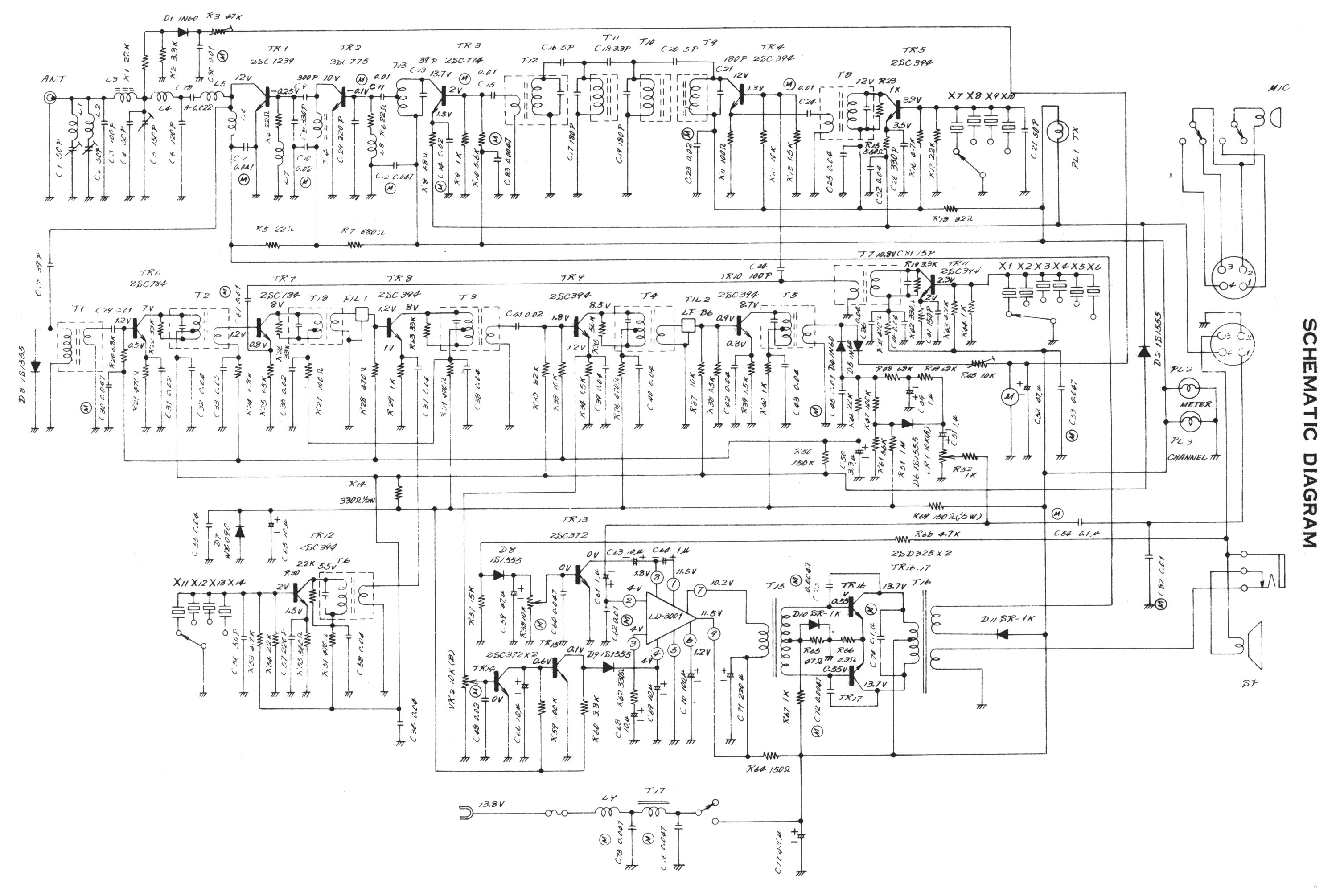
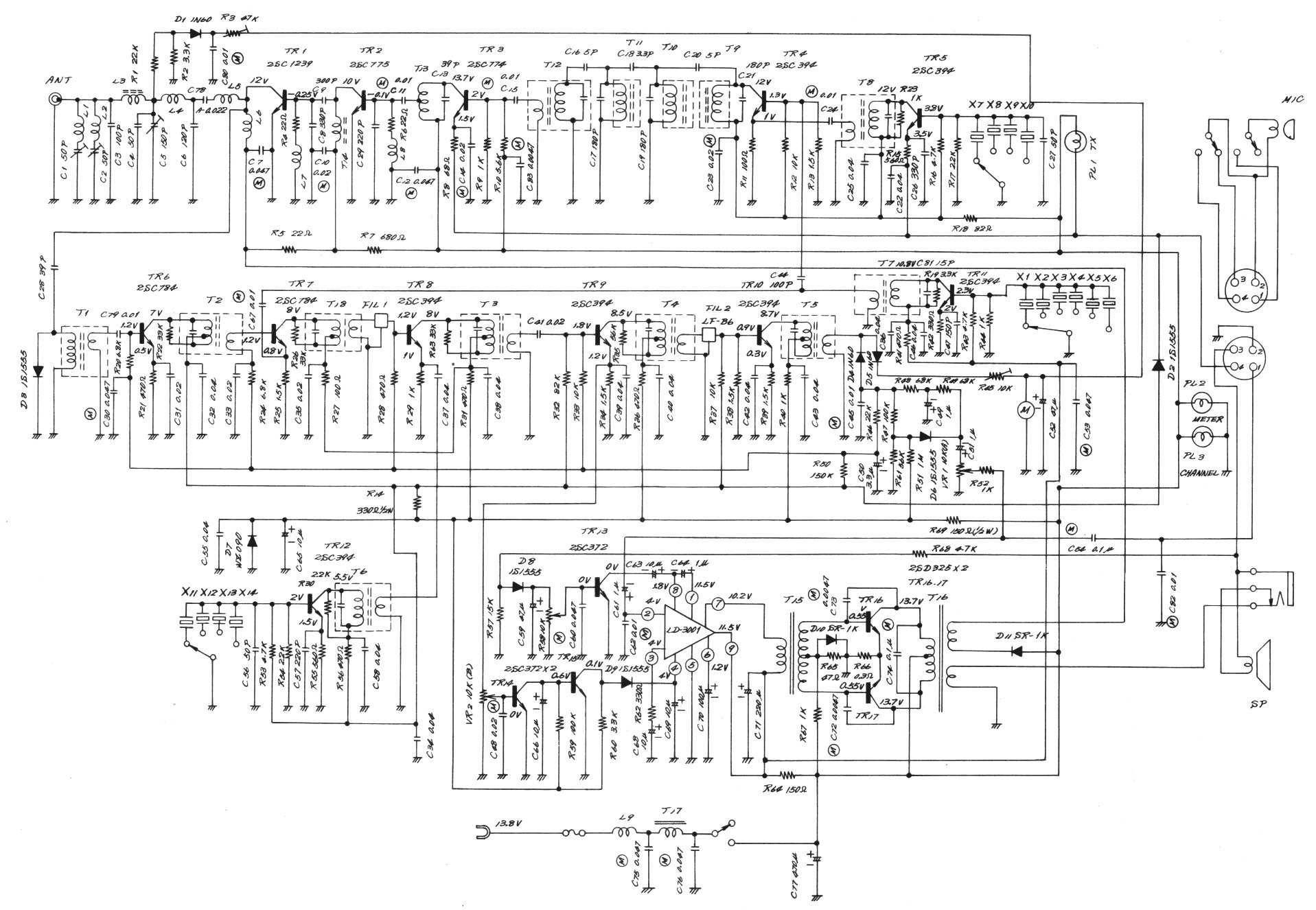
     Schematic
     Schematic

Factory Service Manual
      Service Manual

DIAGRAMS (Service Manual)
      Schematic Diagram (11x17)
      Schematic Diagram


 



Copyright © 1998, 1999, 2000, 2001, 2002, 2003, 2004, 2005 CBTricks.com

Disclaimer: Although the greatest care has been taken while compiling these documents,

we cannot guarantee that the instructions will work on every radio presented.