President George
Documentation Project

CBTricks.com

TIPS:
You need to have Acrobat Reader version 5 or newer installed to view the files with icon.

If the files with or icon will not display see the Site FAQ for help on printing and using this information.



Service Manual (4.7meg) Thanks to Exit 41 CB Shop for this

DIAGRAMS
    Schematic Diagram Main PCB
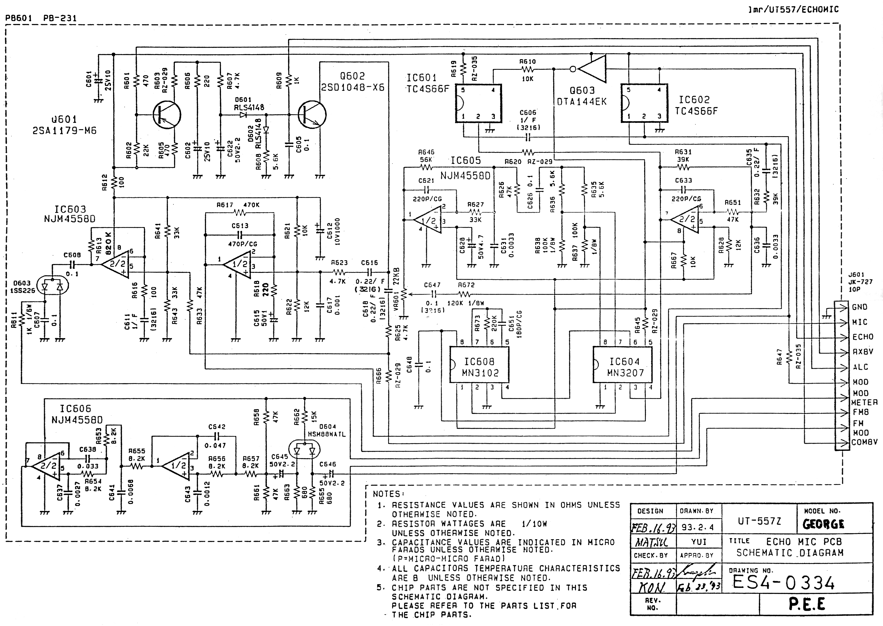
    Schematic Diagram ECHO PCB
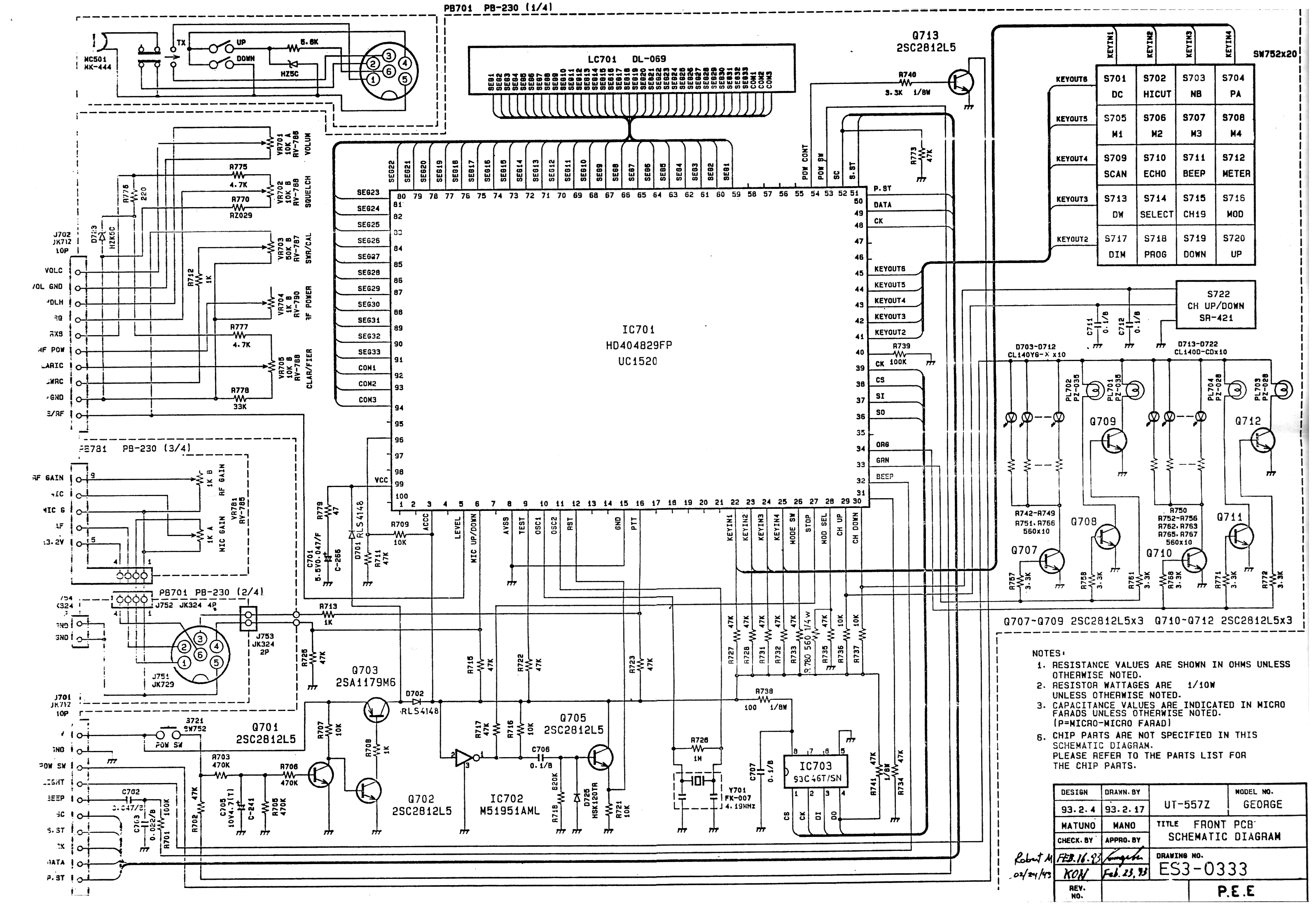
    Schematic Diagram CPU PCB


 



Copyright © 1998, 1999, 2000, 2001, 2002, 2003, 2004, 2005 CBTricks.com

Disclaimer: Although the greatest care has been taken while compiling these documents,

we cannot guarantee that the instructions will work on every radio presented.