RCA 14T276
Documentation Project

CBTricks.com

TIPS:
You need to have Acrobat Reader version 5 or newer installed to view the files with icon.

If the files with or icon will not display see the Site FAQ for help on printing and using this information.



Factory Service Manual
       Cover Page
       Page 2 to 13

       Page 14 to 26


Diagrams
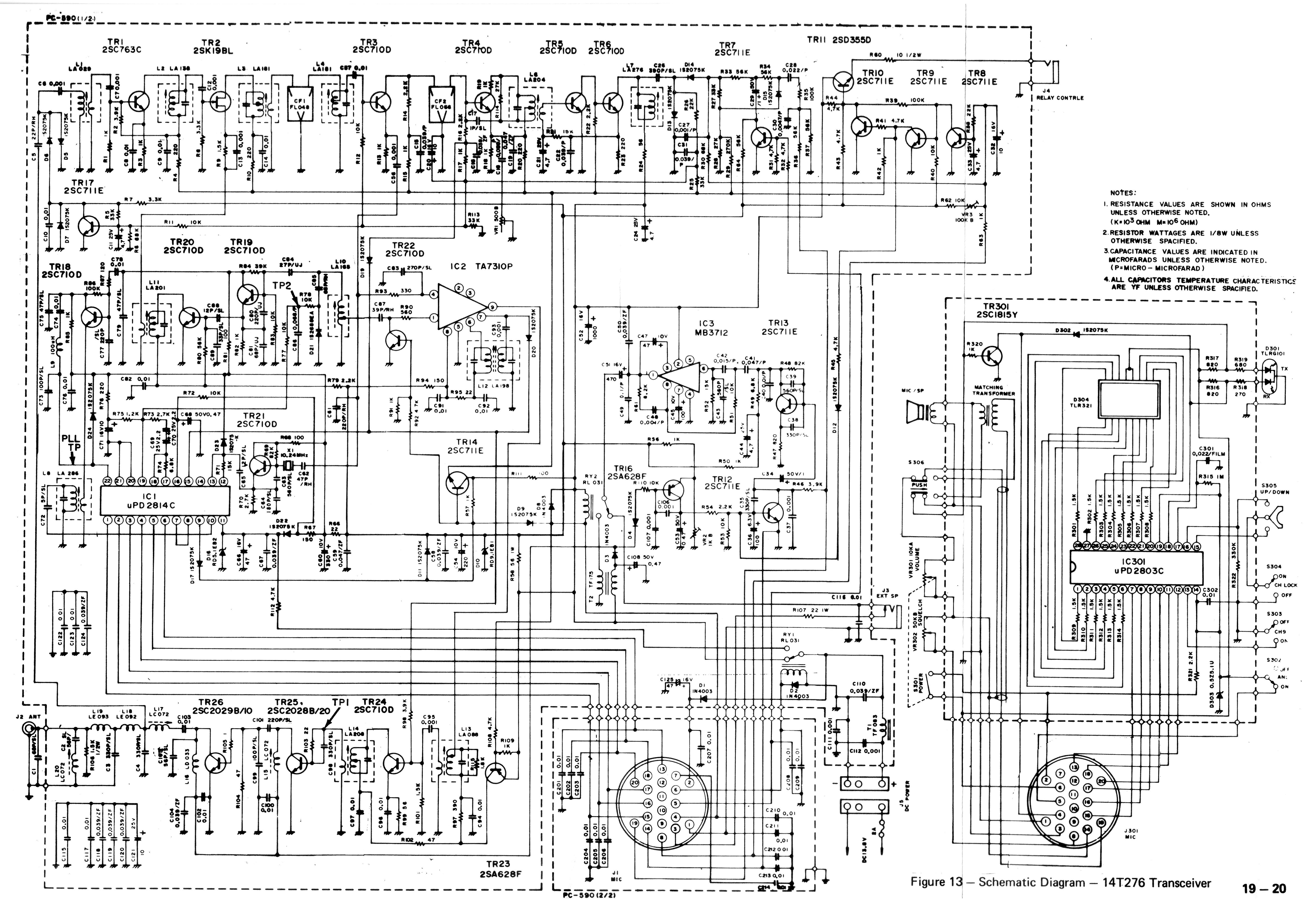
       Page 19 / 20 (Schematic)
       Page 19 / 20
(Schematic)



 

 

 



Copyright © 1998, 1999, 2000, 2001, 2002, 2003, 2004, 2005 CBTricks.com

Disclaimer: Although the greatest care has been taken while compiling these documents,

we cannot guarantee that the instructions will work on every radio presented.