Ranger RCI-2900
Documentation Project
CBTricks.com

TIPS:
You need to have Acrobat Reader version 5 or newer installed to view the files with icon.

If the files with or icon will not display see the Site FAQ for help on printing and using this information.


Manuals
    Factory Service Manual

Radio Modifications
     Frequency Modification

Diagrams
    Main Schematic Diagram
    Main Schematic Diagram
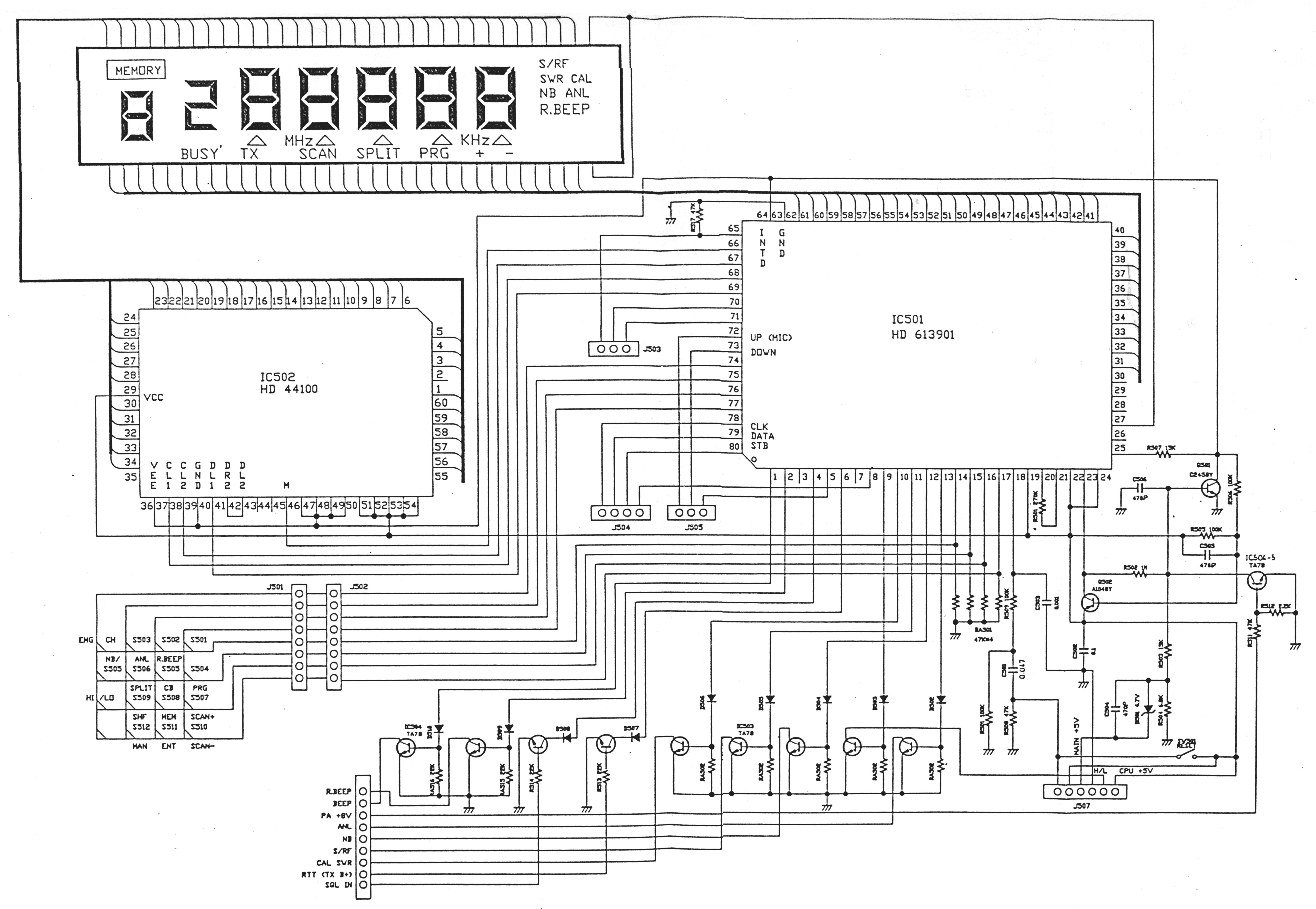
    CPU PCB Schematic Diagram
    CPU PCB Schematic Diagram

 

 

 

 

 



Copyright © 1998, 1999, 2000, 2001, 2002, 2003, 2004, 2005, 2006 CBTricks.com

Disclaimer: Although the greatest care has been taken while compiling these documents,

we cannot guarantee that the instructions will work on every radio presented.