Ranger
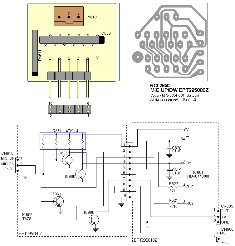
RCI-2950
Documentation Project
CBTricks.com
MIC UP/DW PCB (EPT295080Z)

Disclaimer: Although the greatest care has been taken while compiling these documents,
we cannot guarantee that the instructions will work on every radio presented.