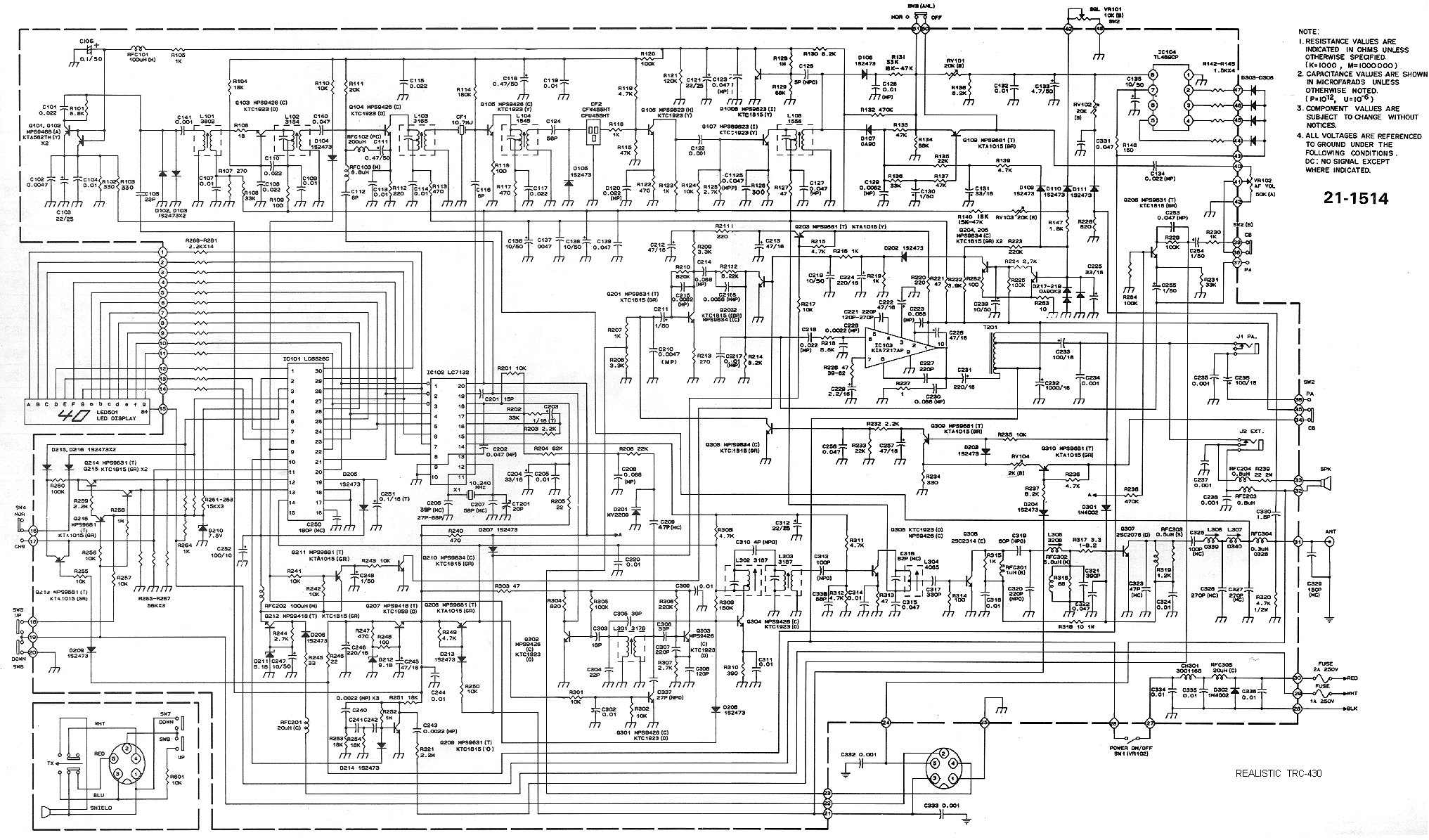
Realisitic TRC-430
Documentation Project

CBTricks.com

Schematic Diagram