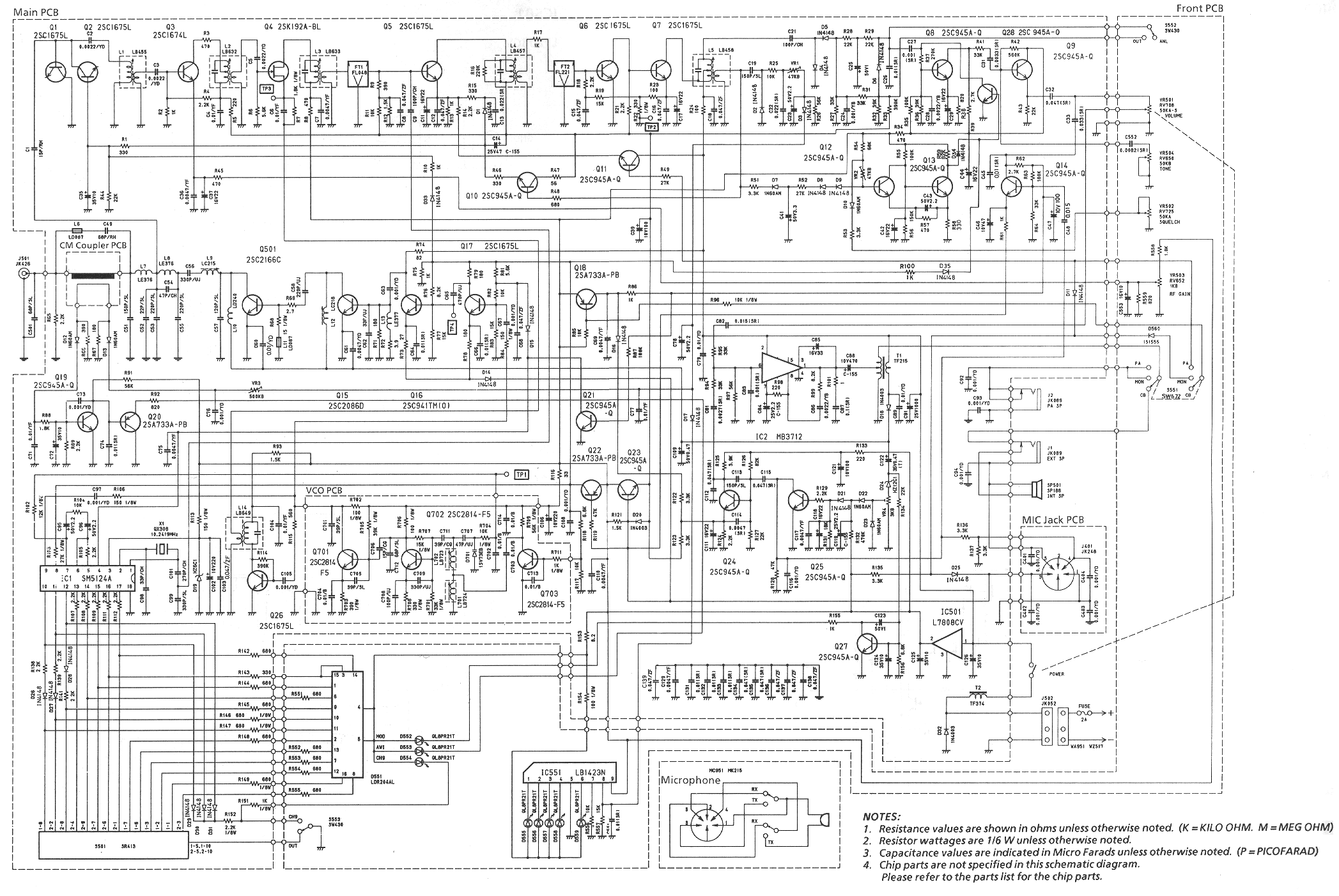
Realisitic TRC-435
Documentation Project

CBTricks.com

Schematic Diagram