Royce 1-601
Documentation Project

CBTricks.com

TIPS:
You need to have Acrobat Reader version 5 or newer installed to view the files with icon.

If the files with or icon will not display see the Site FAQ for help on printing and using this information.



Vintage Advertising

Manuals
    Service Manual (Series 1 and 3)

    Series 1
    Owner's Manual
     Page 1 to 8
     Page 9 to 16
     Alignment Instructions
     Voltage Chart

    Series 3
    Owner's Manual
     Page 1 to 8
     Page 9 to 15
     Alignment Instructions
     Voltage Chart

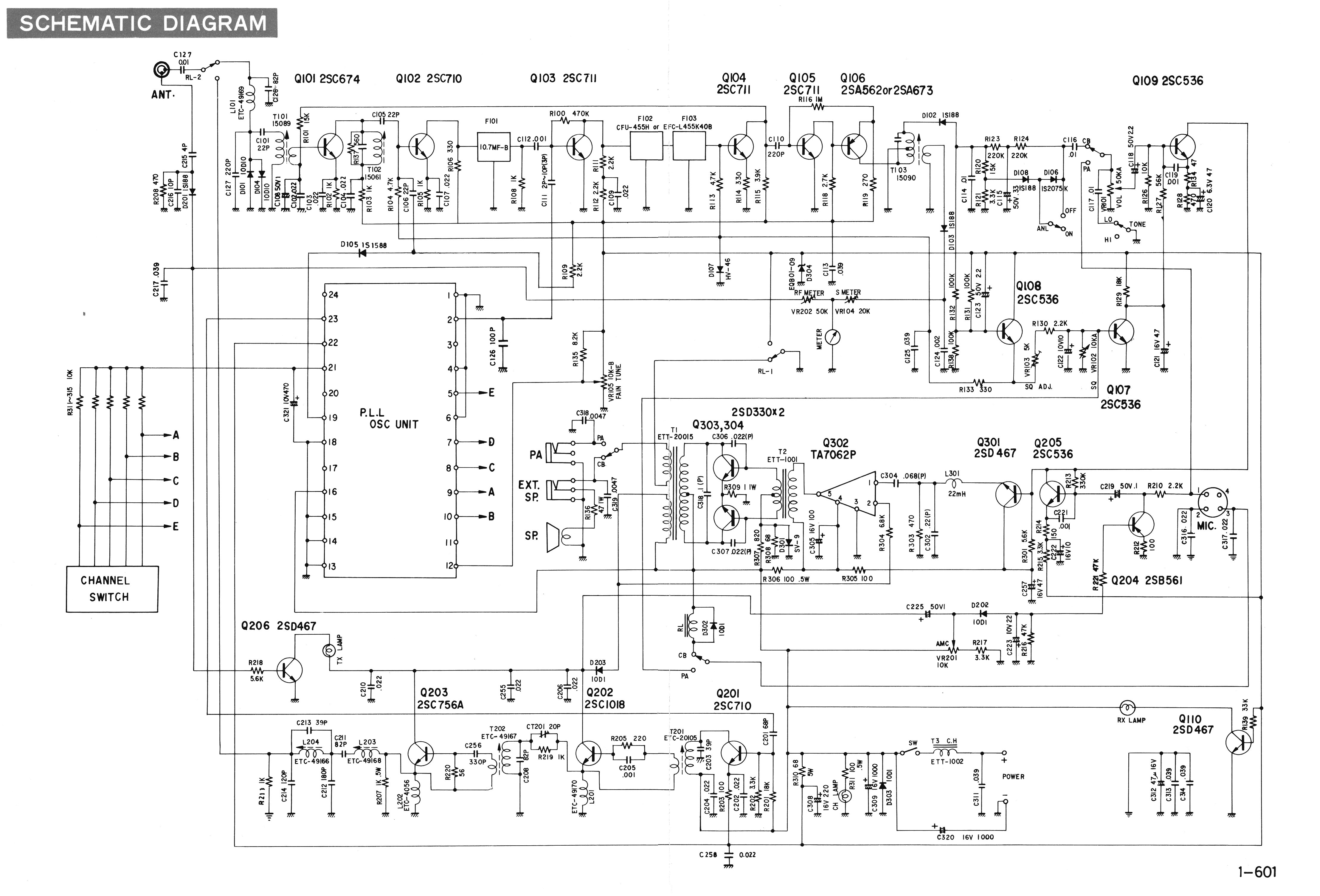
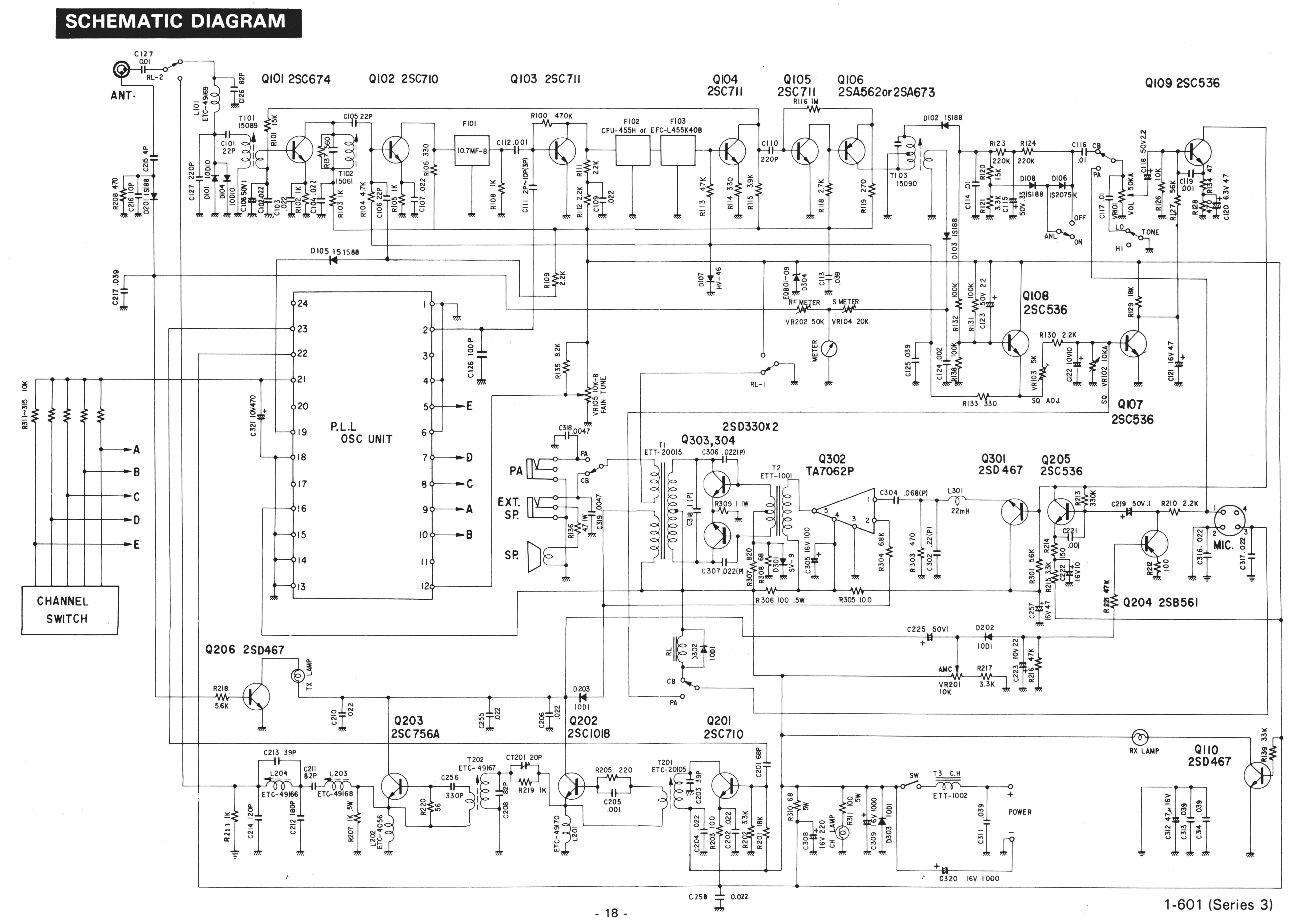
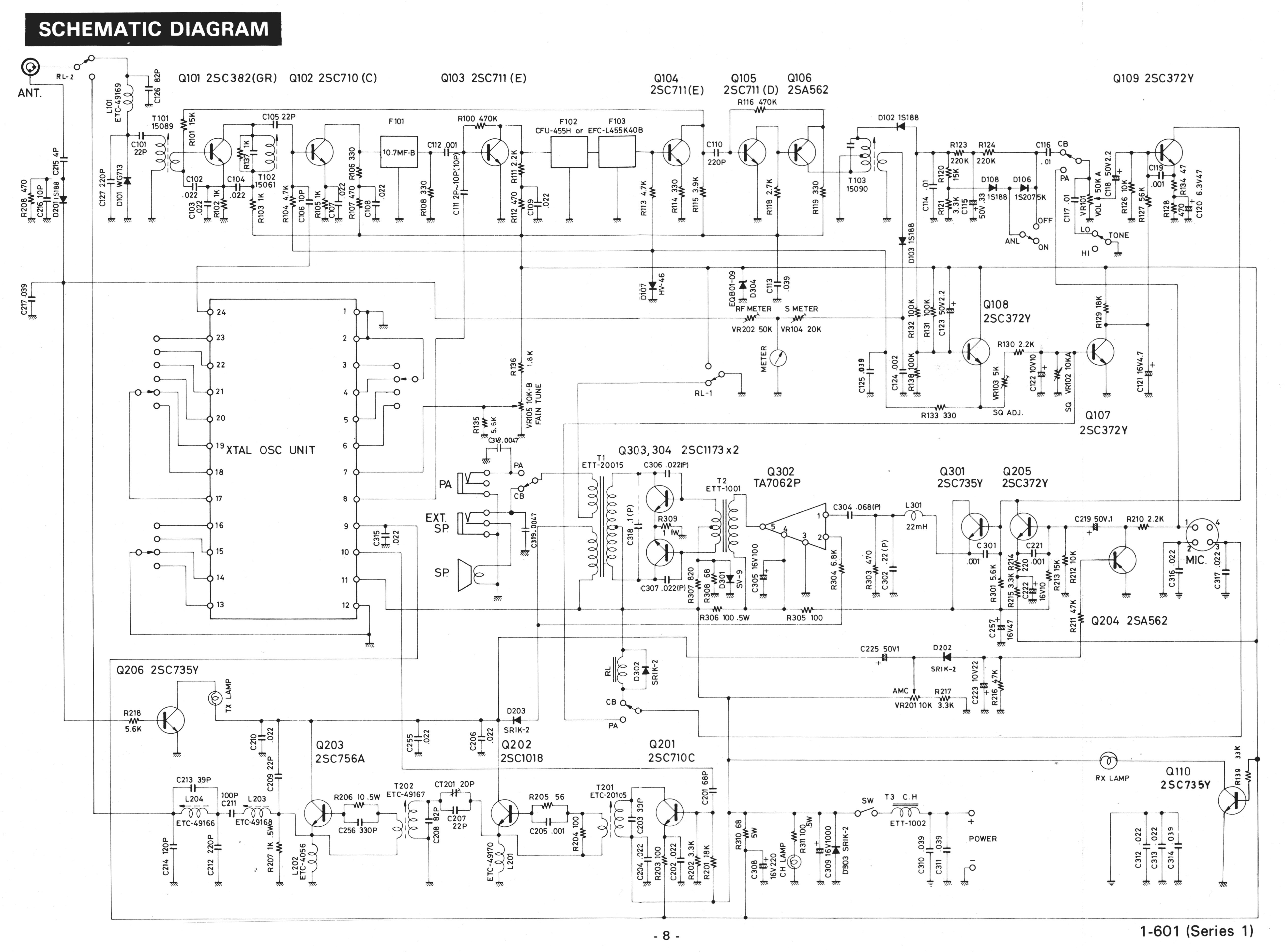
Diagrams
    Series 1
    Schematic (From Service Manual)
    Schematic (From Service Manual)

    Series 3
    Schematic (From Service Manual)
    Schematic (From Service Manual)
    Schematic (From Owner's Manual)
    Schematic (From Owner's Manual)

 

 



Copyright © 1998, 1999, 2000, 2001, 2002, 2003, 2004, 2005, 2006 CBTricks.com

Disclaimer: Although the greatest care has been taken while compiling these documents,

we cannot guarantee that the instructions will work on every radio presented.