SBE Model SB-34
Documentation Project

CBTricks.com

TIPS:
You need to have Acrobat Reader version 5 or newer installed to view the files with icon.

If the files with or icon will not display see the Site FAQ for help on printing and using this information.


Click to see close-up

Owner's / Service Manual

Diagrams
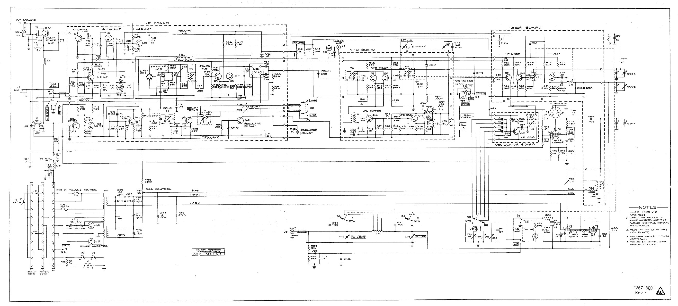
    Schematic Diagram
    Schematic Diagram
    Block Diagram
    Chassis Top View
    Chassis Bottom View


 



Copyright © 1998, 1999, 2000, 2001, 2002, 2003, 2004, 2005, 2006 CBTricks.com

Disclaimer: Although the greatest care has been taken while compiling these documents,

we cannot guarantee that the instructions will work on every radio presented.