Sonar Model E
Documentation Project

CBTricks.com

TIPS:
You need to have Acrobat Reader version 5 or newer installed to view the files with icon.

If the files with or icon will not display see the Site FAQ for help on printing and using this information.


Click To See Closeup

Other front view

Rear view


Vintage Advertising

Owner's Manual
     Page 1 to 6
     Page 7 to 15

Diagram From Owner's Manual
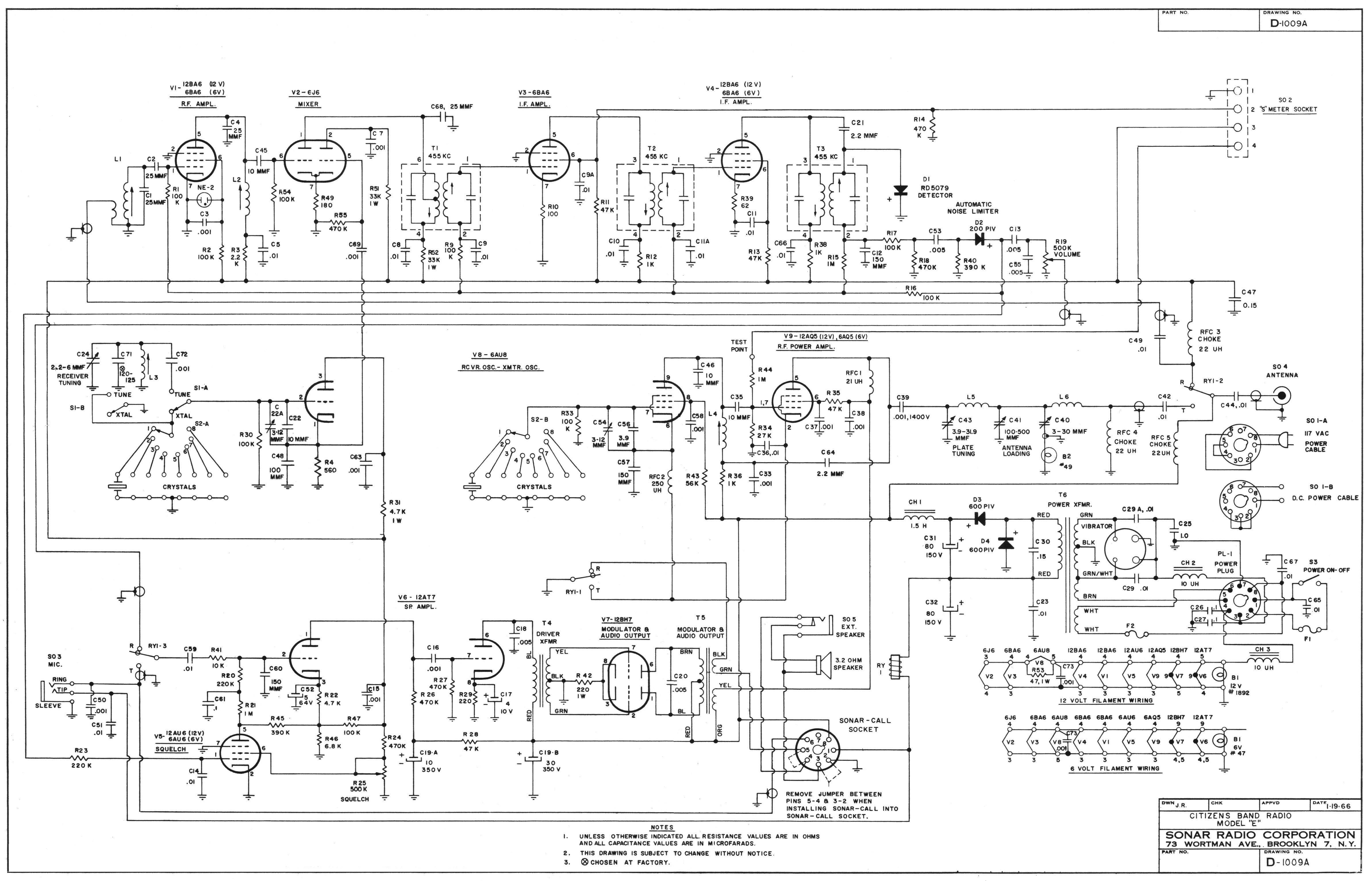
    Schematic Diagram Main
    Schematic Diagram Main

Service Information From Sam's Photofact Vol. #2
     Page 119 to 126

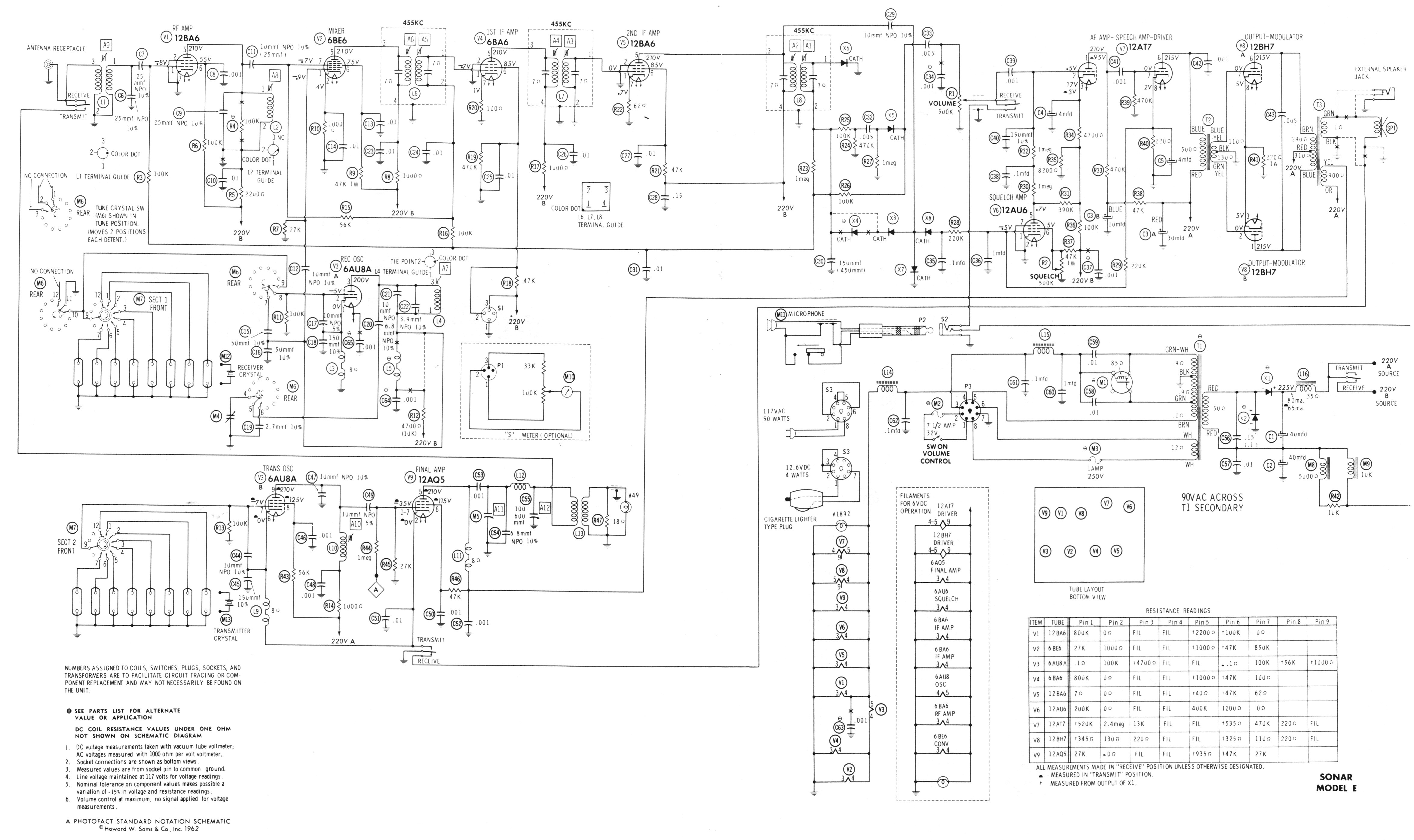
Diagram From Sam's Photofact Vol. #2
     Schematic (11x17)
     Schematic

Sonar Model E (Revised)

Service Information From Sam's Photofact Vol. #4
     Page 103 to 108

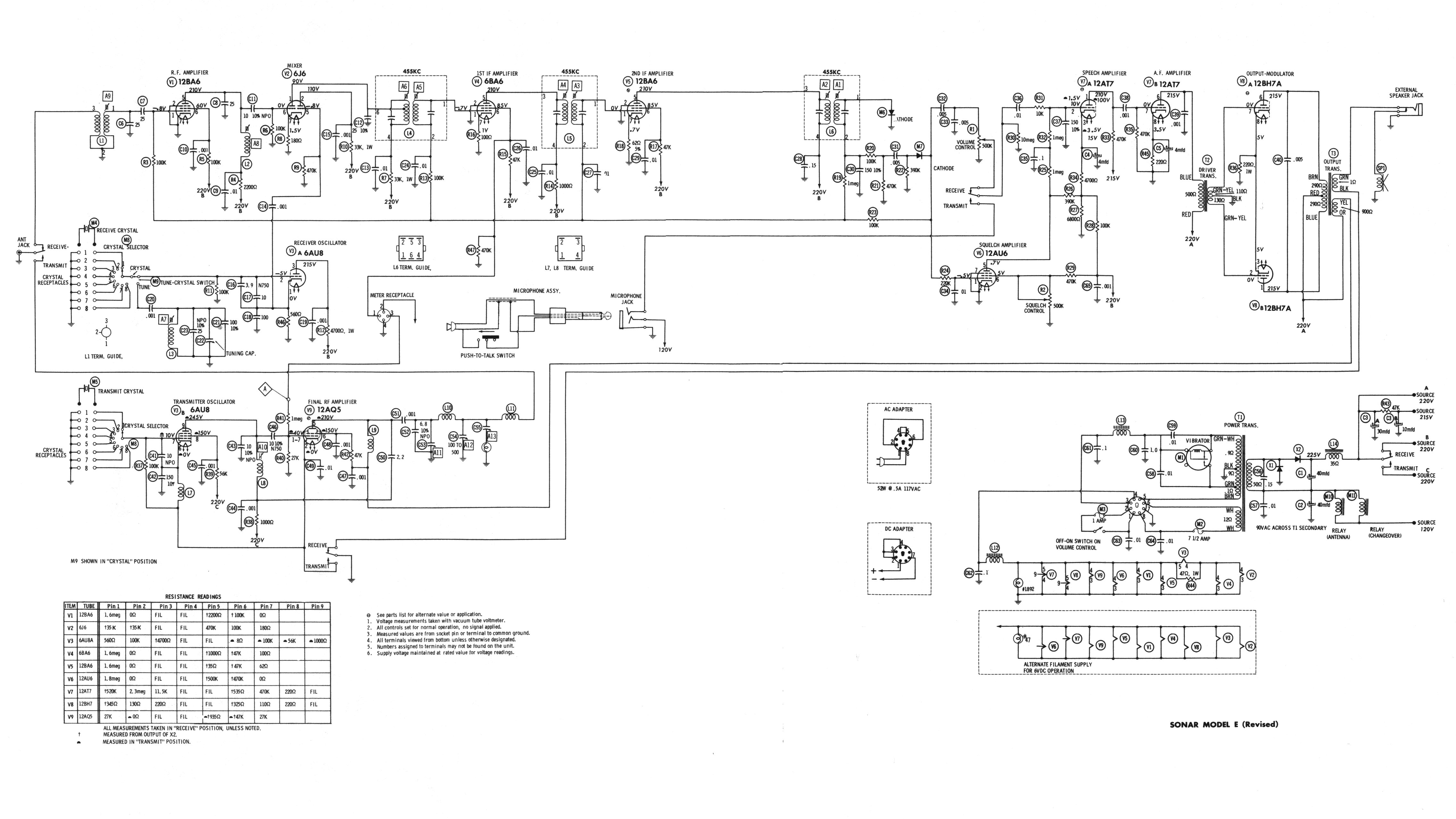
Diagram From Sam's Photofact Vol. #4
     Schematic (11x17)
     Schematic


 

 

 



Copyright © 1998, 1999, 2000, 2001, 2002, 2003, 2004, 2005 CBTricks.com

Disclaimer: Although the greatest care has been taken while compiling these documents,

we cannot guarantee that the instructions will work on every radio presented.