Teaberry Racer "T" (23ch)
Documentation Project
CBTricks.com

TIPS:
You need to have Acrobat Reader version 5 or newer installed to view the files with icon.

If the files with or icon will not display see the Site FAQ for help on printing and using this information.


Click picture to see close-up

Manuals
    Owners Manual

Diagrams
     Schematic Diagram (Owner's Manual)
     Schematic Diagram (Owner's Manual)
     Chassis Wiring Diagram (Owner's Manual)
     PCB Layouts (Owner's Manual)

Service Manual
     Page 1 to 15
     Page 16 to 31

Diagrams (Service Manual)
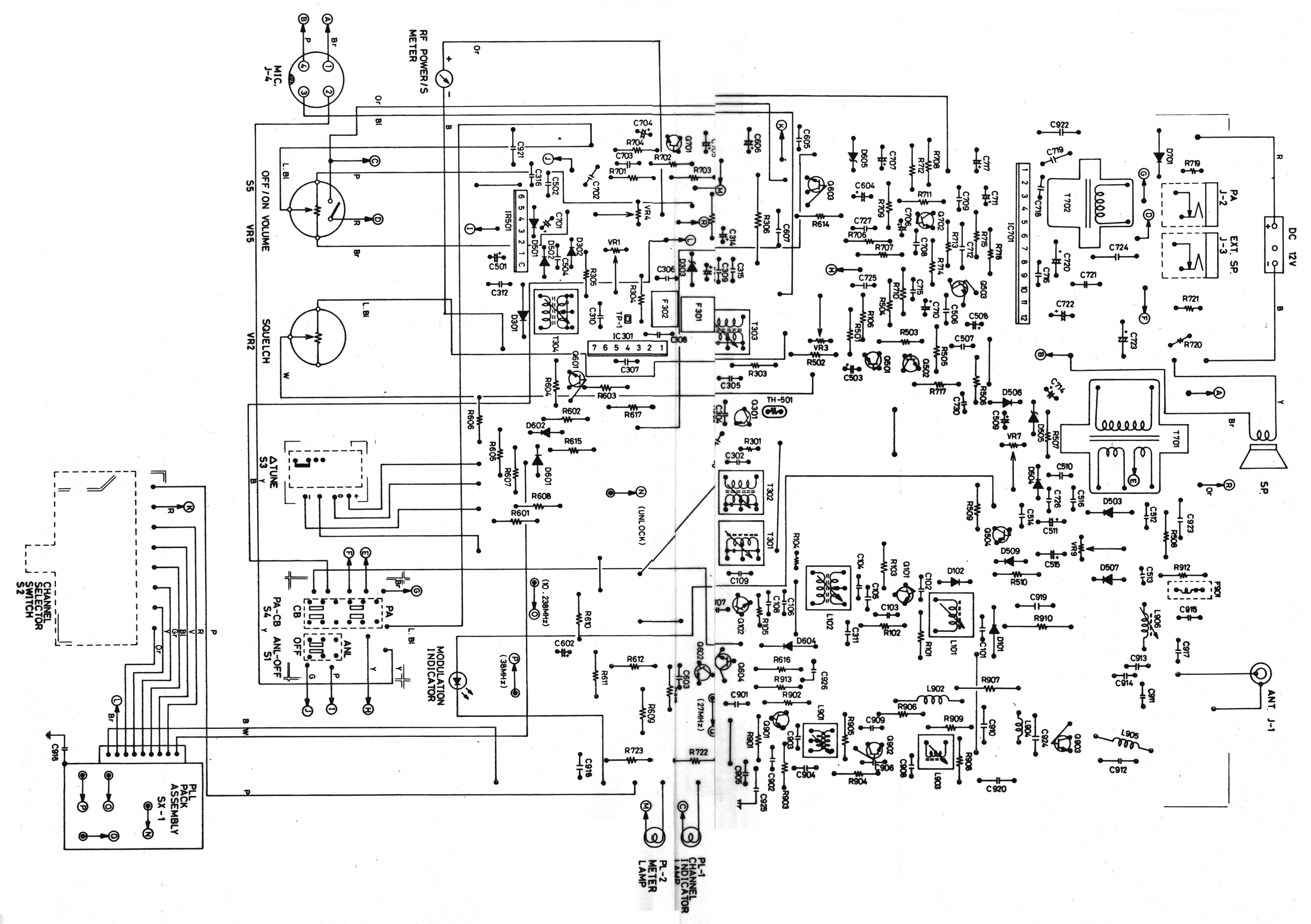
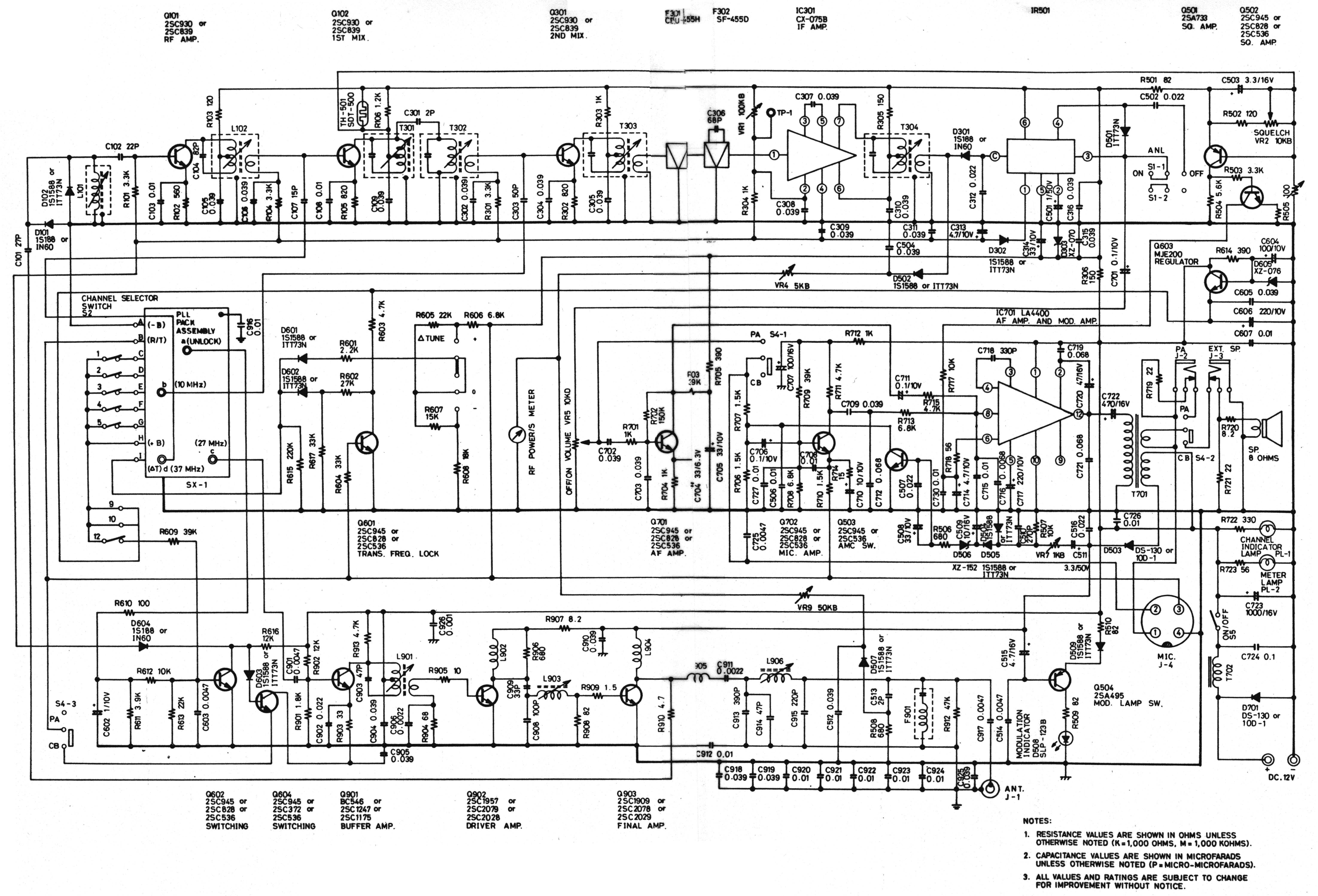
     Schematic Diagram (Service Manual)
     Schematic Diagram (Service Manual)
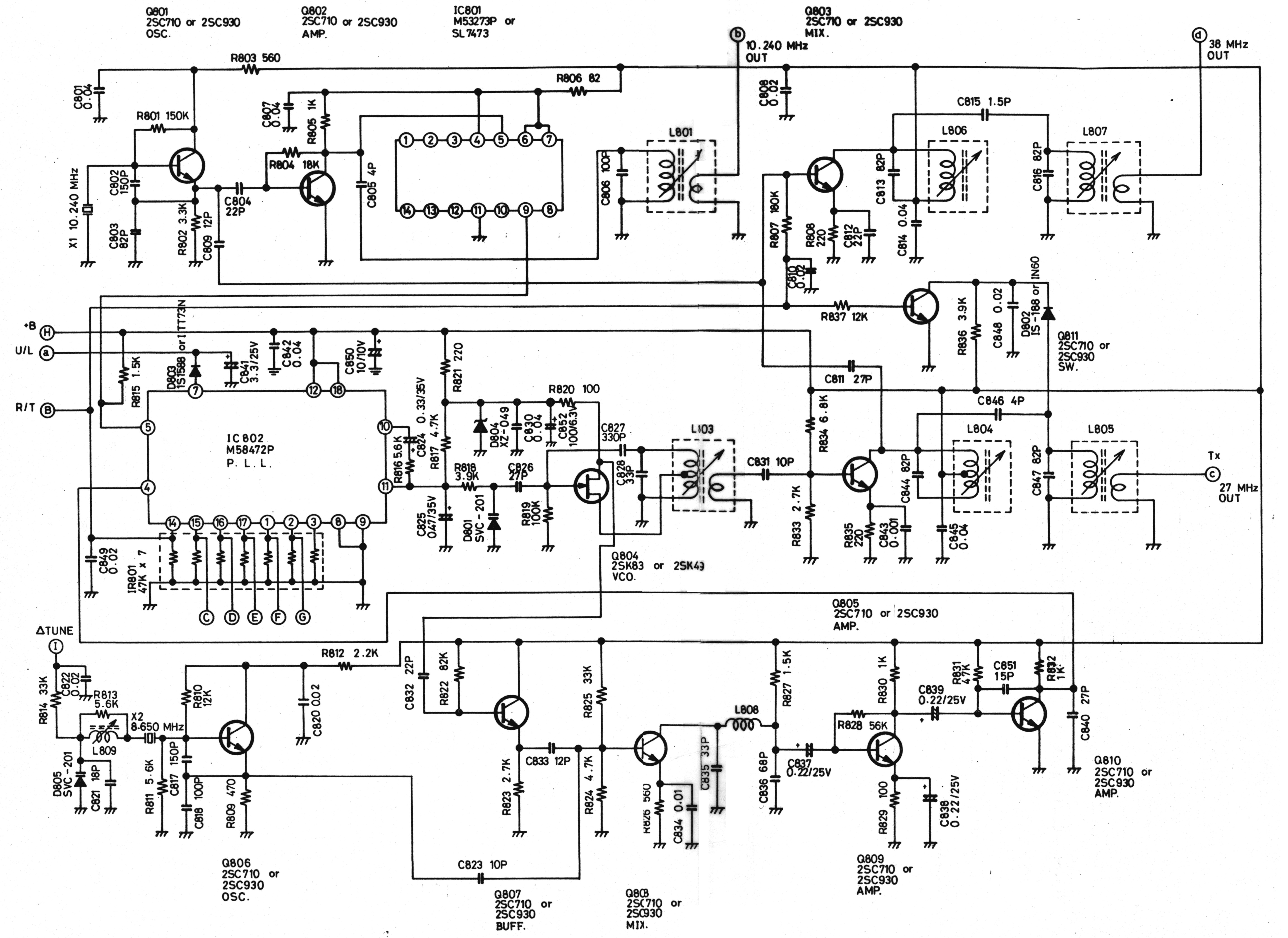
     PLL Schematic Diagram (Service Manual)
     PLL Schematic Diagram (Service Manual)
     Chassis Wiring Diagram (Service Manual)
     Chassis Wiring Diagram (Service Manual)

     PCB Layouts

 



Copyright © 1998, 1999, 2000, 2001, 2002, 2003, 2004, 2005 CBTricks.com

Disclaimer: Although the greatest care has been taken while compiling these documents,

we cannot guarantee that the instructions will work on every radio presented.