Uniden HR2510
Documentation Project

CBTricks.com

TIPS:
You need to have Acrobat Reader version 5 or newer installed to view the files with icon.

If the files with or icon will not display see the Site FAQ for help on printing and using this information.


 

MANUALS
        Service Manual
        Page 1 to 28
        Page 29 to 52

RADIO MODIFICATIONS
       
Rogerbrids HR2510 Mod Site

ALIGNMENT PROCEDURES   
     PLL Alignment
     Transmitter Alignment
     Receiver Alignment

DIAGRAMS
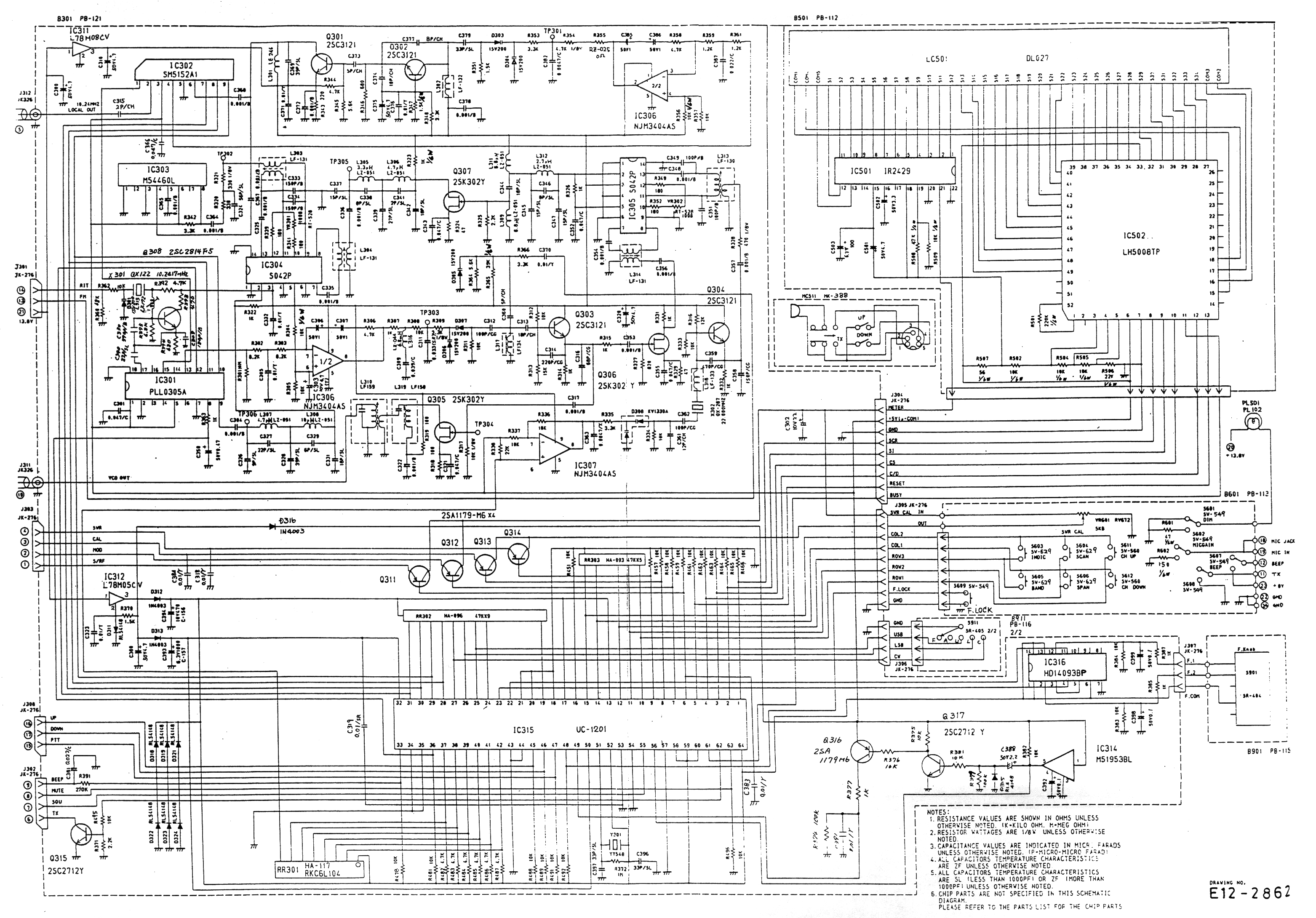
    HR2510 Schematic Diagram (Page 1)
                Schematic Diagram (Page 2)
    CPU Schematic (Courtesy of Rick Jackson)

PARTS LISTS
     Main PCB (PB-111AB)
     PLL PCB (PB121BA)
     N.B. PCB (PB-117AA)
     FM PCB (PB-119AB)
     L.C.D. PCB (PB112AA)
     SWR PCB (PB-118AA)
     Switch PCB (PB-113BA)
     MIC PCB (PB-126AB)
     VOL / SQ PCB (PB-114AB)
     RIT PCB (PB-120AB)
     CH SW PCB (PB-115AA)
     Mode SW PCB (PB-116AA)

 


Copyright © 1998,1999,2000,2002 CBTricks.com

Disclaimer: Although the greatest care has been taken while compiling these documents,

we cannot guarantee that the instructions will work on every radio presented.