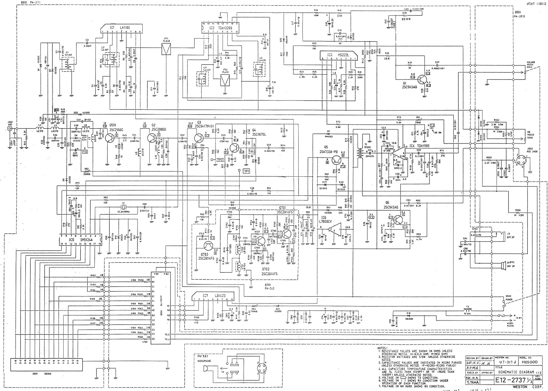
Uniden PRO500D (UT-317J)
Documentation Project

CBTricks.com

PRO 500D Schematic Diagram