• You can now help support WorldwideDX when you shop on Amazon at no additional cost to you! Simply follow this Shop on Amazon link first and a portion of any purchase is sent to WorldwideDX to help with site costs.

Ranger / RCI


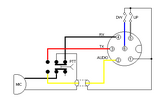
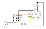
Diagrams Schematic Diagram Mic Wiring Stock 1- Shield (Ground) 2- Yellow (Audio) 3- Red (Transmit) 4- White (Receive) Astatic (4 wire) 1- Shield 2- White 3- Red 4- Black Astatic (6 wire) 1- Shield & Blue 2- White 3- Red 4- Black Yellow NC Daiwa EM-500 Cobra CA Series 1- Shield...
Diagrams Schematic Main Diagram Weather RX Schematic Diagram Mic Wiring Stock 1- Shield (Ground) 2- Yellow (Audio) 3- Red (Transmit) 4- White (Receive) Astatic (4 wire) 1- Shield 2- White 3- Red 4- Black Astatic (6 wire) 1- Shield & Blue 2- White 3- Red 4- Black Yellow NC Daiwa...
Mic Wiring Stock 1- Shield (Ground) 2- Yellow (Audio) 3- Red (Transmit) 4- White (Receive) Astatic (4 wire) 1- Shield 2- White 3- Red 4- Black Astatic (6 wire) 1- Shield & Blue 2- White 3- Red 4- Black Yellow NC Daiwa EM-500 Cobra CA Series 1- Shield & Black 2- Red 3- White 4-...
MANUALS Service Manual Diagrams Schematic Diagram TR-127GK Chassis Exploded View TR-127DX Chassis Exploded View Mic Wiring Stock 1- Shield (Ground) 2- Yellow (Audio) 3- Red (Transmit) 4- White (Receive) Astatic (4 wire) 1- Shield 2- White 3- Red 4- Black Astatic (6 wire)...
Manuals Factory Service Manual Diagrams Schematic Diagram Block Diagram Chassis Exploded View Drawing Mic Wiring Stock 1- Shield (Ground) 2- Yellow (Audio) 3- Red (Transmit) 4- White (Receive) Astatic (4 wire) 1- Shield 2- White 3- Red 4- Black Astatic (6 wire) 1- Shield...
Manuals Factory Service Manual Diagrams Schematic Diagram Block Diagram Chassis Exploded View Drawing Mic Wiring Stock 1- Shield (Ground) 2- Yellow (Audio) 3- Red (Transmit) 4- White (Receive) Astatic (4 wire) 1- Shield 2- White 3- Red 4- Black Astatic (6 wire) 1- Shield &...
MANUALS Service Manual Diagrams Schematic Diagram Chassis Exploded View Mic Wiring Stock 1- Shield (Ground) 2- Yellow (Audio) 3- Red (Transmit) 4- White (Receive) Astatic (4 wire) 1- Shield 2- White 3- Red 4- Black Astatic (6 wire) 1- Shield & Blue 2- White 3- Red 4- Black...
RADIO MODIFICATIONS Switch Frequency Conversion (P5 P6) Channel Chart After Modification Mic Wiring Stock 1- Shield (Ground) 2- Yellow (Audio) 3- Red (Transmit) 4- White (Receive) Astatic (4 wire) 1- Shield 2- White 3- Red 4- Black Astatic (6 wire) 1- Shield & Blue 2- White 3-...
RADIO MODIFICATIONS Switch Frequency Conversion (P5 P6) Channel Chart (After Modification) 10kc Mod Clarifier Mod Mic Wiring Stock 1- Shield (Ground) 2- Yellow (Audio) 3- Red (Transmit) 4- White (Receive) Astatic (4 wire) 1- Shield 2- White 3- Red 4- Black Astatic (6 wire) 1-...
Manuals Factory Service Manual RADIO MODIFICATIONS Switch Frequency Conversion (P5 P6) Channel Chart (After Modification) Mic Wiring Stock 1- Shield (Ground) 2- Yellow (Audio) 3- Red (Transmit) 4- White (Receive) Astatic (4 wire) 1- Shield 2- White 3- Red 4- Black Astatic (6...
RADIO MODIFICATIONS Switch Frequency Conversion (P5 P6) Channel Chart (After Modification) Mic Wiring Stock 1- Shield (Ground) 2- Yellow (Audio) 3- Red (Transmit) 4- White (Receive) Astatic (4 wire) 1- Shield 2- White 3- Red 4- Black Astatic (6 wire) 1- Shield & Blue 2- White 3-...
Manuals Factory Service Manual RADIO MODIFICATIONS Switch Frequency Conversion (P5 P6) Channel Chart (After Modification) 10kc Mod Clarifier Mod Mic Wiring Stock 1- Shield (Ground) 2- Yellow (Audio) 3- Red (Transmit) 4- White (Receive) Astatic (4 wire) 1- Shield 2- White 3-...
Mic Wiring Stock 1- Shield (Ground) 2- Yellow (Audio) 3- Red (Transmit) 4- White (Receive) Astatic (4 wire) 1- Shield 2- White 3- Red 4- Black Astatic (6 wire) 1- Shield & Blue 2- White 3- Red 4- Black Yellow NC Daiwa EM-500 Cobra CA Series 1- Shield & Black 2- Red 3- White 4-...
Mic Wiring Stock 1- Shield (Ground) 2- Yellow (Audio) 3- Red (Transmit) 4- White (Receive) Astatic (4 wire) 1- Shield 2- White 3- Red 4- Black Astatic (6 wire) 1- Shield & Blue 2- White 3- Red 4- Black Yellow NC Daiwa EM-500 Cobra CA Series 1- Shield & Black 2- Red 3- White 4- Blue...
Mic Wiring Stock 1- Shield (Ground) 2- Yellow (Audio) 3- Red (Transmit) 4- White (Receive) Astatic (4 wire) 1- Shield 2- White 3- Red 4- Black Astatic (6 wire) 1- Shield & Blue 2- White 3- Red 4- Black Yellow NC Daiwa EM-500 Cobra CA Series 1- Shield & Black 2- Red 3- White 4- Blue...
Mic Wiring Stock 1- Shield (Ground) 2- Yellow (Audio) 3- Red (Transmit) 4- White (Receive) Astatic (4 wire) 1- Shield 2- White 3- Red 4- Black Astatic (6 wire) 1- Shield & Blue 2- White 3- Red 4- Black Yellow NC Daiwa EM-500 Cobra CA Series 1- Shield & Black 2- Red 3- White 4- Blue...
Manuals Factory Service Manual Radio Modifications Frequency Modification Diagrams Main Schematic Diagram PDF version Main Schematic Diagram CPU PCB Schematic Diagram PDF version CPU PCB Schematic Diagram
SPECIFICATIONS Controls and Connections Basic Programming Procedures Owner's Manual Factory Service Manual Pages 1-1 to 5-4 Pages 7-1 to 7-13 Pages 8-1 to 8-13 Pages 10-1 to 11-8 Service Notes CPU faults Paper that explains how the Pass regulator works. ALIGNMENT PROCEDURES PLL Alignment...
Manuals Owner's Manual Factory Service Manual Diagrams Schematic Diagram Schematic Diagram (MOSFET finals & TDA2003 Audio Amp Version) CPU PCB Schematic Diagram Block Diagram Radio Modifications Clarifier Unlock Mic Wiring Stock Mic 1. Ground Shield 2. Audio Yellow 3. Transmit Red 4...
BJ radionut
Updated
Views
961
SPECIFICATIONS Controls and Connections Basic Programming Procedures Factory Service Manual Pages 1-1 to 5-4 Pages 7-1 to 7-13 Pages 8-1 to 8-13 Pages 10-1 to 11-8 ALIGNMENT PROCEDURES PLL Transmitter Receiver DIAGRAMS Main Schematic Diagram CPU Schematic Diagram Chassis Exploded View...