|
Tour
of Pictures
RADIO
MODIFICATIONS
DX2547
(P5 P6 Switch) Frequency Conversion
Channel
Chart (After Modification)
Viagra
Board Frequency Modification
10kc
Mod
Clarifier
Mod
Increase
Clarifier Range Update
Roger
Beep Tone Mod
FC347
Wiring Diagram for a DX2547
RADIO MODIFICATIONS
DX2547
Frequency Conversion
DX2547
Tech Updates
ALIGNMENT
PROCEDURES
PLL Alignment
Transmitter
Alignment
Receiver Alignment
Alignment Locations
SEMICONDUCTOR
INFORMATION
Semiconductor
Datasheets
DIAGRAMS
DX2547
Main PCB Schematic Diagram
(Feb. 16, 2001)
DX2547
Power Supply PCB Schematic Diagram
DX2547
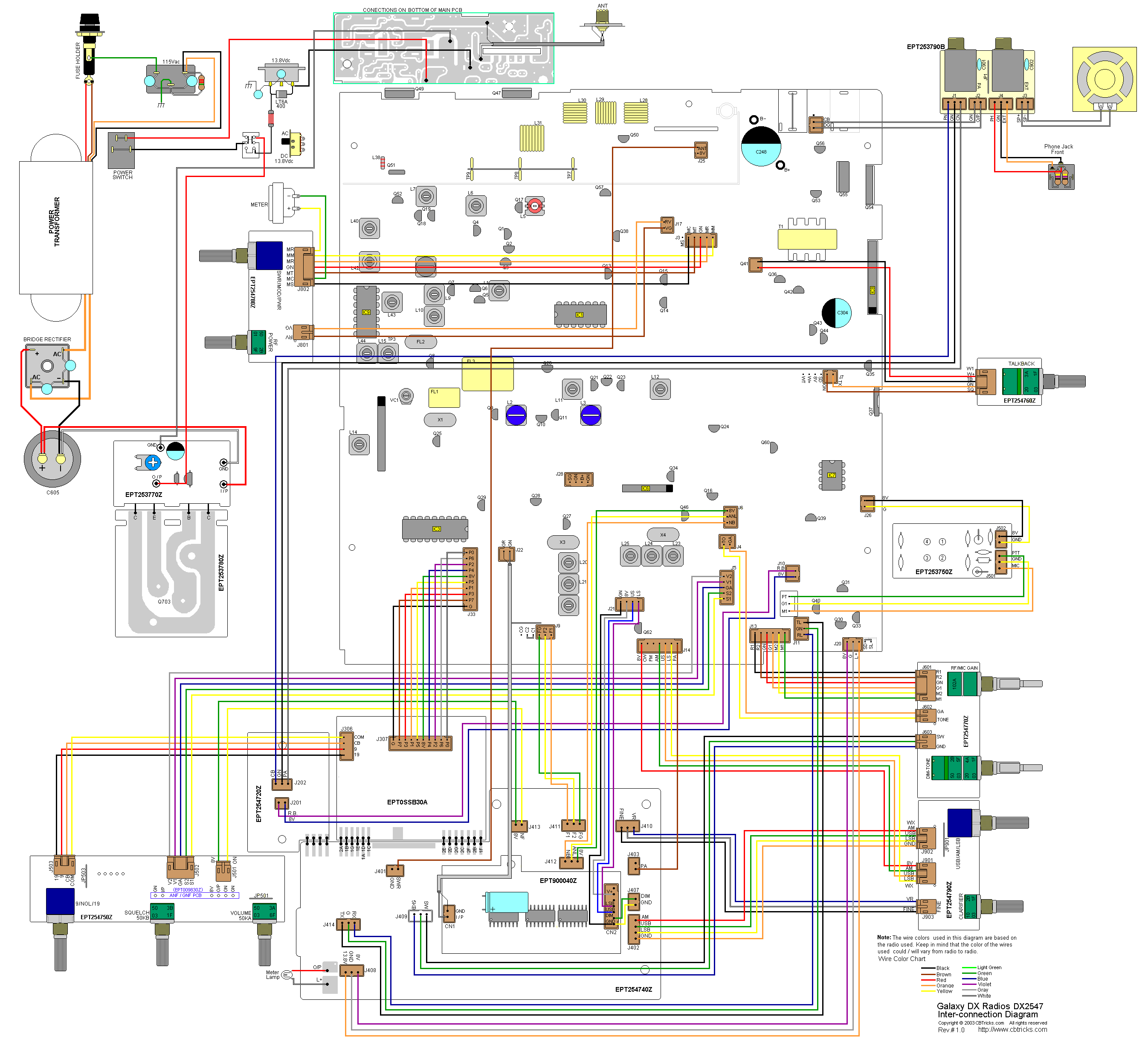
Inter-connection Diagram 
DX2547
Inter-connection Diagram 
PCB Layouts and
Parts
Main
PCB (EPT069610Z)
Modular
VCO PCB (EPF000210Z)
Talkback
Control VR PCB (EPT095960Z)
Push
Switch R.B. / CB / PA PCB (EPT254720Z)
VOL /
SQ VR PCB (EPT254750Z)
DIM /
RF / MIC GAIN VR PCB (EPT254770Z)
RF /
MOD VR PCB (EPT254780Z)
MODE
/ Clarifier PCB (EPT254790Z)
SWR
PCB (EPT360042Z)
Mic
Jack PCB (EPT253750Z)
EAR
Jack PCB (EPT253790B)
DC
Power Supply PCB (EPT253770Z) and (EPT253780Z)
ANF/GNF
PCB (EPT009830Z)
Channel
Selector PCB (EPT0SSB30A)
Display
PCB (EPT254740Z)
Frequency
Counter PCB (EPT900040Z)
Frequency
Counter PCB (EPT900043Z) (Started with later 2005 Production)
Chassis, Miscellaneous
& Mechanical Parts
Miscellaneous
& Mechanical Parts

|
Stock
1- Shield
(Ground)
2- Yellow (Audio)
3- Red (Transmit)
4- White (Receive)
Astatic (4
wire)
1- Shield
2- White
3- Red
4- Black
Astatic (6
wire)
1- Shield & Blue
2- White
3- Red
4- Black
Yellow NC
Daiwa EM-500
Cobra CA Series
1- Shield & Black
2- Red
3- White
4- Blue
Galaxy DC-521S
(4 wire)
1- Shield
2- Yellow
3- Red
4- Black
Galaxy CB-660EI
1- Shield & Black
2- White
3- Red
4- Blue
Sadelta
1- Shield
2- White
3- Brown
4- Green
Turner
1- Shield & Red
2- White
3- Blue
4- Black
Yellow NC
|