One thing that I like is that they are working with you, which in turn I guess is helping them "cure an issue"?
My thoughts are similar to the above mentioned with the filtering. Most amps that have 10 and 12 meter capability unfortunately can operate on 11 meter. This one specifically says DO NOT because damage will occur.
That leads me to think the "tolerance" of that filtering is so "tight", trying to prohibit 11 meter use is causing these headaches for them?
I looked at that unit at Dayton and to me the inside looks like a pair of ALS-600 stacked. I have not heard of the ALS-600 having these problems on ten meter, I believe the ALS-600 will work on 11 meter? I am not saying that is a smart or legal thing to do, just saying that "appears" to me the difference between the 600 and 1300. So maybe "opening" the filtering up like the ALS-600 may be the cure, after all, the person operating the amp has the ultimate responsibility to use it legally for their jurisdiction.
I am not the smartest knife in the chandelier and I may be way out in 4th base on that assumption.
continue on,,,,,,,,,

op:

op:
I don't think you're too far off at all myself, especially since I just took a crash course in filter design due to a couple projects I've been working on. During a discussion i had with W8JI awhile back he stated his aversion to the use of filters with more than 5 poles, which means that the Ameritron amplifiers are likely using simple filters. In my experience I've found that simple filters display much more variation in input impedance across their intended frequency range than more complex filters, so there could be a spike in the input SWR at certain frequencies, quite possibly 11m. In my experience elliptic filters provide the most level input impedance values across their intended frequency range and then some.
Here are some plots that should help demonstrate what I'm describing (made these for a different thread that some folks may already have read):
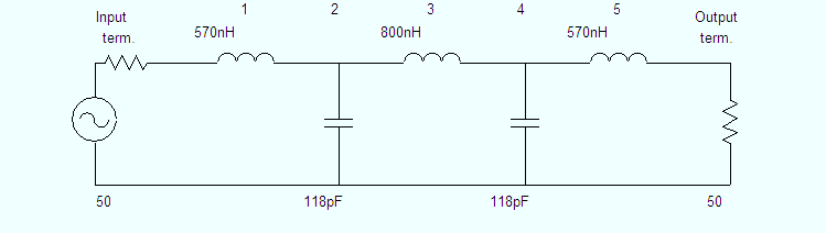
here's a fairly basic 5-pole Chebyshev filter for 30MHz:
and it's transmission/VSWR curves:
You can see some large variation in the input VSWR indicating variations in input impedance which causes losses, heating, and potentially damage at those operating points where the SWR is high. You can see by the transmission curve (red) that there are slight losses occurring where the SWR is higher. At high power levels, even slight losses add up to a good amount of heating and damaging effects.
Here's the same filter with 2 more poles added, making a 7-pole Chebyshev:
Plots for the 7-pole Chebshev:
You can see that the input SWR across 10-12m is much more acceptable, resulting in less losses and heating at those frequencies.
Here's a whole different animal, a 7-pole Elliptic filter for 30MHz:
and plots for the 7-pole elliptic:
Here you can see that the input SWR is very low across the whole HF band, which is very nice.
Unfortunately "opening up" a simpler filter to gain similar performance to a more complex filter isn't always easily done, most times you'd have to alter the whole topology of the design.. performance is pretty much always better with more complex filters, within reason of course. Also, more complex filters provide sharper cutoff and in the case of elliptic filters they can even be tuned to supress specific harmonic frequencies. The transmission curve for the elliptic filter above shows these distinct and sharp suppression spikes after cutoff.