• You can now help support WorldwideDX when you shop on Amazon at no additional cost to you! Simply follow this Shop on Amazon link first and a portion of any purchase is sent to WorldwideDX to help with site costs.

Amp Supply amps with QSK

Odellmi

Member
Nov 7, 2022
1
0
11
asianporn.bar
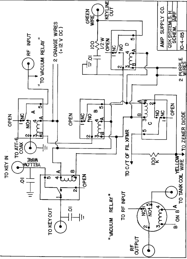
Looking at an Amp Supply LK800 with QSK board, probably same for the other models too with QSK. The RJ1 vacuum relay coil is a bit flaky and I’d like to install a new one. It’s stamped 12 on it. I assume that’s the 12v coil. I don’t see in the amp where more than 12volts is developed. I removed the coil and measured about 340 ohms which is what the 26.5 coil measures. The 12v coils usually measure about 85 ohms. The manual does not say what voltage the vacuum relay is. All the other relays on that board are clearly marked 12volts and the schematic shows them in parallel. Because of the conflict I’d like to know if anyone knows with certainty what the coil voltage is supposed to be. Thanks for any help.
 

26.5v

You have +20v AC coming out of the filament transformer that is rectified by CR2 (1N5408) on the QSK board. C2 (1000uF 50v) should bring the DC voltage up to 22~24v going to the high side (pin 3) of the coil. Pin 4 is the low side of the coil and it goes to Q1 (2N2222A) which switches ground to energize the coil.

C2 may have gone bad and you have low DC voltage on the coil making the relay flaky. Probably wouldn't hurt to change C2 just due to age.

Also there is CR7 (1N4001) across the coil to prevent a spike when the field collapses.

Good Luck.
 
  • Like
Reactions: unit_399
Looks like there were a couple of different versions of filament (T1) and Plate (T2) transformers in the LK-800A. In the doc that BJ Radionut linked for the LK-800, T1 & T2 look like this:

1667888132502.png

Where an output winding on T2 is rectified through D1 and providing 12vDC @ "A". On the QSK board, there are 2 Orange wires bringing in the 12vDC connecting to all of the high side of the relay coils (pin 4) in parallel, including the vacuum relay coil. The low side of all of the coils "B" are connected in parallel to the 2 Purple wires:

1667888590474.png


For this version there are 5 relays on the QSK board.
If this is what you have, 3 wires output on T1 and 4 wires on the output of T2, then you need a 12v Coil in the RJ1. If that is true, then someone replaced RJ1 with the wrong coil. It would certainly explain why it is flaky - using 12v on a coil designed for 26.5v.


On another version of the LK-800A (later?), it shows this for T1 & T2:

1667889467217.png


Where T1 has the additional output winding that generates 12v and +20v AC. The center tap is rectified through D1 on the power supply board and provides 12vDC @ "A". The high end of the winding (red wire) goes to connection 11 on the QSK board, where it is rectified by CR2 (1N5408). C2 (1000uF 50v) should bring the DC voltage up to 22~24v going to the high side (pin 3) of the coil. Pin 4 is the low side of the coil and it goes to Q1 (2N2222A) which switches ground:

1667890073117.png


This version has 3 relays on the QSK board. For this version, RJ1 should use the 26.5v coil.

TLDR: I bet $5 that someone (Jennings?) mismarked the relay (stamped 12 on it) and the factory or someone else installed it thinking it had the 12v coil, when in reality it has the 26.5v coil. It sounds like the LK-800 that you are looking at is the first version that matches the schematic that BJ Radionut linked.

Sorry for the confusion, I didn't realize there were 2 versions of the LK-800A.
I learned something new today...
 
Last edited:

dxChat
Help Users
  • No one is chatting at the moment.
  • @ Spanish:
    Where do i upload schematics
  • @ BJ radionut: