Thank you Sir!!View attachment 58448
In this diagram you can see that the red wire attaches to one side of the 5K adjustment pot, and it is the only thing connected to that side of the pot.
the black wire gets attached to pin 9 of the mic switch. the switch may not be labeled so you can confirm you have the right pin by using your multimeter set to read continuity.
most meters these days will have a setting that will beep when you touch the meter probes together allowing you to find two points on a circuit board that are connected without having to look at the meter.
If you put one probe on the shield wire of the mic cord and the other on one of the solder lugs on the back of the switch, you can find out which pin is pin 8, which will be right next to pin 9.
you would also notice continuity if you put the probe on pin 7 since pin 7 and pin 8 are connected in receive.
if you were to put a rubberband on the mic button so it stays keyed, you would find that you have continuity from the shield wire to pins 8 and 9 because the idea is to only ground the negative terminal of the battery when you push the mic button.
they do it this way so that the battery doesn't go dead from just sitting there.
now that you know which pin on the switch is pin 9, you can put one of your probes on pin 9 and then touch it to one of the solder pads where the battery wire pulled out of.
if you get a beep from your meter, you know you've found the right pad for the negative side of the battery.
you can do the same for the positive side by putting one meter probe on the empty side of the 5K pot, and then the other probe on one of the solder pads where the battery wires pulled out. if you get a beep you've found where the positive wire will solder to.
LC
Hi Loose Cannon. I was able to resolder the positive battery lead after cleaning the old connection that was pulled out. I used a solder sucker to get the old solder and wire out of the hole. I got continuity and resoldered the positive lead. I did not have the same luck with the negative lead. After cleaning and solder sucking that hole I can not get continuity. The trace must have been damaged when the negative wire got pulled out and the trace is extremely small. Is there another place I can attach the negative lead to on the board?View attachment 58448
In this diagram you can see that the red wire attaches to one side of the 5K adjustment pot, and it is the only thing connected to that side of the pot.
the black wire gets attached to pin 9 of the mic switch. the switch may not be labeled so you can confirm you have the right pin by using your multimeter set to read continuity.
most meters these days will have a setting that will beep when you touch the meter probes together allowing you to find two points on a circuit board that are connected without having to look at the meter.
If you put one probe on the shield wire of the mic cord and the other on one of the solder lugs on the back of the switch, you can find out which pin is pin 8, which will be right next to pin 9.
you would also notice continuity if you put the probe on pin 7 since pin 7 and pin 8 are connected in receive.
if you were to put a rubberband on the mic button so it stays keyed, you would find that you have continuity from the shield wire to pins 8 and 9 because the idea is to only ground the negative terminal of the battery when you push the mic button.
they do it this way so that the battery doesn't go dead from just sitting there.
now that you know which pin on the switch is pin 9, you can put one of your probes on pin 9 and then touch it to one of the solder pads where the battery wire pulled out of.
if you get a beep from your meter, you know you've found the right pad for the negative side of the battery.
you can do the same for the positive side by putting one meter probe on the empty side of the 5K pot, and then the other probe on one of the solder pads where the battery wires pulled out. if you get a beep you've found where the positive wire will solder to.
LC
I found no continuity from pin 9 from front to back of board for the negative. No sign of solder pads either. I think the trace to the pads may have pulled out. So very small! How can I repair the trace? Did get continuity on positive so I reattached red wire. Just need to deal with negative.
What is 5k adjustment pot?I found no continuity from pin 9 from front to back of board for the negative. No sign of solder pads either. I think the trace to the pads may have pulled out. So very small! How can I repair the trace? Did get continuity on positive so I reattached red wire. Just need to deal with negative.
Thanks
shield and blue ALWAYS go together..Hito all. Can someone tell me which wire color on an Asytatic575M-6 is the hot wire. Is it white or another color?
Thanks
Chuck Saylor
Hi loosecannon. Bare with me here. Solder the battery negative lead wire to pin 9 on the back side of the PC board? The 5K adjustment pot you refer to. I do not recognize it. Does it have a screw type adjustment like many pots do? Just trying to learn here about this mic.the trace probably did lift off the board.
they are cheaply made PC boards and won't tolerate being heated much.
just solder the negative lead right to pin 9's solder connection.
the 5K adjustment pot is your gain control on the mic.
LC
Also is pin 9 the negative solder point on the front side of the battery wire connection as well as the back side? Is it the same spot on both sides of the PC board?Hi loosecannon. Bare with me here. Solder the battery negative lead wire to pin 9 on the back side of the PC board? The 5K adjustment pot you refer to. I do not recognize it. Does it have a screw type adjustment like many pots do? Just trying to learn here about this mic.
Thanks
loosecannon. Just to try and clarify this. I should solder the new battery connector to the back side of the PC board on the same pins that correspond to the front side. Positive wire to pin 8 and negative wire to pin 9 at their respective solder connections? ThanksAlso is pin 9 the negative solder point on the front side of the battery wire connection as well as the back side? Is it the same spot on both sides of the PC board?

Thank you for the great information. It is very helpful to a novice like myself. I will put a new battery connector on so I have more wire to get to the front of the PC board. When I get it soldered I will let you know how I make out.Apologies for the misleading info.
I had forgotten that this was a 575 and was thinking about the D104M6 that has a little round volume pot in it.
your mic has a volume and tone control, but they are sliding faders, not round potentiometers. they do the same thing, just shaped differently.
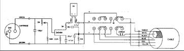
I also only gave you part of the schematic in that post on page 1, as we were only dealing with the PTT switch itself at that point.
here is the full schematic of the 575M6 mic:
View attachment 59090
see that arrow towards the left side of the diagram that is pointing at that jagged line labeled "2M"?
that is the schematic symbol for a 2 Meg ohm variable resistor AKA potentiometer or "pot". many pots are round like you would see on the face of your radio, but some are sliders like you'd see on a mixing console.
your mic has the slider type.
the 2 meg ohm "pot" is for your tone control.
now if you look to the right a bit, you'll see another one of those arrows pointing at a jagged line, this one labeled "5K".
this is your volume control slider and it is a 5 Kilo ohm potentiometer.
the positive lead of the battery is connected to one of the terminals of the volume control slider.
sounds like you already have that one done correctly so just leave that one alone.
we are going to need to turn the PC board over now so you can access the solder connections of the PTT (push to talk) switch.
after determining which of those solder connections is pin 9, using my post from page 1 to figure out which pin is which, you will solder the negative lead of the battery connector right to that solder connection.
you may have to add a little length of wire on to that negative wire in order to reach around the PC board, and you might need to route it around a bit in order to get everything to seat back into place.
if you need to, you can take a picture of the other side of the PC board where the switch solder connections are, and i can help you determine which one is pin 9.
hope this helps.
LC