• You can now help support WorldwideDX when you shop on Amazon at no additional cost to you! Simply follow this Shop on Amazon link first and a portion of any purchase is sent to WorldwideDX to help with site costs.
  • A Winner has been selected for the 2025 Radioddity Cyber Monday giveaway! Click Here to see who won!

fatboy 2pill key problem

any way to get a scematic of this. That would help a ton. I see that the relay looks sealed so I dont know if I can get in to clean it. Anyone able to draw a simple scematic of the area I want to fix like the relay, transitor and parts showing how they all get hooked up. If I had that it would help a bunch.
 
the orange and yellow wire are going to the ssb switch if that helps to know.I can get better pics too with closer details. I put the new transistor in and now it dont work at all. it powers up but when I key it nothing. I might have put the transistor in wrong as the new one was metal and not plastic and did not have a flat side like the old transistor so I kind of guessed a little as to how it goes.

I am going to buy a a transistor with a flat spot on it like the old one had. I forgot how it was installed now so I will post a little drawing of my own of the keying circuit of how it looks to me and maybe some one can tell me how the transistor goes in. I am buying a new relay too and replacing it right away.

Thanks and sorry for the tons of questions.

Thanks,
Roger
 
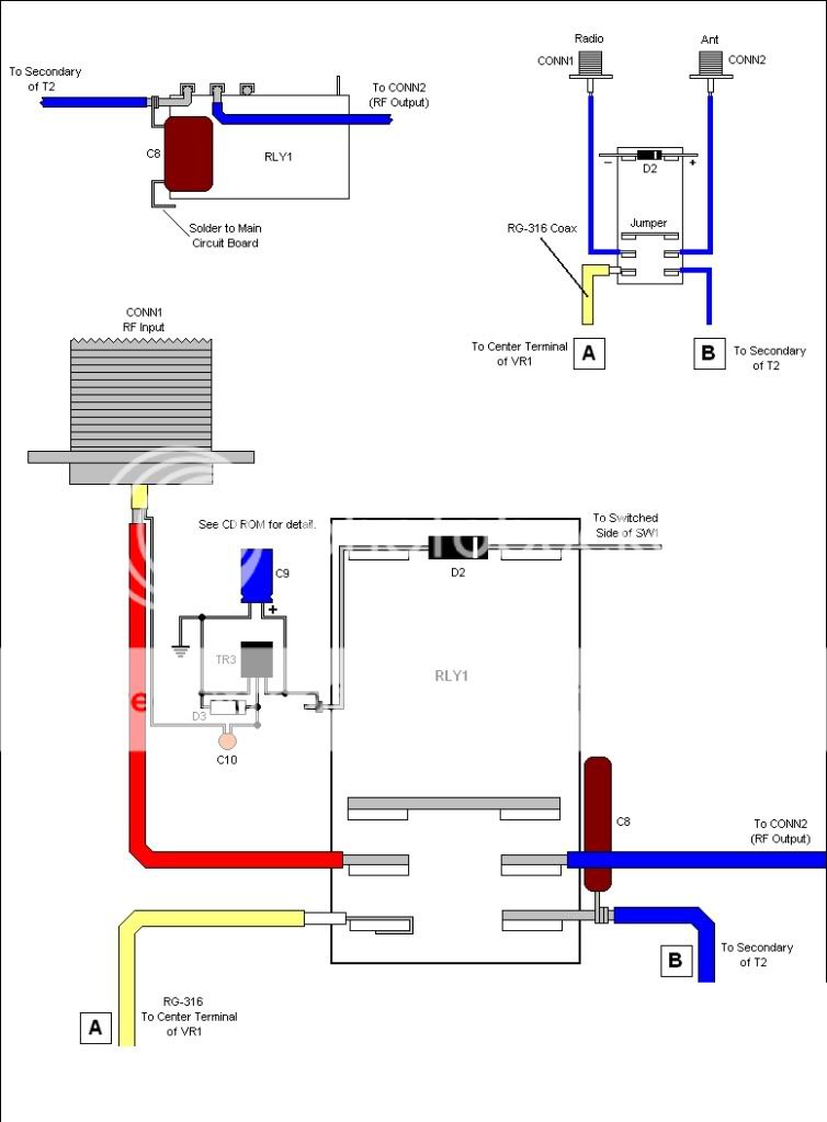
Here is a drawing of the circuit with the components:

380V-3.jpg


The 2N2222A transistor emitter lead goes to ground, the collector lead to the anode of the diode across the relay coil (you need to add this - 1N4007 (D2)), the base lead to the small RF sampling cap (C10) from the "input" SO-239. The circuit shows a small 22uf 25v cap (C9). For SSB delay, that needs to be run through a switch and increase the value to 1000uf.

If you are deadkeying very small watts out of your radio, the RF Sampling cap value may need to be increased to get the amp to key.

If the relay is bad, since it is sealed, it is easier to just replace it with a new one. It is a 5A DPDT. You can get one here for $2.75:

ICAManufacturing.com - Relays

BTW, in the drawing, the transistor "flat spot", is facing forward.
 
Thanks a bunch, this is what I need to figure it out. I am going to take all the keying parts out and start from scratch. I should be good now, I will let you know how it goes or if I have trouble.

Thanks,
AP
 
Well I guess I just aint a tech. I can not get it to key at all now. I was searching for a repair shop who works on fatboy amps and seen Redman`s shop in new jersey. He sells fatboys so I emailed him and he says send it in.

My question is did anyone hear good, bad or ugly about Redman? I just want a reputable repair shop.

Unless someone out there can fix it for me or know of a shop who is good.

Thanks,
AP
 
Just want to say Charger Charger who is fatboy got my amp on a Friday, fixed it and it was on my door step by Tuesday.

Works perfect and cost 15.00 total which covered shipping back to me and parts to fix it.

If I need an amp I will for sure buy from them. Great products and service.

Just wanted to tell you all that.

Thanks,
AP
 
Wow, all that drama and the problem was pinpointed in the first three posts. And it was fixed even faster.
 

dxChat
Help Users
  • No one is chatting at the moment.