• You can now help support WorldwideDX when you shop on Amazon at no additional cost to you! Simply follow this Shop on Amazon link first and a portion of any purchase is sent to WorldwideDX to help with site costs.

Mirage B-320-G 2 Meter Amplifier Review

Moleculo

Ham Radio Nerd
Apr 14, 2002
9,335
2,034
383
I've needed (wanted) a 2 meter amplifier for some time and finally decided to purchase the Mirage B-320-G 200 watt amplifier. The B-320-G is an interesting design because it is capable of producing 200 watts by driving it with either a 50 watt mobile, or a 5 watt Handi Talkie! I intend to purchase the 2 meter option for the Elecraft KX3 which will produce around 10 watts, so this amplifier will give me the versatility to deliver higher power on 2 meter SSB with the KX3 or when driven from my Yaesu FRM-350 in the shack.

Here are a few pictures of the amplifier:

2181-1337065110-76b5559c53869d30758dd3f5d2baf9fb.jpg


As you can tell by looking at the face, the amplifier is switchable between SSB and FM without having to pull the covers off. I previously owned a TE Systems VHF amplifier, and having to open it up to switch to SSB mode was ridiculous.

The rear of the amp is pretty basic, but notice the switch to the far left:

2182-1337065110-4343baae9e04c0cae9eed6aefbdb1399.jpg


This is the switch you flip based on the amount of drive you are going to deliver into the amp.

The bottom of the amp contains the fan that blows the hot air out, drawing cool air in through the vents.

2183-1337065110-13569da047be7f817f850d2097282c4a.jpg


The heat sink is quite tall and wraps around the sides of the amp. I can honestly report based on some quite long rag chews at full power, that it is very difficult to get this amplifier hot under normal usage.

Opening the case to peek inside involves removing the feet, sliding the bottom over a bit and de-soldering the fan leads. After the fan leads are free, you can slide the case off, flexing the base a bit to clear the fan screws. Now the inside is revealed:

2184-1337065110-862a9004561f0f82eba8e17e9ccba1b8.jpg


The primary source of power amplification comes from a pair of 2SC2782 transistors.

2185-1337065172-09a43ce3010b9729656209482487794d.jpg


These transistors are rated right at 100 watts out power output at 14 volts when driven with about 18 watts:

2187-1337106679-e744d4c13242753fd5b4a75e6cff3677.jpg


The power output rating actually increases a bit as the frequency is brought lower into the 2 meter band.

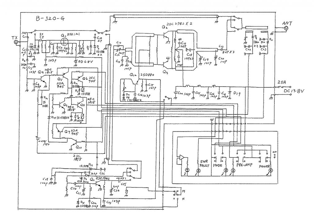
I'm not an engineer and my schematic reading skills are pretty poor, but it appears to me by reading the schematic that when in the low-drive setting, the 2SC1946 transistor shown under these wires is switched inline to drive the main transistors:

2186-1337065172-37e3c068fbde4537e78d394e73999290.jpg



Here are drive / output figures that Mirage publishes for this amplifier. I verified these numbers with my own equipment by testing with both a mobile and an HT and found them to be right on:

Low drive input / Output (watts)
Input|Output
0.25|132
0.5|165
1|175
2|190
3|200

High drive power input / Output (watts)
Input|Output
0.25|1.5
0.5|4
1|10
2|24
3|32
5|48
6|64
8|82
10|95
15|135
20|148
25|165
35|186
50|200

The amplifier also features a selectable 15db GaAsFET receive pre-amp which really does a nice job helping with weak stations, as well as SWR fault protection. While it comes with a mobile bracket, there is no remote head available, so you will need to fabricate your own if necessary. Mirage does provide optional remotes with most of their other models, so it would be nice if they would add a factory option for this one, as well.

Priced at nearly $500, this amplifier is not inexpensive. However, that price tag gives you quite a bit of flexibility, allowing you to use this amp under a number of different scenarios. I've been using it constantly at full power and I'm continually impressed with how it performs. In fact, I usually have to give my transceiver a break first because it gets too hot faster than this amp does!

All things considered, I like this amplifier very much.
 

Odd that the 200w unit has a fan, but the 300w unit doesn't. Is it always on or thermostatically controlled?

If memory serves, the amp draw on this was lower than their 160w unit, and close to some of their older 100w units. Have you had a chance to check that? Would this be the excuse you need to get a larger ammeter? "Honey, the readers want to know..." Try that, it might fly!
 
Very cool, Mol. I'm looking forward to seeing how this pans out as a mobile amp for an HT. That's exactly what I'm looking to do with my off road truck.
 
Odd that the 200w unit has a fan, but the 300w unit doesn't. Is it always on or thermostatically controlled?

If memory serves, the amp draw on this was lower than their 160w unit, and close to some of their older 100w units. Have you had a chance to check that? Would this be the excuse you need to get a larger ammeter? "Honey, the readers want to know..." Try that, it might fly!

The fan is always on. It also doesn't seem to vary with temperature. Measuring by the ammeter on the power supply, this amplifier draws about 25 amps at full power. Considering that it has a 30 amp fuse built in, a 25 amp draw seems about right.
 
Does the SWR Fault indicator also have a relay to shut the amp off?
IIRC - some amps will do this.

The SWR protection doesn't shut the amp off under high SWR, but it does prevent the amplifier from keying and producing any power output. One of the tests I did was to run the amp into a dead short antenna and key it. It tripped the SWR protection, killing the power output which required resetting the amplifier. After I switched it back on and gave it a real antenna, the amp operated normally with no adverse effects.
 
Very cool, Mol. I'm looking forward to seeing how this pans out as a mobile amp for an HT. That's exactly what I'm looking to do with my off road truck.

For this application, you switch the amplifier to low drive and it works great. I had no problem achieving 200 watts output from my Yaesu VX-8r HT. The only issue I see in a mobile is that the amp either needs to be installed within arm's reach, or you need to fabricate your own remote on/off switch.
 
  • Like
Reactions: 1 person
The schematic presented here is not the schematic for the Mirage B-310-G. I have one with the original schematic that came with my unit. This schematic is most likely for the Mirage160 watt model. The schematic indicates two planer power transistors (2SC2782) plus a planer driver transistor (2SC1496). The pictures clearly indicate only two planer transistors. You can see 2SC2782 marked on one and the other one under the diode is the 2SC1496 which drives the single 2SC2782. The specifications on the 2SC2782 indicate it is an 80 Watt transistor. If you run the B-310-G at 100 watts using FT8 you will eventually burn out the 2SC2782 even at a 1.1 to 1 SWR. i know because I have blown out two. If you are running FT8 keep it at 80 watts and put a fan on to of the fins to keep it cool. Good luck. WA3EKL
 
The schematic presented here is not the schematic for the Mirage B-310-G. I have one with the original schematic that came with my unit. This schematic is most likely for the Mirage160 watt model. The schematic indicates two planer power transistors (2SC2782) plus a planer driver transistor (2SC1496). The pictures clearly indicate only two planer transistors. You can see 2SC2782 marked on one and the other one under the diode is the 2SC1496 which drives the single 2SC2782. The specifications on the 2SC2782 indicate it is an 80 Watt transistor. If you run the B-310-G at 100 watts using FT8 you will eventually burn out the 2SC2782 even at a 1.1 to 1 SWR. i know because I have blown out two. If you are running FT8 keep it at 80 watts and put a fan on to of the fins to keep it cool. Good luck. WA3EKL
Incorrect, the pictured amplifier does have a 2SC1946 predriver transistor for the low drive stage. It is also a flange mount transistor. In the first picture where you can see the entire inside of the amplifier it is located at the far left, about center of the board. There is a blue relay located top left. That is the low drive switching relay with the associated amplifier stage located below it. The 2SC1946 is not round like the 2SC2782 transistors but has a rectangular ceramic cap.
 

dxChat
Help Users
  • No one is chatting at the moment.
  • @ Spanish:
    Where do i upload schematics
  • @ BJ radionut:
  • @ Catalyst 122:
    Who do I contact for a name change. I put in for it over a year ago and it says still under review.