• You can now help support WorldwideDX when you shop on Amazon at no additional cost to you! Simply follow this Shop on Amazon link first and a portion of any purchase is sent to WorldwideDX to help with site costs.

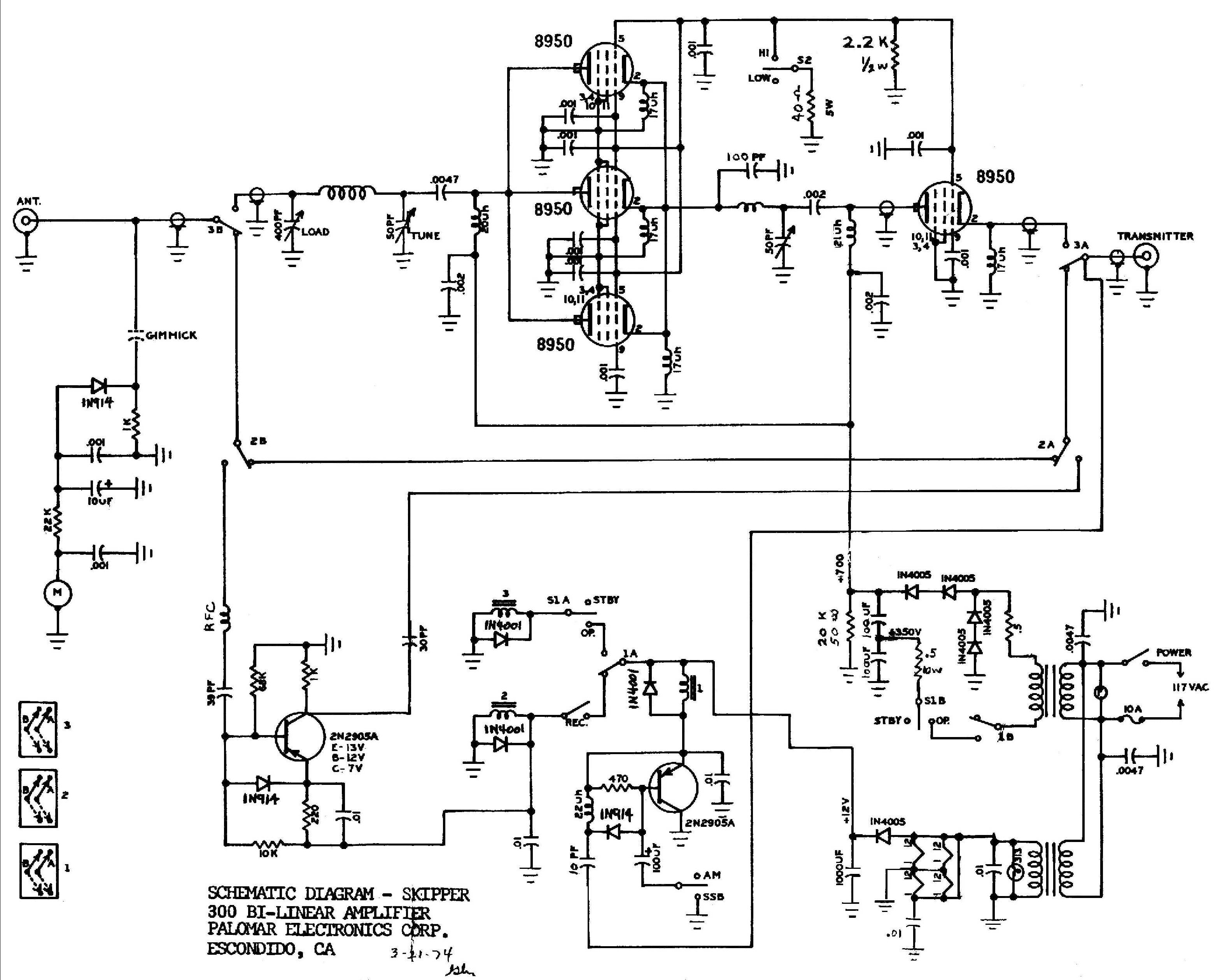
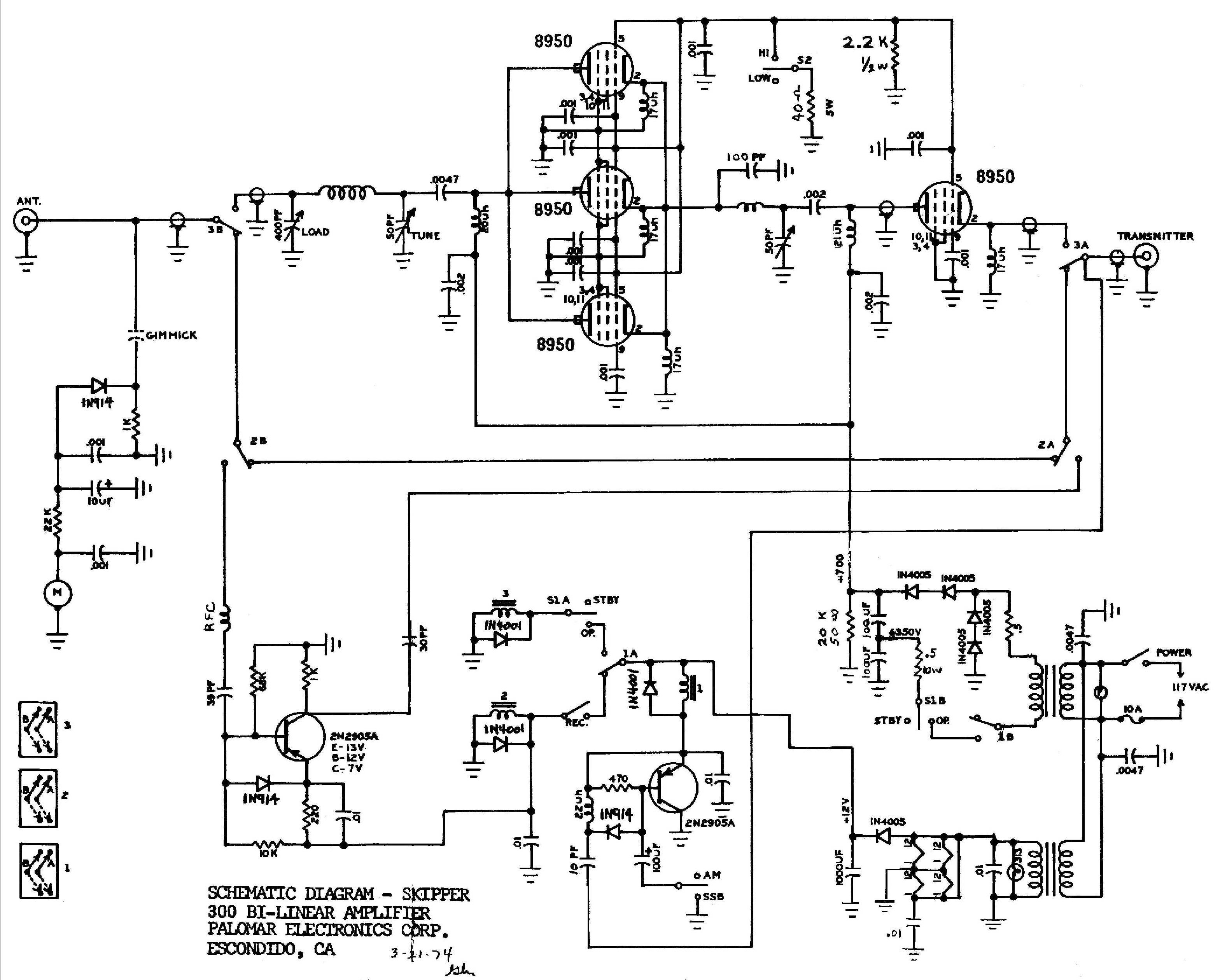
Palomar Skipper 300 (8950 tubes)

KJ4CYH

Active Member
Dec 9, 2018
149
32
38
62
Would anybody out there happen to have a schematic for a Palomar Skipper 300 running one 8950 driving three 8950s?
 

palomar_skipper_300_sch_8950.jpg
 
Thanks, I've been having problems trying to get CB Tricks to open!
Its archive site from 2015 I believe. The site is down with no word if it will ever be back up. There is a thread here on the subject with a file download link.
 

dxChat
Help Users
  • No one is chatting at the moment.
  • @ Spanish:
    Where do i upload schematics
  • @ BJ radionut: