• You can now help support WorldwideDX when you shop on Amazon at no additional cost to you! Simply follow this Shop on Amazon link first and a portion of any purchase is sent to WorldwideDX to help with site costs.
  • A Winner has been selected for the 2025 Radioddity Cyber Monday giveaway! Click Here to see who won!

Palomar TX100 Relay Chattering

I've deadkeyed up to 5 watts and also modulated, as soon as it keyed up it starts chattering. Doesnt matter if its dead key or modulated.
Just using a basic mic.

Maybe its time to toss it and get a new one?
What exactly does a dummy load do versus having the antenna hooked up?
 
A dummy load is a resistive load that will be a close to perfect match for the radio to operate into. You can use it to check and make sure that your antenna is not causing any problems. One question I have not seen asked (or maybe missed) is how big are the power wires going to the amp and where are you getting power from? When the relay starts chattering do the lamps on the amp blink also? If that is ok it sounds like you have a bad diode or transistor in the keying circuit of the amp.
 
I've deadkeyed up to 5 watts and also modulated, as soon as it keyed up it starts chattering. Doesnt matter if its dead key or modulated.
Just using a basic mic.

Maybe its time to toss it and get a new one?
What exactly does a dummy load do versus having the antenna hooked up?
Your amp either has a faulty keying circuit or is missing nessecary parts and it would be difficult to diagnose the problem via the internet but it's begining to sound like your relay is not getting the voltage required to keep it engaged and that could be bad starting at the am/ssb switch.
 
If you turn the SSB switch to the "ON" position will the relay stay keyed? If is does you have a problem in the keying circuit. One other thing is does the radio talk ok when the amp is turned off? If I remember correctly there should be a 2N2905 keying transistor that could be bad.
 
I am not a radio or amplifier expert (nor do I play one on the Internet), but I have read on other forums that a lot of the Palomar amps had a problem with improper tuning from the factory. The best way to resolve the problem would be to have the amp checked out and brought back to 50 ohm impedance, but a lot of people have applied a band-aid solution by extending the length of the jumper between the radio and amp.
 
I have 13v at the amp. Lengthened jumper between radio and amp to 6'.
Borrowed an old Midland with SSB from my brother. This is what i came up with:
1. Switch on AM with Pre amp off: 1 relay chatters real fast as soon as its keyed
2. Switch on AM with Pre amp on: Both relays chatter real fast as soon as it is keyed
3. Switch on SSB with Pre amp on: Both relays chatter slow only when modulationg
4. Switch on SSB with Pre amp off: 1 relay chatters slow only when modulating
 
I have 13v at the amp. Lengthened jumper between radio and amp to 6'.
Borrowed an old Midland with SSB from my brother. This is what i came up with:
1. Switch on AM with Pre amp off: 1 relay chatters real fast as soon as its keyed
2. Switch on AM with Pre amp on: Both relays chatter real fast as soon as it is keyed
3. Switch on SSB with Pre amp on: Both relays chatter slow only when modulationg
4. Switch on SSB with Pre amp off: 1 relay chatters slow only when modulating

What does the voltage read when you key the mike? This is beginning to sound like a keying circuit problem. Do you know how to check the components that make it up?
 
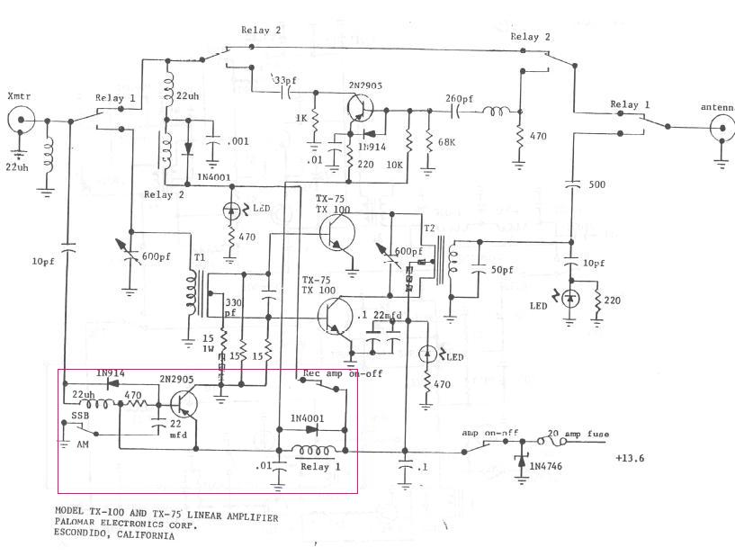
Well that is pretty much where you are at the moment is having to check components. If do not know how to check the individual devices it might be best to find someone who is and let them check it for you. The keying circuit in that amp is pretty basic and someone with basic electronics knowledge should be able to find the bad part/parts. Here is the schematic for the amp along with the keying circuit components inside the red rectangle.
 

Attachments

  • TX 100.JPG
    TX 100.JPG
    55.6 KB · Views: 421
relay chatter

check the 22 mfd cap in the keying diagram it is there for chatter suppression.
also check the 10pf mica cap in the input from the radio.
check the 1n914 diode in the keying circiut. the 2n2905 transistor is a pnp type it connects the emitter to collector to complete the circiut to ground for the relay. the transistor keys when the base detects the signal from the radio. i work on amps everyday, and sometimes it like this:headbang hope this helps. soretooth
 
BUMP.
I have the PAL-351 BDX that goes crazy with chatter but only in SSB. From reading this board it looks like a faulty SSB delay. Is this an easy fix for my local guy? What is the average cost to fix my "click-click-click" problem?
 

dxChat
Help Users
  • No one is chatting at the moment.