Hi Everyone,
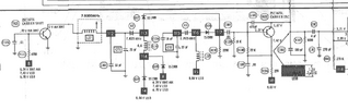
I dusted the Stalker off the shelf and wanted to do a quick test before I worked on the clock. The it sounded strange on TX so I went through the alignment to check things. The PLL alignment was fine until I got to the final stage. The 7.8025 and 7.7975 were verys unstable. They oscillate high and low. I checked the voltage at TR21 and they were within a few 10th's of what specd'. Would anyone have some thoughts?

I dusted the Stalker off the shelf and wanted to do a quick test before I worked on the clock. The it sounded strange on TX so I went through the alignment to check things. The PLL alignment was fine until I got to the final stage. The 7.8025 and 7.7975 were verys unstable. They oscillate high and low. I checked the voltage at TR21 and they were within a few 10th's of what specd'. Would anyone have some thoughts?
