• You can now help support WorldwideDX when you shop on Amazon at no additional cost to you! Simply follow this Shop on Amazon link first and a portion of any purchase is sent to WorldwideDX to help with site costs.

Texas Star Amplifier Repair

long night

Active Member
Jan 8, 2020
202
39
38
77
Hi. I am hoping someone out here repairs texas star amps. I have a TS 500 dx in need of repair and am unable to do it myself.

Thank you Chuck Saylor
 

How old is the Texas Star 500 ?
What transistors are in it ?
Does it have a variable on the front of it ?
 
How old is the Texas Star 500 ?
What transistors are in it ?
Does it have a variable on the front of it ?
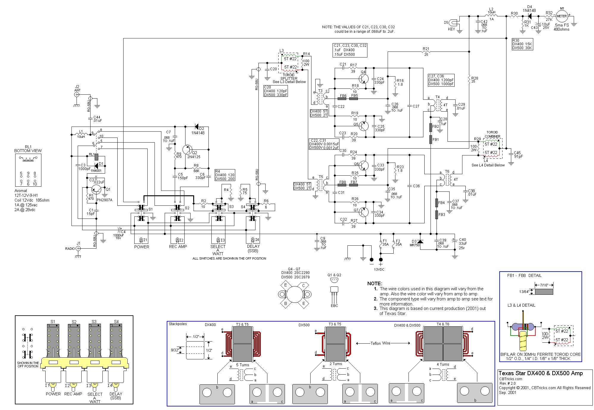
Hi Ranch 55 It is an older TS 500 dx. Not a variable power model. Toshiba 2879 transistors. It just quit working. I tried to repair, but no luck. When you turn it on one of the wire wound resistors will start to smoke.
 
Can you snap a couple pictures of the boards and post?
When you say wire wound are you talking about one of the chokes ?

73
Jeff
Hi. I am very old school and do not have a smart phone to send pictures. Sorry. I can tell you that on cb tricks in Texas star 500 DX listed in parts you will see in transistors (R21 and R28) are listed as 25 ohm 5 watt wire wound resistors. R 21 is the one that got hot and started smoking. Hoped that helps.
 
dx400-dx500_inter_connection_layout.gif
ts_dx400-dx500_sch.gif
ts_dx400-dx500_sch.gif
Here you go
 
Last edited:
  • Like
Reactions: freecell
you might have a blown transistor.

remove all four 2SC2879 transistors and test them with a DMM.
(instructions for this are all over the web)

find the bad one and throw it out.

sell the rest on ebay.

buy a new amp with the profits.
LC

I agree and then sell the 500 on e-bay as fix or repair showing up front that it has no finals. If he really wants to fix it best option probably will be a new matched quad of HG 2879's.
 

dxChat
Help Users
  • No one is chatting at the moment.
  • @ COWBOYS:
    Denton GL 1000 ham amp comes on, but will not key up
  • @ COWBOYS:
    What can I do to make my Denton GLS 1000 amp to load ?
  • @ AudioShockwav:
    Try starting a new thread in the Amplifier section and asking the question, more people will see it to respond.
  • @ iw7ed:
    hello