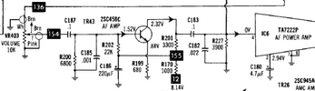
C186 is the capacitor Nomad is referring to:

But since your meters aren't moving, I am more inclined to think it is your 8v source. Check all the pins on IC4 for correct voltages:


Make sure the Green LED is on in RX. If not, check pins 3 & 6 on IC 4 for 8+v.
While you are at it, ask Dan up in the stickies to make you a copy of the Madison section in volume 230. you can request it here:
www.worldwidedx.com
Good Luck

But since your meters aren't moving, I am more inclined to think it is your 8v source. Check all the pins on IC4 for correct voltages:


Make sure the Green LED is on in RX. If not, check pins 3 & 6 on IC 4 for 8+v.
While you are at it, ask Dan up in the stickies to make you a copy of the Madison section in volume 230. you can request it here:
Sams PhotoFacts Collection
Dan - It would be helpful if you could post a list of the Volume #s that you do not have. - 399 I'll work on that, may take awhile.... Dan
Good Luck