Thanks for the reply Nomad,
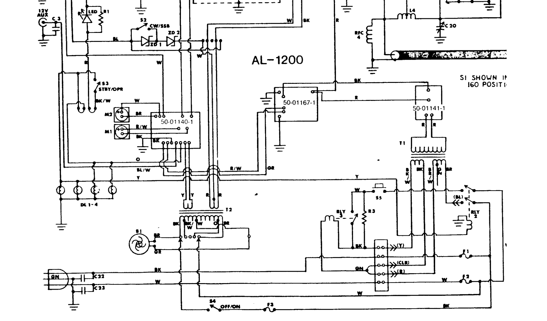
Here is the schematic. I think its too soon too but it did it from day 1.
Ameritron doesnt update its schematics so its some guess work.
There are 2 2200uf caps on that meter board that the relay runs off of.
So that yellow wire goes to the meter board, they show a bridge rectifier that in real life is 2 diodes and C2 is not 1000uf but 2200uf and they added another 2200uf that isnt shown.
The problem I'm having besides that is the HV is sagging to 3100v which is robbing me of alot of power ATM.
Ameritron isnt returning emails either so I have no clue. I read of people replacing wires with thicker ones but thats just getting ridiculous.
I also read people complain about the arc and the answer was normal operation.
If the relays wer $10 still and drawers full of then that'd be fine I guess but when you have to scour the earth to find one, its disappointing. Not as disappointing as when this tube gets soft mind you.
Maybe I should increase those 2200 to 4700
Here is the schematic. I think its too soon too but it did it from day 1.
Ameritron doesnt update its schematics so its some guess work.
There are 2 2200uf caps on that meter board that the relay runs off of.
So that yellow wire goes to the meter board, they show a bridge rectifier that in real life is 2 diodes and C2 is not 1000uf but 2200uf and they added another 2200uf that isnt shown.
The problem I'm having besides that is the HV is sagging to 3100v which is robbing me of alot of power ATM.
Ameritron isnt returning emails either so I have no clue. I read of people replacing wires with thicker ones but thats just getting ridiculous.
I also read people complain about the arc and the answer was normal operation.
If the relays wer $10 still and drawers full of then that'd be fine I guess but when you have to scour the earth to find one, its disappointing. Not as disappointing as when this tube gets soft mind you.
Maybe I should increase those 2200 to 4700
Attachments
Last edited: