The kind of repair the tech needs to do to that amp - is the assembly details and in the LABOR.
Parts? Well, that varies, but per everyone else's and your own response - that is the cheap part.
The problem lies in the details of the rear board - with the burnt resistors. You have a lot of unsoldering and disassembly that is not for the feint of heart.
If it was just the pills, you can do that yourself - it only takes a hex wrench to unbolt and desoldering of the old part off ... the trouble is in the details of the work you HAVE TO REMOVE to pull away the wiring, cables and parts.
Once that's done, you have to clean up and take out any potential soldering bridges, blobs of solder, reposition parts that shift when the soldering is done and still molten - again the details.
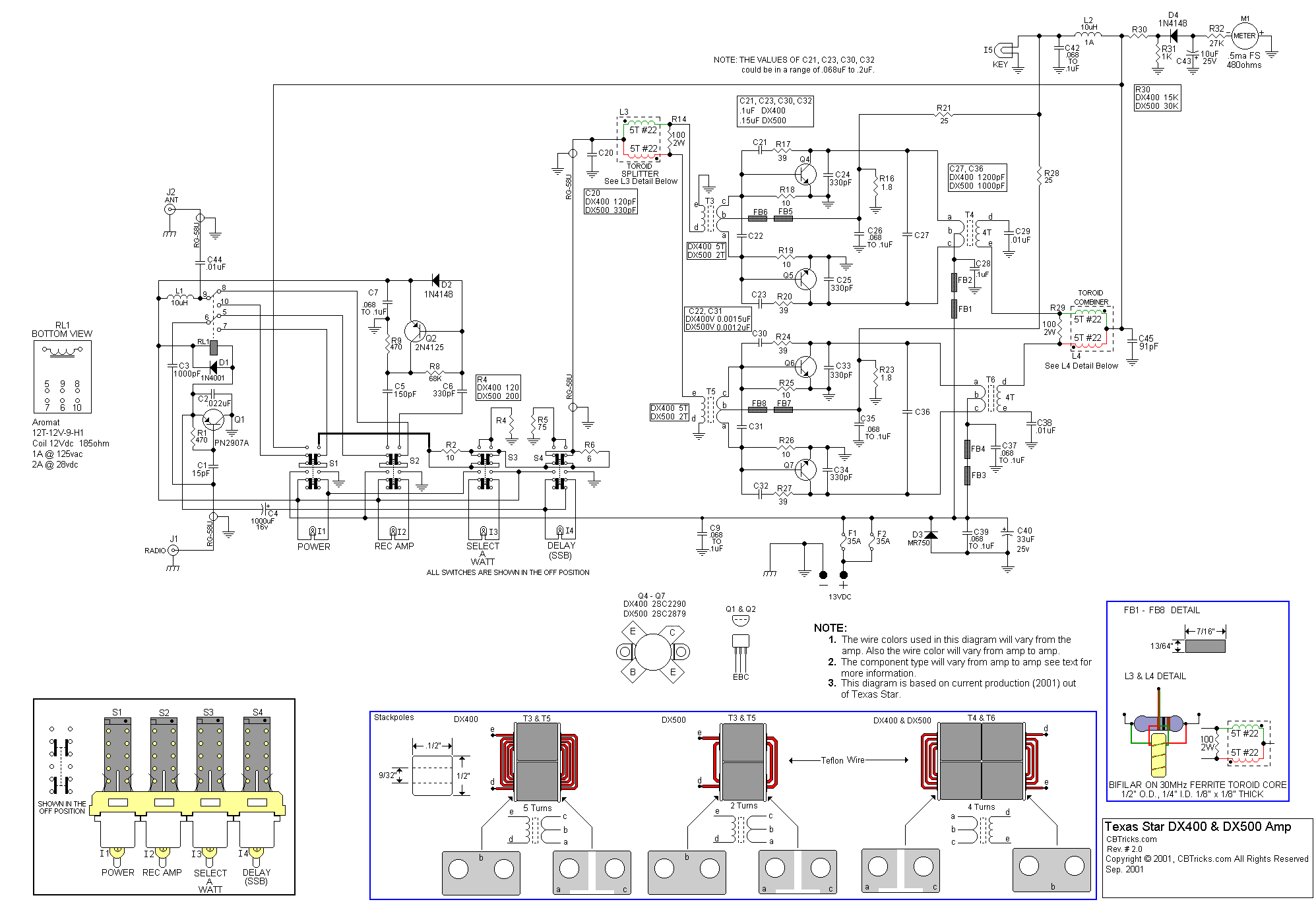
Not to add more salt to the wound, the photo you send us also shows work performed and parts and the values in the positions are different. What I posted for you with the 400 and 500 DX models are Outcomms own selected values for their amps to be considered safe and provide the best Mean Time Between Failures or MTBF. They are chosen - not for performance and keying power - but for best overall performance to power ratio. To use such low value resistors in the main feedback loop (20 or if that is Brown - not Red - it's 10!) and alter the cap values - to survive from 2015 until now is a feat in itself.
I did a little more work for your photo - to show the relative parts you'll need to look at....and how they are placed in the schematic and on the board - so you don't panic over the bill they'll charge...
View attachment 30964
Remember what Audio Shockwave said earlier - parts on the board that have solder pads on top and bottom. Those pads hold that part and make the electrical connection - but if pads that touch the heat sink that are not supposed to (the air gap) - it will wreak havoc on the board. So parts that are repositioned or replaced, also have to be rechecked for depth so they not only meet the traces on the top of the board, but also to those UNDERNEATH the board that the parts "branches" from, so they don't touch the heat sink. Again details and assembly.
I've got an amp over here I ate my shirt on due to the user deciding to try and convert the amp from the CW version to the amp version without guidance. I use it not only as an assembly reminder to refresh my memory, but also as a "living lesson" in trusting someone else's knowledge of what they are supposed to do. They only did one mistake - else the amp itself is still pristine and I can use it as a template to help others...
The above is not to scare you - but to serve as a reminder. When things go wrong - they can go wrong in an unexpectedly big way.
Now you can understand why MOSFET amps are so popular, they are the cheap and easy way out of an expensive repair bill. It's expensive because of the type of necessary repair and the LABOR involved in it.