• You can now help support WorldwideDX when you shop on Amazon at no additional cost to you! Simply follow this Shop on Amazon link first and a portion of any purchase is sent to WorldwideDX to help with site costs.

bandpass filter

Jul 26, 2013
76
7
18
I picked up 2 old tube amps. I haven't messed with them much other than I know 1 actually works and as far as, powering it on, and "tuning" it to make sure it had output i haven't done anything with it. I want to play around with it using my TinySA and assume it will need some cleaning up.

Now to the point. Does anyone have a input on making my own bandpass filter? advise, tips, and so on? Or is it just as easy/practical to pick up a ebay premade unit? I did notice that the multi band filters on ebay cover a fairly larger bandwidth than i would need?

I did a search for bandpass but wasn't able to find anything. Sorry if i missed it and asking probably a newbie question.
 

You can always look thru schematics of CB radios to find examples of many types of filters - so don't sell yourself short.

Some earlier vintage CB radios also used Tubes to generate the RF signal - so they can be used as a template to help you in designing TX filters, Lo-Pass or Band-Pass - as you see fit.

I realize the CBs' are not exactly large signal power radios - but the transistorized ones use current to help generate the signal into a working voltage to radiate at the antenna.

But when dealing with tube amplifiers, they are voltage-derived - they generate a lot of power in wattage - but as voltages.

So when designing or even trying to find "Band pass" filters, compare not just the power ratings in "wattage" but as working voltages. To protect you from getting hurt.

We're here to help if we can.
 
I didn't think about looking over schematics of other radios and amps. Do you have any certain tube radios you recommend that I would check out?
Thanks for the help.
 
I was going to recommend IowaHills.com, but their website is down right now. They have a great selection of RF software, one of them is for RF filter design. When I click "About" it says that it is "licensed to"it says "General public as free software". Hopefully their site will be back up soon.

They have a smith chart program too. Its nothing like simsmith, but its simplicity has saved me a ton of time. Their smith chart software (after measuring my mobile antenna impedance), allowed me to make the tapped loading coil at the base perfectly on the first try.
2022-02-18 20_45_29-Iowa Hills.jpg
 
Last edited:
IF you need working examples, you can always search for brands or more common transmitters using keywords like "HealthKit", FT-101 even Skipper or Sonar - which were heavily into tubes during their heydays.

There are plenty of images here in our forums in which to see up close the coil and cap layout designs of tube amplifiers - mostly in the Ham sections of the forums - so feel free to review the construction and read their articles - very informative and you can learn a lot about amplifiers, but it helps to pay closer attention more on how tubes operate under specific conditions and how to solve problems about them.

If you not into the tube part but just want to see clean schematics

Here's an example...
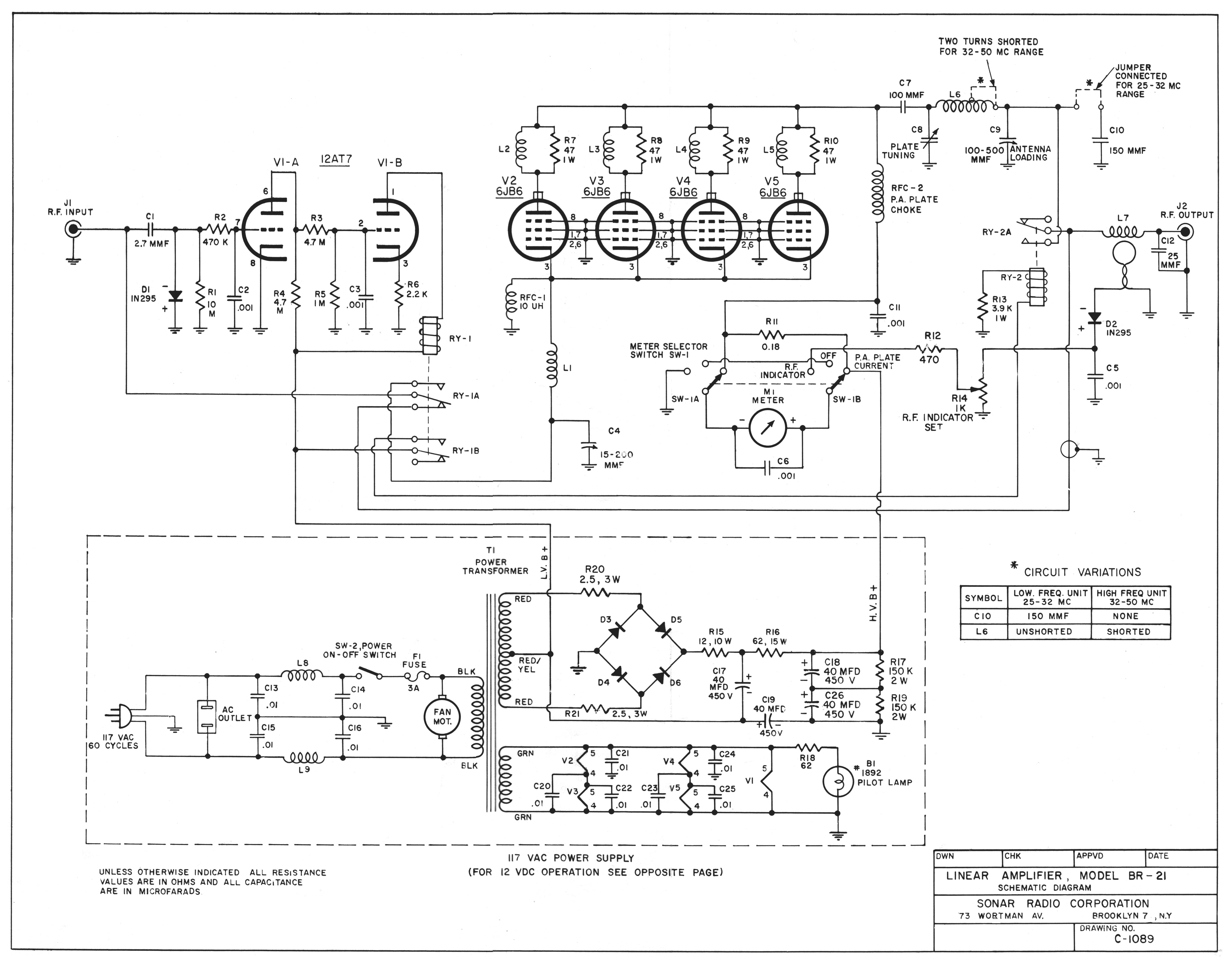
SONAR_BR.JPG


Take a look at L6 and C10 areas to help answer some questions you raised about band-pass. They affect output is a specific and controlled way.

IN some amplifier designs they don't use 50Ω outputs, they may use 450Ω ladder line output which favors the voltage component of the tubes output.

Another example would be about CB output circuits that take the transistors' output of a (very) LOW-impedance and couple it into a network providing a mechanism for transformation into and of higher impedance and filtration using L and PI filtering stages to make the 50Ω output.

Any typical Cobra 29 can help with this and also show the use of a 52MHz (2nd harmonic) trap which can help provide steeper slope of cutoff when problems with interference arises.

1645284122750.png


You can study this at your leisure....
 
Thank you both for the help. I will spend some time looking over them. I have always been into the "cool" factor of the tubes and the old school look. I'm not sure why I'm just drawn to them lol. So I'm completely fine with spending some time learning how it actually works. It's usually easier for me to fix something if i understand the how and why vs just following someone saying "do this, blah blah" and parts swapping. I checked the website and it still says its down


@Handy Andy The picture you posted of the cobra. I believe it is L16, is that supposed to be empty? i have one that i have been tinkering around with and wasn't sure if it was to be empty or if someone hacked it up lol.
Thanks for your help, and time. I apprecaite it. My electroncs guy who i used to work with that did programming and PCB design and so on passed away from covid late last summer. He didn't do a ton of stuff with RF but he could answer some basic stuff for me. It kinda sucks not having that connection whenever you need it, not to mention he could solder 2 hairs together on a flys ass and i'm lucky to be able to do a mic jack lol
 
The L16 is a tune trap, so the photo shows it missing because of the radio was used. The slug that is supposed to be there was removed by someone whom owned it previously.

There is also the changes during production years where the coul form is replaced by a simpler coil wind with no mount.

There's a sadness in this, because of what is missing - so you lose out on the OEM even when thev get the radio back from a tune-up at the shop.

IF the shop removed the slug, the ability to control the parasitics' and N-th order harmonics (above, even or odd multiple) are reduced - significantly.

Many say it doesn't affect - but to me, when the slug is being there? Great keep it in - but the other slug further down the strip towards the antenna connector jack is the 52MHz trap and it still has the slug which makes it more worthwhile to own.
 
This is not the only one missing. I picked it up used from ebay for I think under 20 shipped last year. I just wanted a 29 to play around on.
 

Attachments

  • 20220219_194515.jpg
    20220219_194515.jpg
    1.2 MB · Views: 351
I would also like to point out there are several differences in radio, and as you may come across later, in some types of traps in amplifiers.

They may have a "live chassis" - which means the RF ground from the Antenna connector "stops", the chassis that handles the coax shield - is not the same as the boards own foil (negative) ground - the grounds meet into a tuning trap or RF bypass - then the radios own ground takes over - it's the coupling and decoupling that can make a big difference in how well you are able to develop clean power that is in the spectrum of the frequency you transmit - meaning your power is on the frequency you're using.

Parts I'm talking about?

Review the above graphic at your leisure and note the locations and use of C138, C139 C58 and C59 and R55 - and locate L11 and C56 - and note they don't use RF board ground but use Chassis (Case) for ground or completion of the circuit for RF return.

The above schematic seems to also have an error in symbol - the 3 fork denoting grouidn also can be interpreted as Chassis - so the 3 horizontal symbol is the EARTH ground - so you know.

So in the above graphic I've highlited the changes so you can see where someone if they are working on a tube amplifier with grounded grid, if not tamed (sent to) to bond to earth and not just chassis - else someone could get killed by the RF passing thru the grid and finding EARTH ground thru the contact point thru them, into the floor or the case which may be grounded to a separate point.

1645319608223.png

Doesn't matter which symbol you use, just understand the differences potentially and harmfully - that can be present between both.

1645319387136.png
 
I would also like to point out there are several differences in radio, and as you may come across later, in some types of traps in amplifiers.

They may have a "live chassis" - which means the RF ground from the Antenna connector "stops", the chassis that handles the coax shield - is not the same as the boards own foil (negative) ground - the grounds meet into a tuning trap or RF bypass - then the radios own ground takes over - it's the coupling and decoupling that can make a big difference in how well you are able to develop clean power that is in the spectrum of the frequency you transmit - meaning your power is on the frequency you're using.

Parts I'm talking about?

Review the above graphic at your leisure and note the locations and use of C138, C139 C58 and C59 and R55 - and locate L11 and C56 - and note they don't use RF board ground but use Chassis (Case) for ground or completion of the circuit for RF return.

The above schematic seems to also have an error in symbol - the 3 fork denoting grouidn also can be interpreted as Chassis - so the 3 horizontal symbol is the EARTH ground - so you know.

So in the above graphic I've highlited the changes so you can see where someone if they are working on a tube amplifier with grounded grid, if not tamed (sent to) to bond to earth and not just chassis - else someone could get killed by the RF passing thru the grid and finding EARTH ground thru the contact point thru them, into the floor or the case which may be grounded to a separate point.


Doesn't matter which symbol you use, just understand the differences potentially and harmfully - that can be present between both.

View attachment 57475
Thanks, I never knew the grounds like that. I have a TON to learn. lol I will catch up on the rest tomorrow eve I've had a headache most of the eve and its hard to follow this stuff without full concentration ability. I do really appreciate the help.
 
This is not the only one missing. I picked it up used from ebay for I think under 20 shipped last year. I just wanted a 29 to play around on.
1645320257178.png
Some board did not need a slug for the Driver - but when you use Bipolar, they need one to couple the tank to both the transistor and the network.

You may have a "converted radio" check the Final - see if you have an IRF 520 or 13N10 FQP - if it's bipolar and missing the slug - then the radio was certainly reworked...the MOSFET conversion didn't need the slug in there.
 

dxChat
Help Users
  • No one is chatting at the moment.
  • @ COWBOYS:
    Denton GL 1000 ham amp comes on, but will not key up
  • @ COWBOYS:
    What can I do to make my Denton GLS 1000 amp to load ?
  • @ AudioShockwav:
    Try starting a new thread in the Amplifier section and asking the question, more people will see it to respond.
  • @ iw7ed:
    hello