External meter hooked thru - in to a dummy load- shows RF - 4 watts.
Ok, two things suspect; switch or wiring - you get S meter and SWR cal - so is S meter reading from before - has it changed? These two share the same "portion" of the circuit.
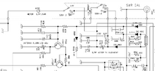
D12 is a germanium diode - so ... sorry for the "Horizontal, but it may help us understand more of what may have gone wrong.
The only thing I can see that can go bad, are 3 sections of the TX metering - then the S/RF meter circuit combines into the one line and shows. (Referring to the needle moving - or the "Show" it provides to the operator, that as they TX, the thing swings)
So, you didn't go into a lot of details, but some Cobra 29's came with ANT warm, as well as MOD metering - thinking since you mentioned SWR and CAL seem ok, we don't have something getting sucked out that way.
I'd just unsolder the pot - remove it, place a 3.3K across the two terminals it uses to feed into this averaging circuit that even the RX side uses (C81 and C80) to test RF metering for a quick TX key up.
Does the meter work now? (Just lower) Then - the Pot itself just may have been "torqued" and now has lost the crimp that keeps the variable wiper arm to the substrate - that may be all that is wrong with it - just re-crimp the pot back together and retest the leads - make sure the composition is working.