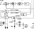
I just finished up making my copy of the oscillator (with a 6.1704MHz crystal, its what I had) to see what affect my suggestion should have had.

Instead of a trimmer, I used a 10pF and a 30pF in parallel. Lifting the leg of the 30pF gives me the ability to go from 40pF to 10pF, which is the extremes of your trimmer. Also, from the emitter to the base, I have two 22pF caps. Lifting the leg of one allows me to go to/from 22pF to 44pF for C2.
Results:
*counter not warmed up and no crystal is the same, just seeing the direction and ballpark amount of change*
Trimmer 10pF, C2 22pF = 6.174354MHz
Trimmer 40pF, C2 22pF = 6.172502MHz
Trimmer 10pF, C2 44pF = 6.174215MHz
Trimmer 40pF, C2 44pF = 6.172262MHz
Doubling C2 lowered the freq 139Hz (22ppm) with the trimmer at minimum, and lowered it 240Hz (39ppm) with the trimmer maxed. The effect of increasing the trimmer is a decrease in frequency about 2.2kHz (356ppm).
Edit: I need to go to bed now, my brain is scrambled when I stay up this long. I see I was looking at a JFET circuit, not a more loaded down BJT oscillator. Once again, I made myself look like a total ass. I was thinking, OK, if 10% gets 30ppm, 100% will get about 300ppm. Being you said you got it to move 6kc (about 2/3 of 10kc), I figured, ok, about 3kc/3, or 1kc to go. 300ppm on 5.12MHz is 1536Hz, thought we had it in the bag. My apologies, I owe you a beer! I didn't realize I was looking at a JFET circuit with this particular chart.
